GM Service Manual Online
For 1990-2009 cars only
Makes
🢒
Pontiac
🢒
2003
🢒
Vibe - FWD
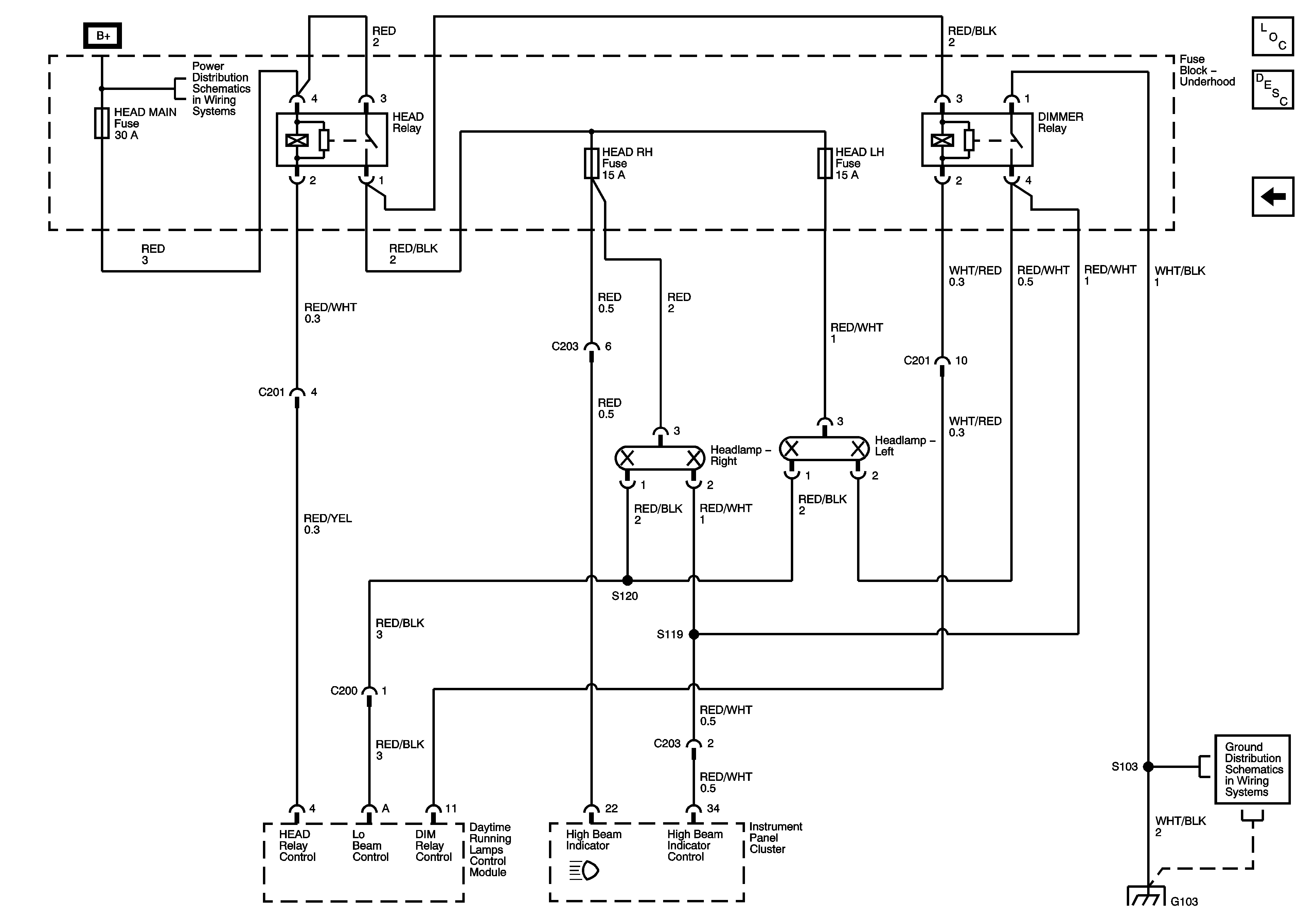
🢒 Headlamps
Headlamps
Headlamps
Master Electrical Component List
Exterior Lighting Systems Description and Operation
Turn Signal/Headlamp Switch
H-MAIN, ALT-S, EFI and HAZ Fuses
S103 and G103