GM Service Manual Online
For 1990-2009 cars only
Makes
🢒
Pontiac
🢒
2003
🢒
Vibe - FWD
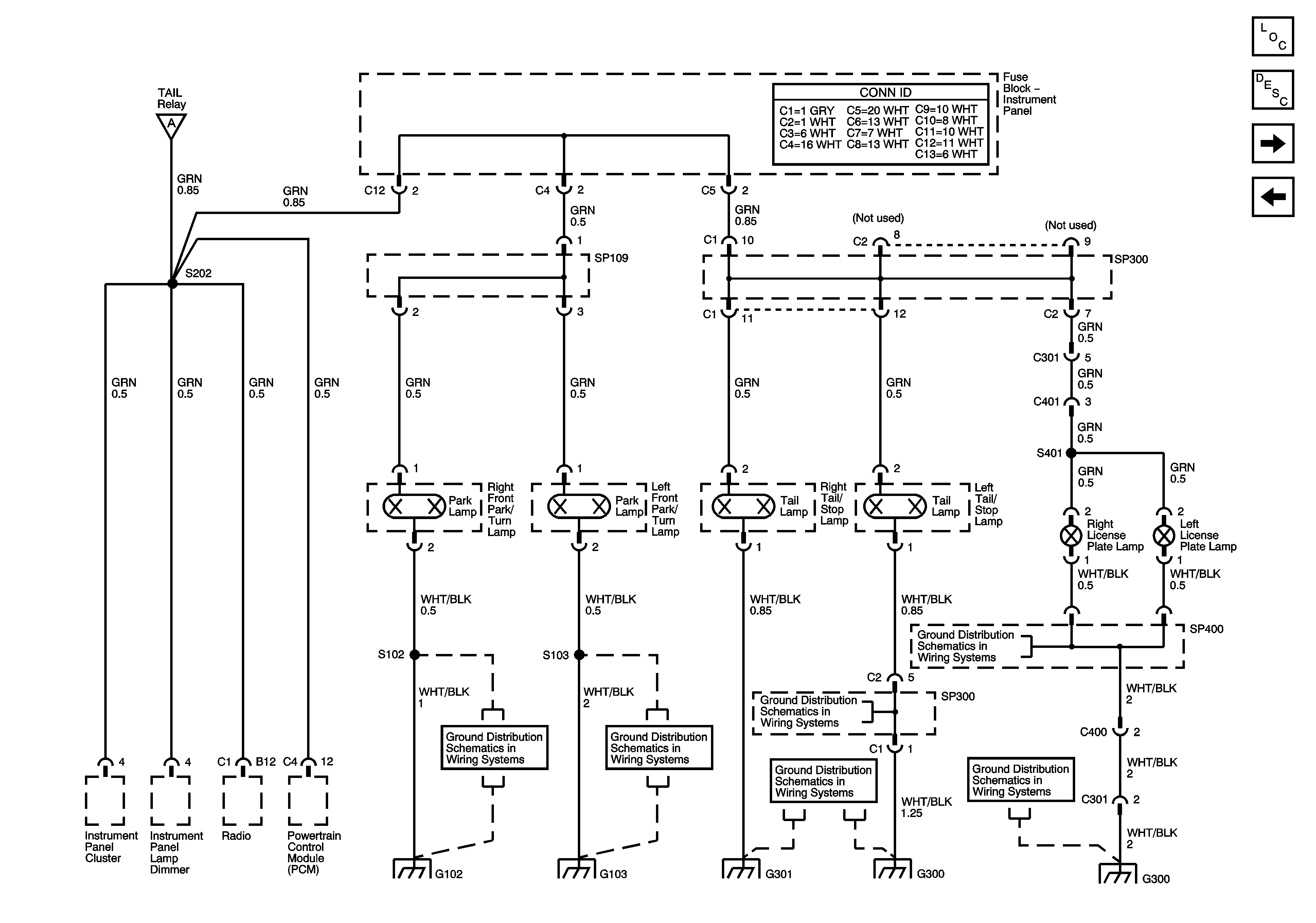
🢒 Park Lamps
Park Lamps
Park Lamps
Master Electrical Component List
Exterior Lighting Systems Description and Operation
Turn Signal/Headlamp Switch, Hazard Switch and Flasher Relay
TAIL Relay and Turn Signal/Headlamp Switch
G100, G101, G102 and G103
S103 and G103
SP300
G202, G300 and G301
SP400
G202, G300 and G301