GM Service Manual Online
For 1990-2009 cars only
Makes
🢒
Pontiac
🢒
2003
🢒
Vibe - FWD
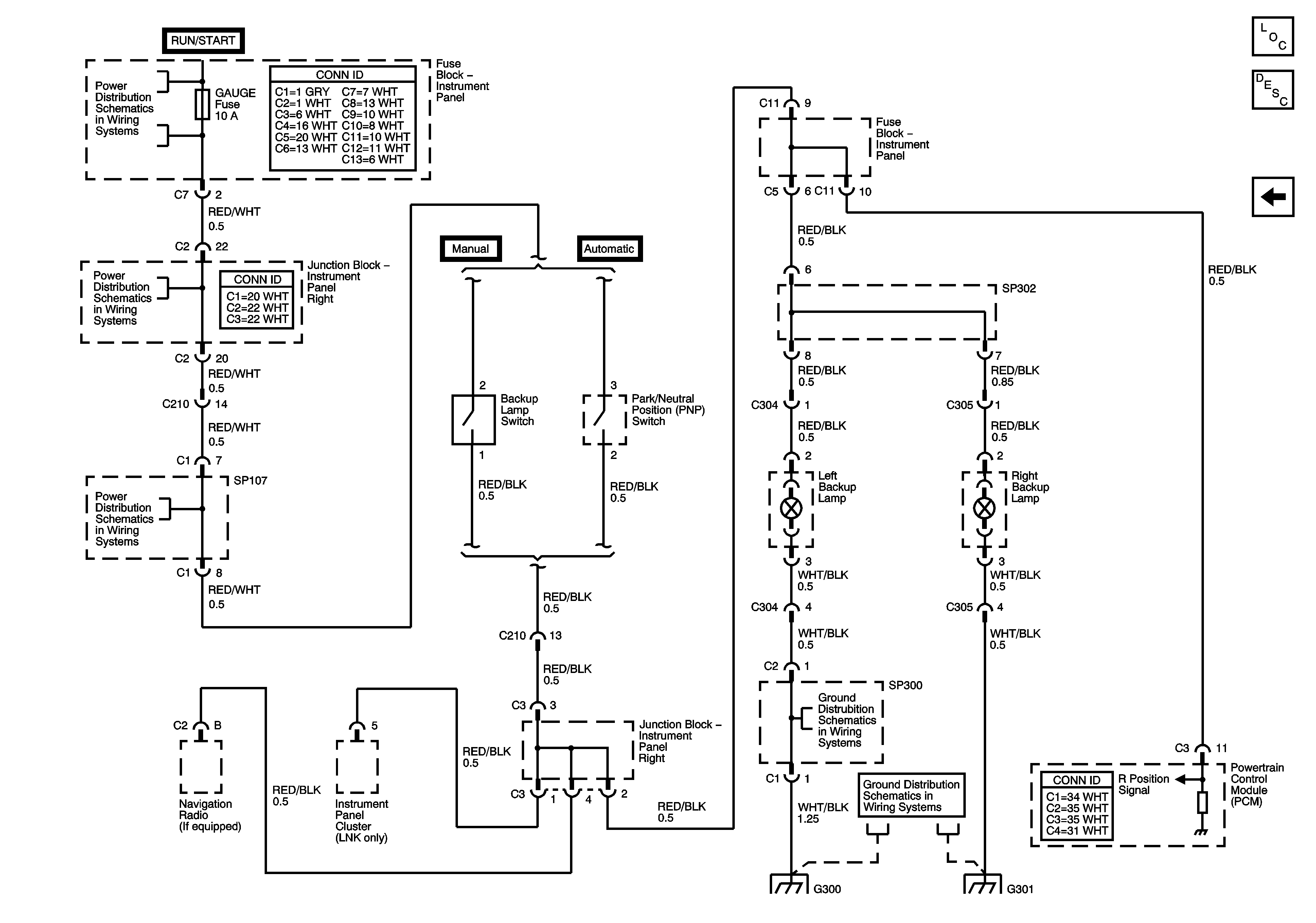
🢒 Back Up Lamps
Back Up Lamps
Back Up Lamps
Master Electrical Component List
Exterior Lighting Systems Description and Operation
Stoplamps
WASH, RR WIP, WIPER, ECU-IG, GAUGE, HEATER, and DEF Fuses
Heater Relay, Right Instrument Panel Junction Block
Heater Relay, Right Instrument Panel Junction Block
SP300
G202, G300 and G301