GM Service Manual Online
For 1990-2009 cars only
Makes
🢒
Pontiac
🢒
2003
🢒
Vibe - FWD
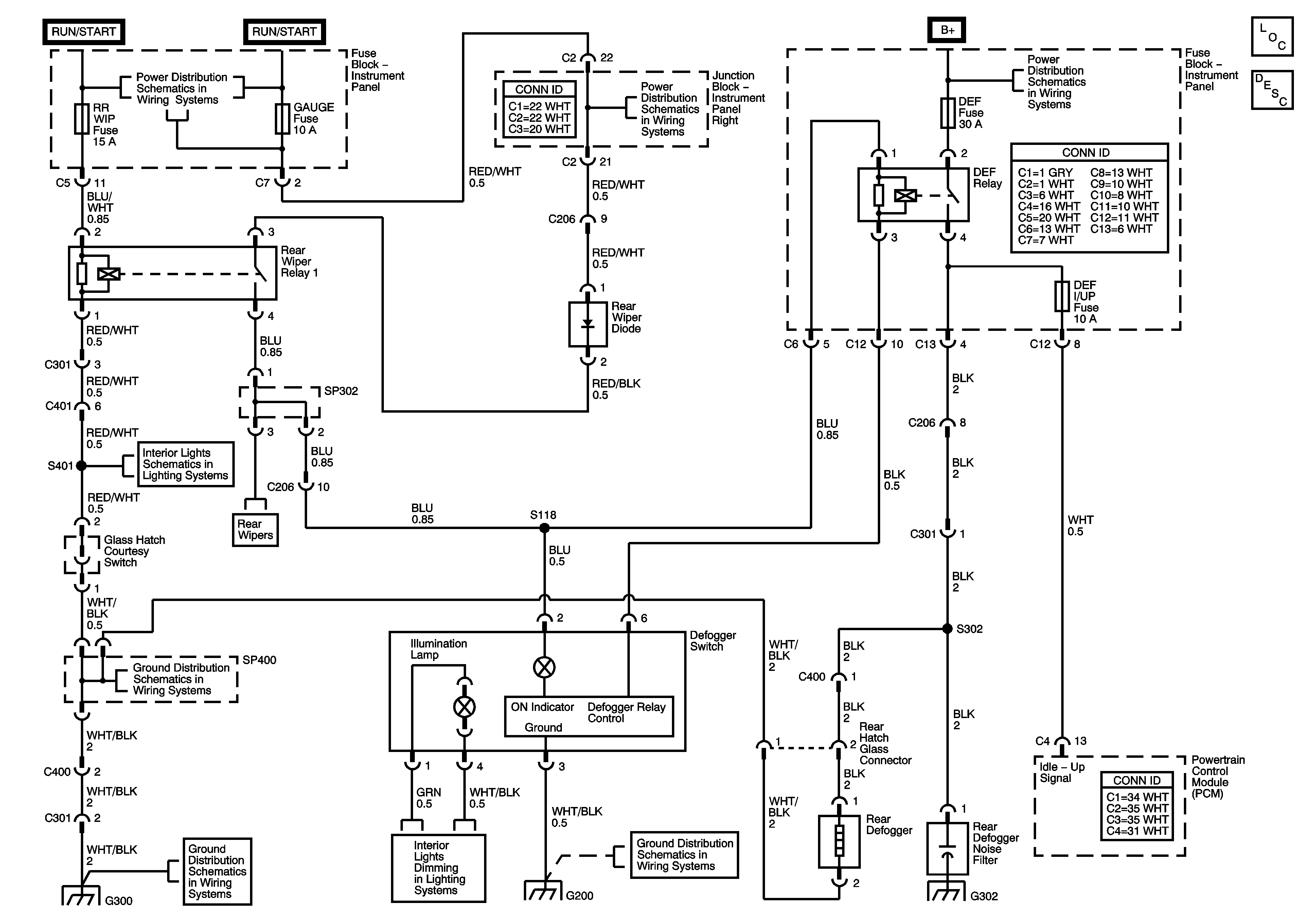
🢒 DefoggerSchematics
DefoggerSchematics
Master Electrical Component List
Rear Window Defogger Description and Operation
WASH, RR WIP, WIPER, ECU-IG, GAUGE, HEATER, and DEF Fuses
WASH, RR WIP, WIPER, ECU-IG, GAUGE, HEATER, and DEF Fuses
SP400
SP200 and G200