GM Service Manual Online
For 1990-2009 cars only
Makes
🢒
Pontiac
🢒
2004
🢒
Vibe - FWD
🢒
Transmission/Transaxle
🢒
Manual Transmission - MTN
🢒 Manual Transmission Schematics
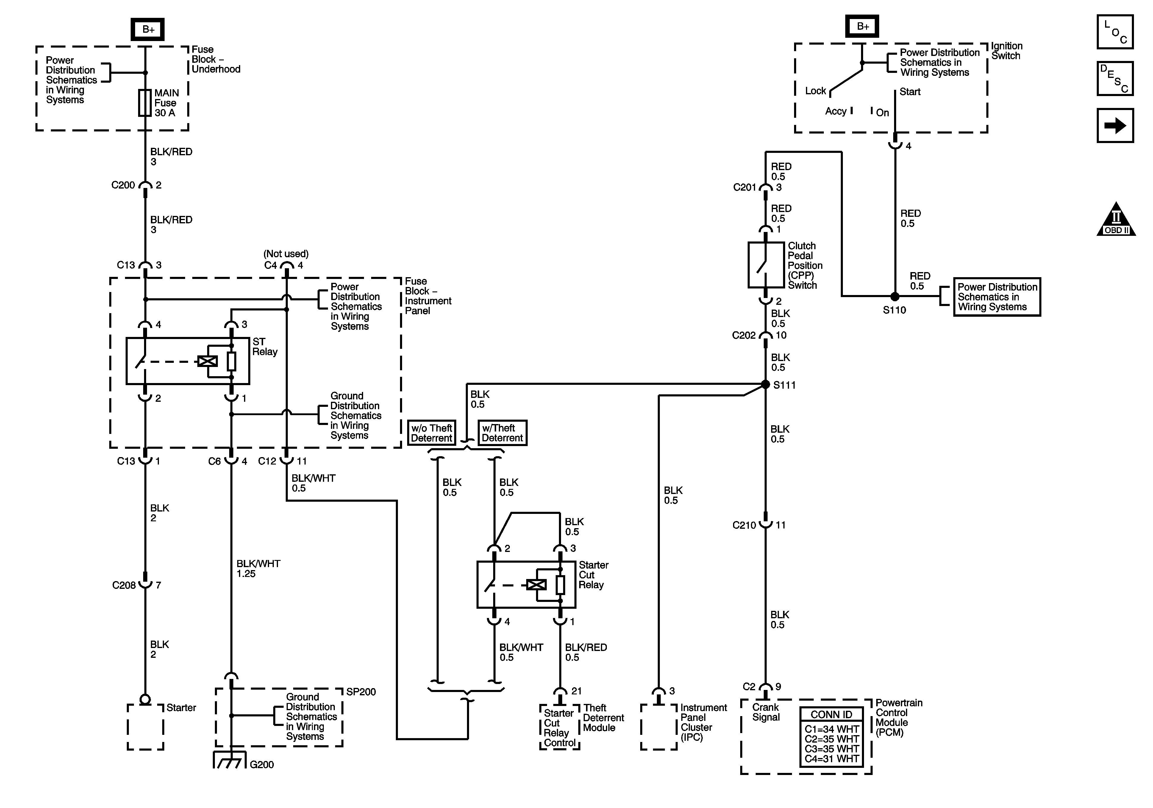
Figure
1:
Starting System, Clutch Pedal Position (CPP) Switch
Master Electrical Component List
Vehicle Speed Input
OBD II Symbol Description Notice
Horn, Dome, Main, Amp Fuses
Horn, Dome, Main, Amp Fuses
Fuse Block-Instrument Panel
SP200 and G200
Ignition Switch (1 of 2)
Ignition Switch (1 of 2)
Figure
2:
Vehicle Speed Input
Master Electrical Component List
Back Up Lamp Switch and Cruise Control Release Switch
Starting System, Clutch Pedal Position (CPP) Switch
OBD II Symbol Description Notice
Wash, RR Wip, Wiper, ECU-IG, Gauge, Heater, Def Fuses
Junction Block-Instrument Panel Right
Junction Block-Instrument Panel Right
G104
G104
Fuel Gauge, Seat Belt Low Fuel Indicators and Seat Belt Buzzer
Horn, Dome, Main, Amp Fuses
Horn, Dome, Main, Amp Fuses
Horn, Dome, Main, Amp Fuses
High Beam, Door Open Indicators and Engine Coolant Temperature (ECT) Gauge
Figure
3:
Backup Lamp Switch, Cruise Control Release Switch
Master Electrical Component List
Vehicle Speed Input
Wash, RR Wip, Wiper, ECU-IG, Gauge, Heater, Def Fuses
Junction Block-Instrument Panel Right
Junction Block-Instrument Panel Right
Cruise Control Module and Indicator
SP300
G202, G300, G301 and G302