GM Service Manual Online
For 1990-2009 cars only
Makes
🢒
Pontiac
🢒
2005
🢒
Vibe - FWD
🢒
Engine
🢒
Engine Cooling
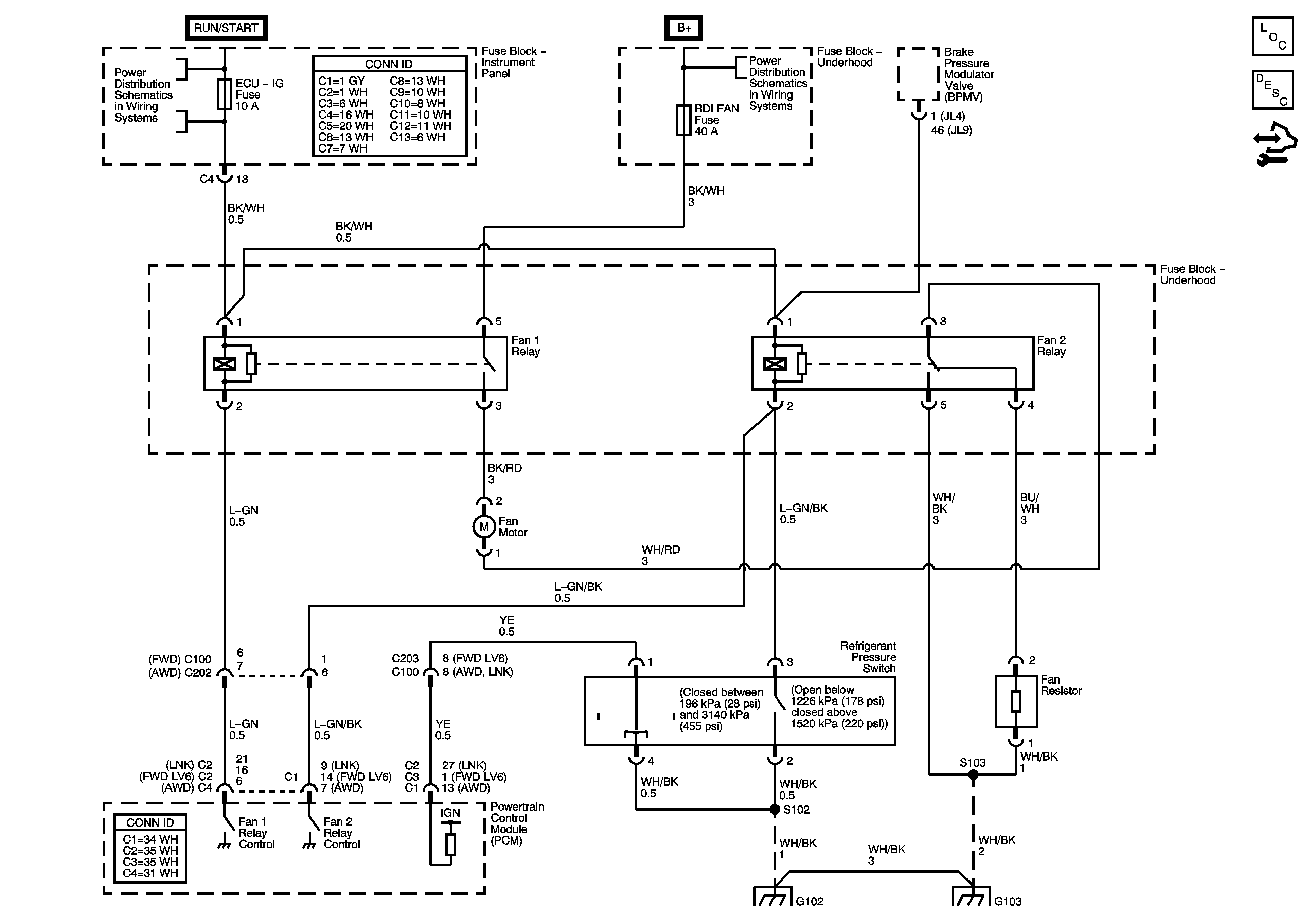
🢒 Engine Cooling Schematics
Master Electrical Component List
Cooling System Description and Operation
Control Module References
Wash, RR Wip, Wiper, ECU-IG, Gauge, Heater, DEF Fuses
Alt, ABS 1 and 2, RDI Fan, Fog Fuses
G100, G101, G102
S103 and G103