GM Service Manual Online
For 1990-2009 cars only
Makes
🢒
Pontiac
🢒
2005
🢒
Vibe - FWD
🢒
Vehicle Control Systems
🢒
Vehicle DTC Information
🢒 OnStar Schematics
Figure
1:
Vehicle Communication Interface Module (VCIM) Power and Ground, Inside Rearview Mirror
Master Electrical Component List
OnStar Description and Operation
Control Module References
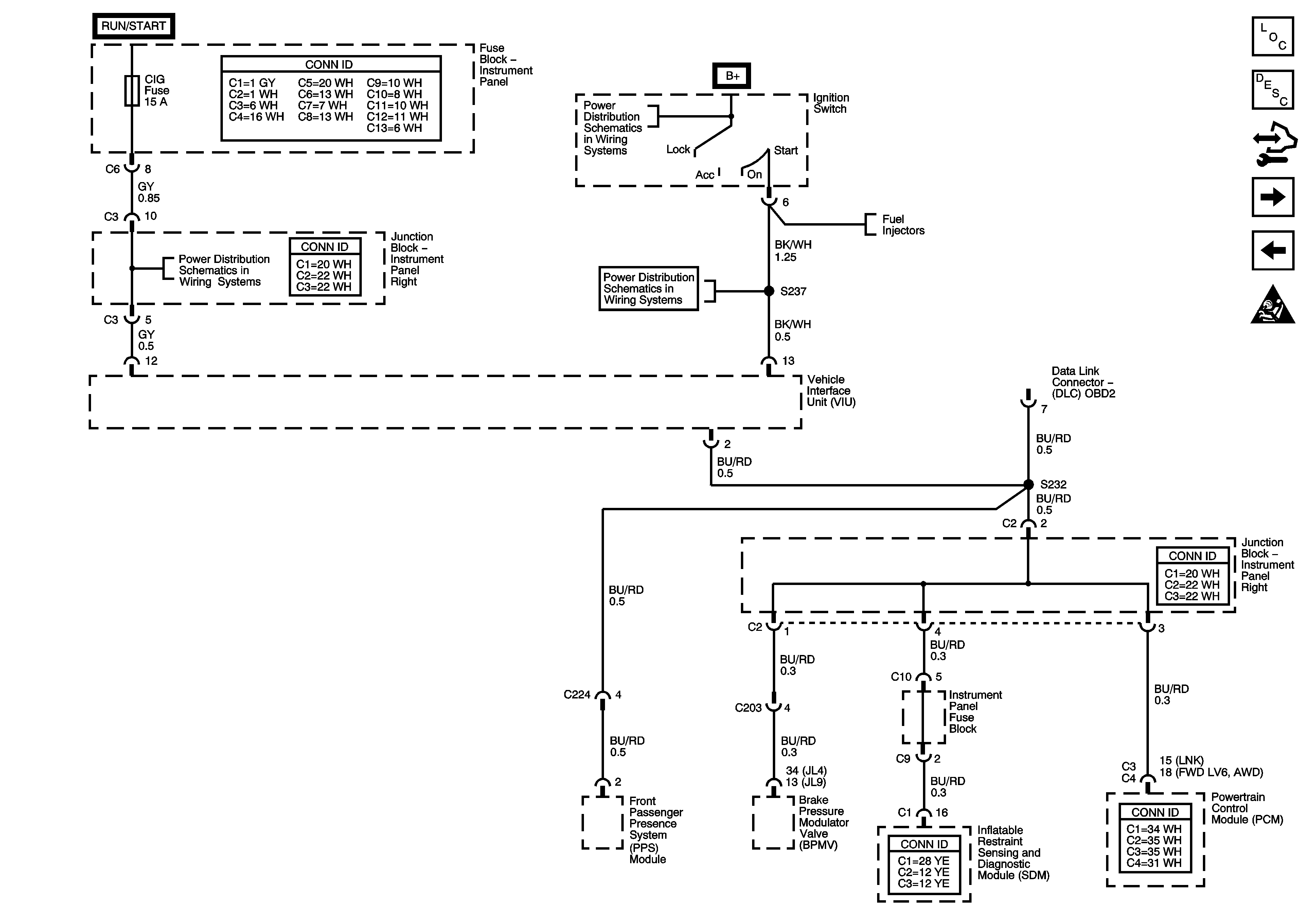
Vehicle Interface Unit (VIU), Data Link Connector (DLC)
Horn, Dome, Main, Amp, Onstar Fuses
Junction Block - Instrument Panel Right
SP201 and G201
Figure
2:
Vehicle Interface Unit (VIU), Data Link Connector (DLC)
Master Electrical Component List
OnStar Description and Operation
Control Module References
Vehicle Interface Unit (VIU)
Vehicle Communication Interface Module (VCIM) Power and Ground, Inside Rearview Mirror
SIR Caution for Zoning
Ignition Switch (1 of 2)
Ignition Switch (2 of 2)
Ignition Switch (2 of 2)
Figure
3:
Vehicle Interface Unit (VIU)
Master Electrical Component List
OnStar Description and Operation
Control Module References
Vehicle Interface Unit (VIU), Data Link Connector (DLC)
SIR Caution for Zoning