GM Service Manual Online
For 1990-2009 cars only
Makes
🢒
Pontiac
🢒
2005
🢒
Vibe - FWD
🢒
Body
🢒
Lighting Systems
🢒 Interior Lights Schematics
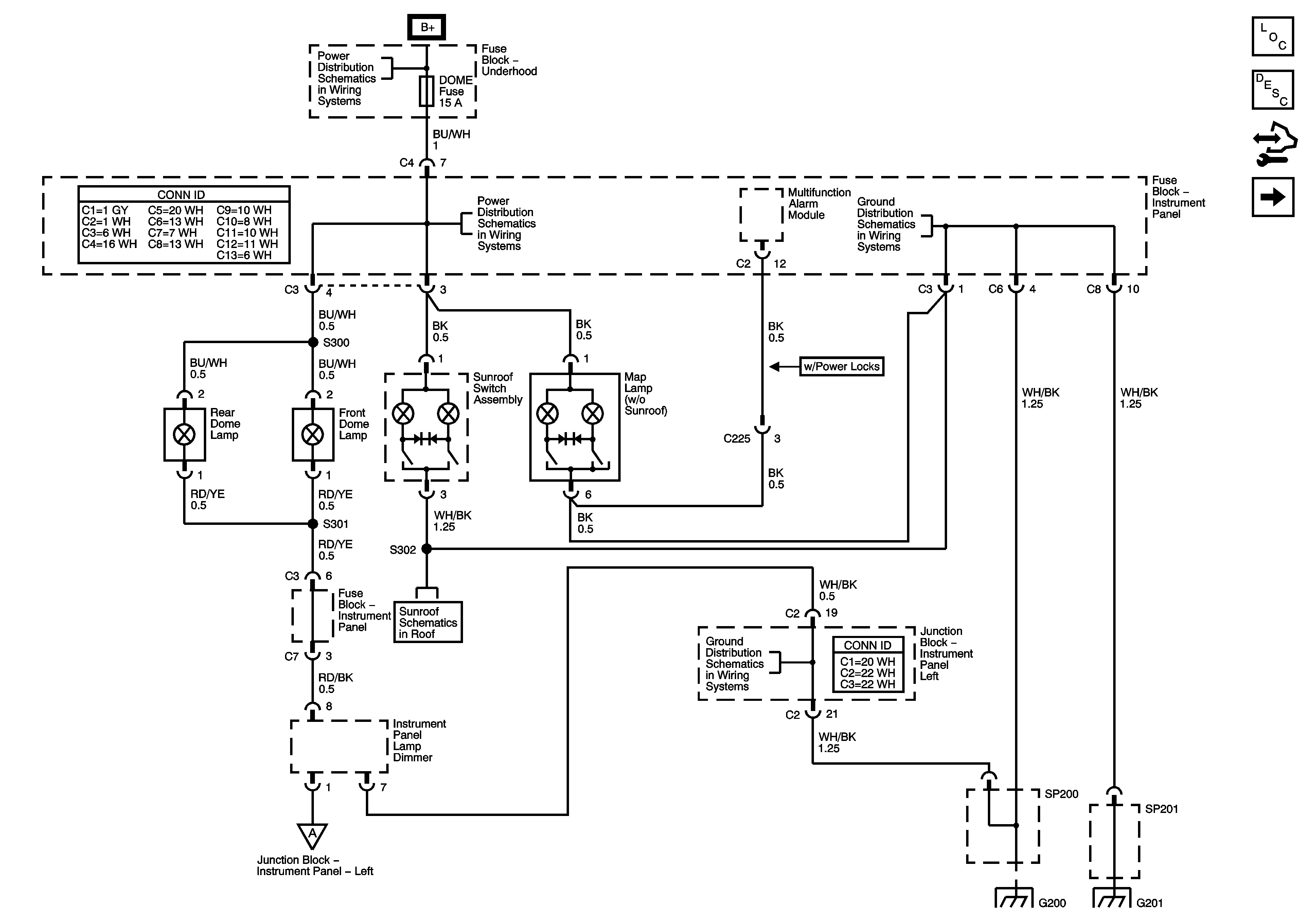
Figure
1:
Dome/Courtesy Lamps
Master Electrical Component List
Interior Lighting Systems Description and Operation
Control Module References
Dome/Courtesy Lamp Switches
Horn, Dome, Main, Amp, Onstar Fuses
Horn, Dome, Main, Amp, Onstar Fuses
Wash, RR Wip, Wiper, ECU-IG, Gauge, Heater, DEF Fuses
Fuse Block - Instrument Panel
Sunroof Schematics
Junction Block - Instrument Panel Left
SP201 and G201
SP201 and G201
Figure
2:
Dome/Courtesy Lamp Switches
Master Electrical Component List
Interior Lighting Systems Description and Operation
Control Module References
Dome/Courtesy Lamps
SP400
G202, G300, G301, G302