GM Service Manual Online
For 1990-2009 cars only
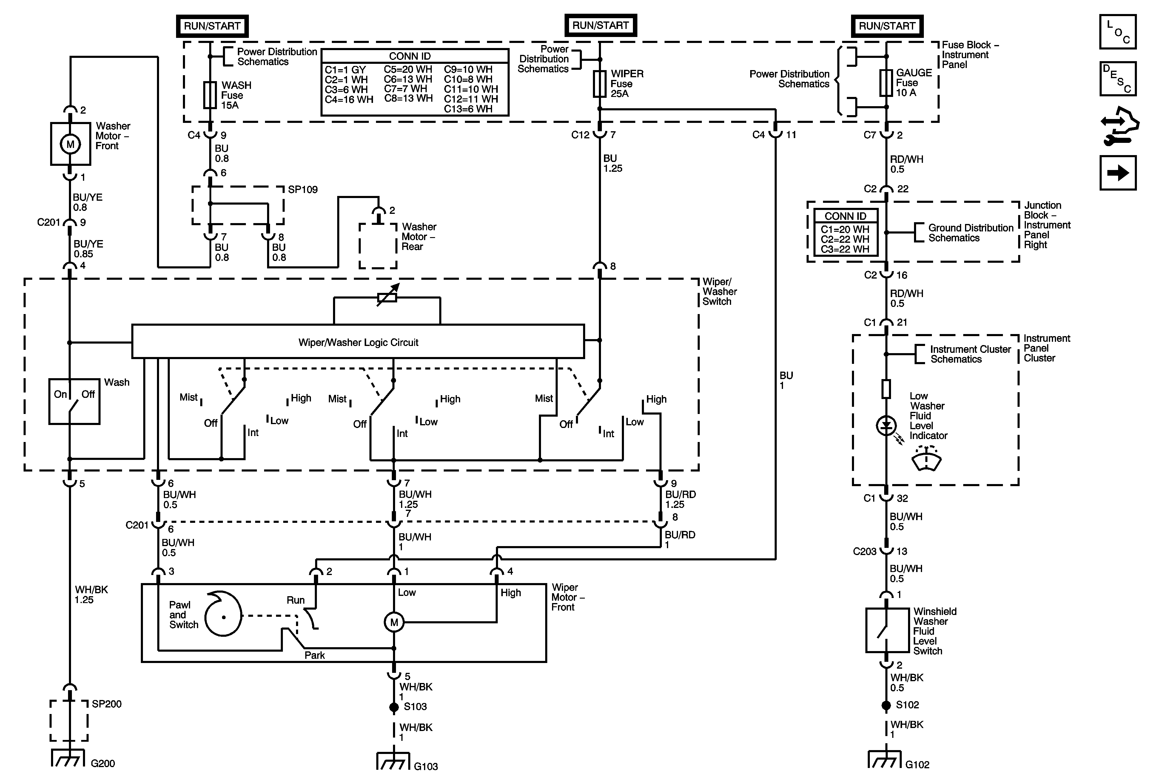
Figure 1:

Front Wiper System


Object Number: 1426642  Size: FS
Master Electrical Component List
Wiper/Washer System Description and Operation
Control Module References
Rear Wiper System With Prewash/Wiper Function
Wash, RR Wip, Wiper, ECU-IG, Gauge, Heater, DEF Fuses
Wash, RR Wip, Wiper, ECU-IG, Gauge, Heater, DEF Fuses
Wash, RR Wip, Wiper, ECU-IG, Gauge, Heater, DEF Fuses
Junction Block - Instrument Panel Right
Fuel Gauge, Seat Belt Low Fuel Indicators, Passenger Sea Belt Warning Lamp
G100, G101, G102
S103 and G103
SP201 and G201
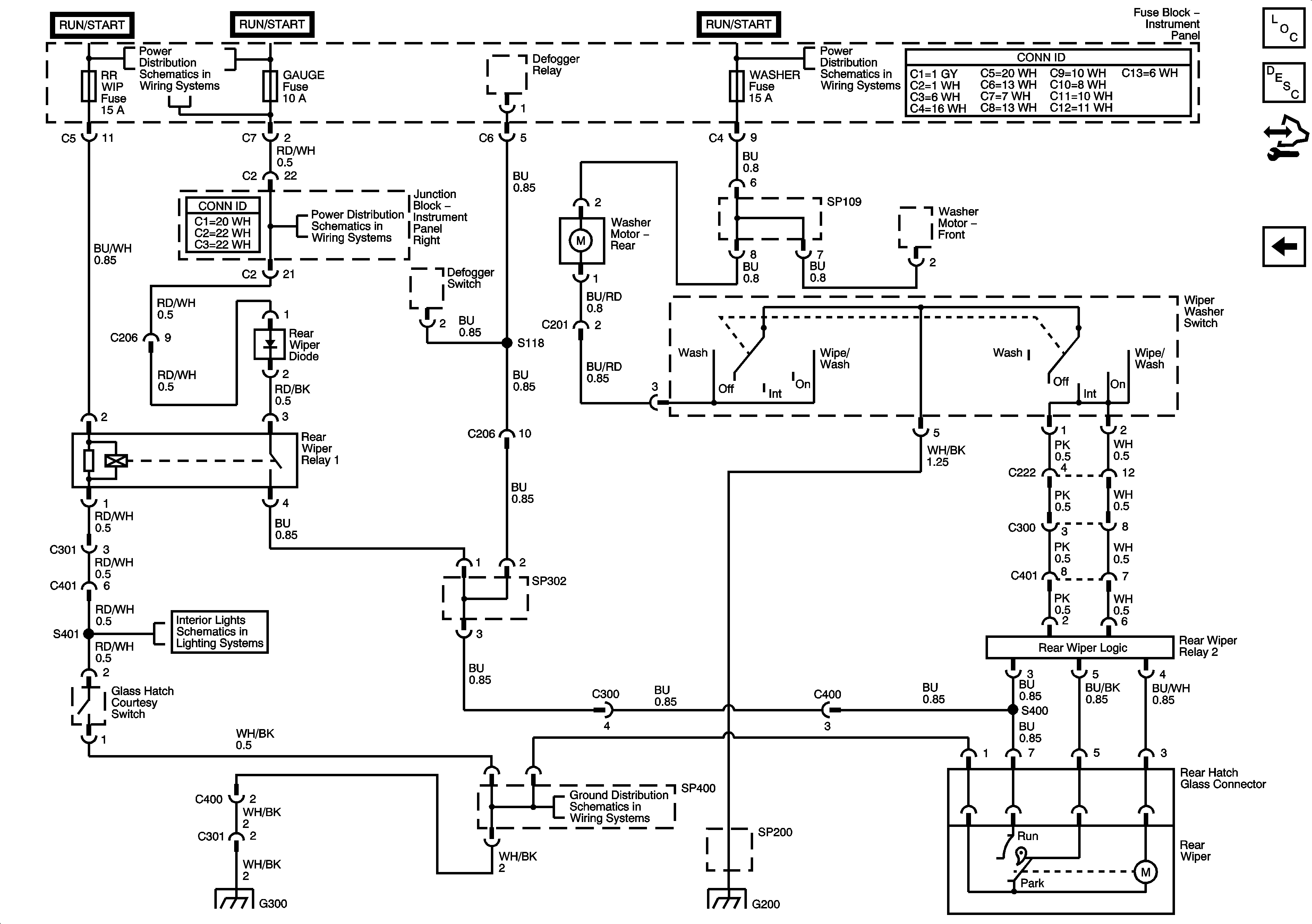
Figure 2:

Rear Wiper System With Prewash/Wiper Function


Object Number: 785543  Size: FS
Master Electrical Component List
Rear Wiper/Washer System Description and Operation
Control Module References
Rear Wiper System With Prewash Function
Front Wiper System
Wash, RR Wip, Wiper, ECU-IG, Gauge, Heater, DEF Fuses
Wash, RR Wip, Wiper, ECU-IG, Gauge, Heater, DEF Fuses
Junction Block - Instrument Panel Right
Dome/Courtesy Lamp Switches
G202, G300, G301, G302
SP201 and G201
SP400
Figure 3:

Rear Wiper System With Prewash Function


Object Number: 1426646  Size: FS
Master Electrical Component List
Rear Wiper/Washer System Description and Operation
Control Module References
Rear Wiper System With Prewash/Wiper Function
Wash, RR Wip, Wiper, ECU-IG, Gauge, Heater, DEF Fuses
Wash, RR Wip, Wiper, ECU-IG, Gauge, Heater, DEF Fuses
Junction Block - Instrument Panel Right
Dome/Courtesy Lamp Switches
G202, G300, G301, G302
SP201 and G201
SP400