GM Service Manual Online
For 1990-2009 cars only
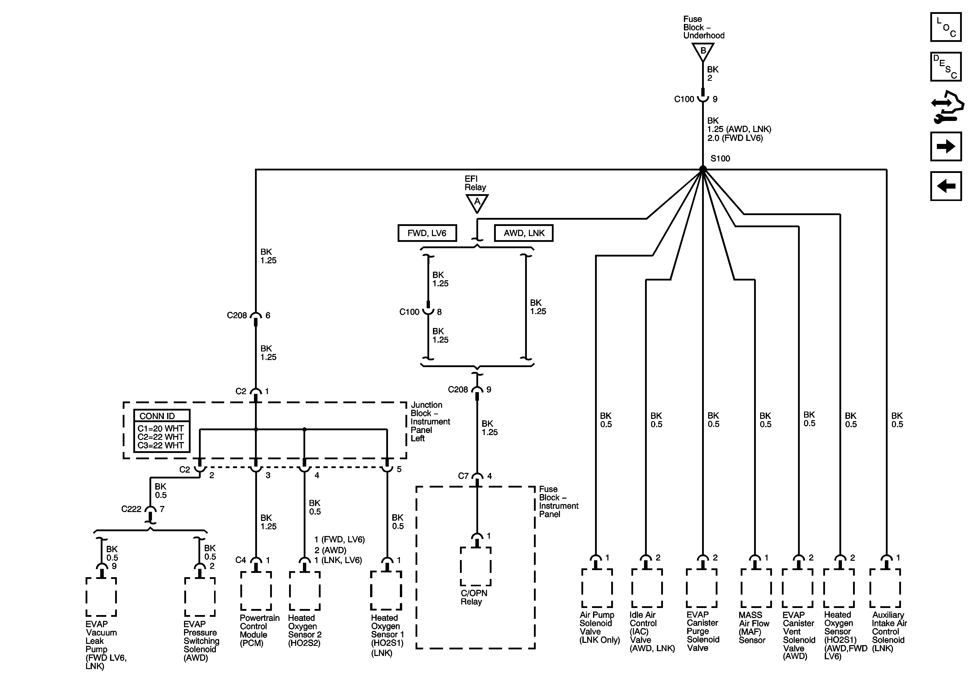
Figure 1:

Air Pump, ETCS, Head, Alt S, EFI, Hazard, EFI 2 Fuses


Object Number: 1422166  Size: FS
Master Electrical Component List
Control Module References
S100
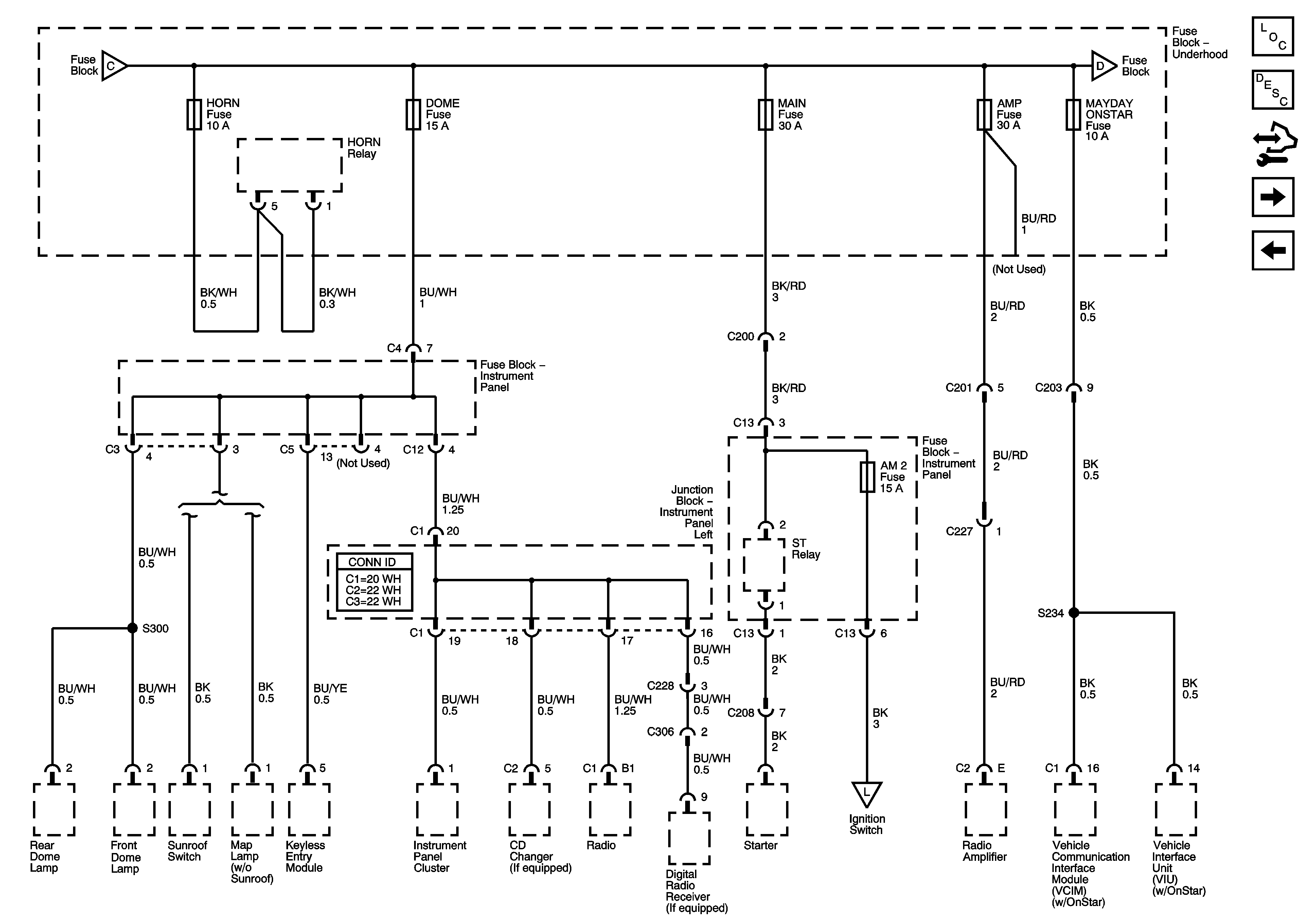
Figure 2:

S100


Object Number: 1422169  Size: FS
Master Electrical Component List
Control Module References
Horn, Dome, Main, Amp, Onstar Fuses
Air Pump, ETCS, Head, Alt S, EFI, EFI 2, Hazard Fuses
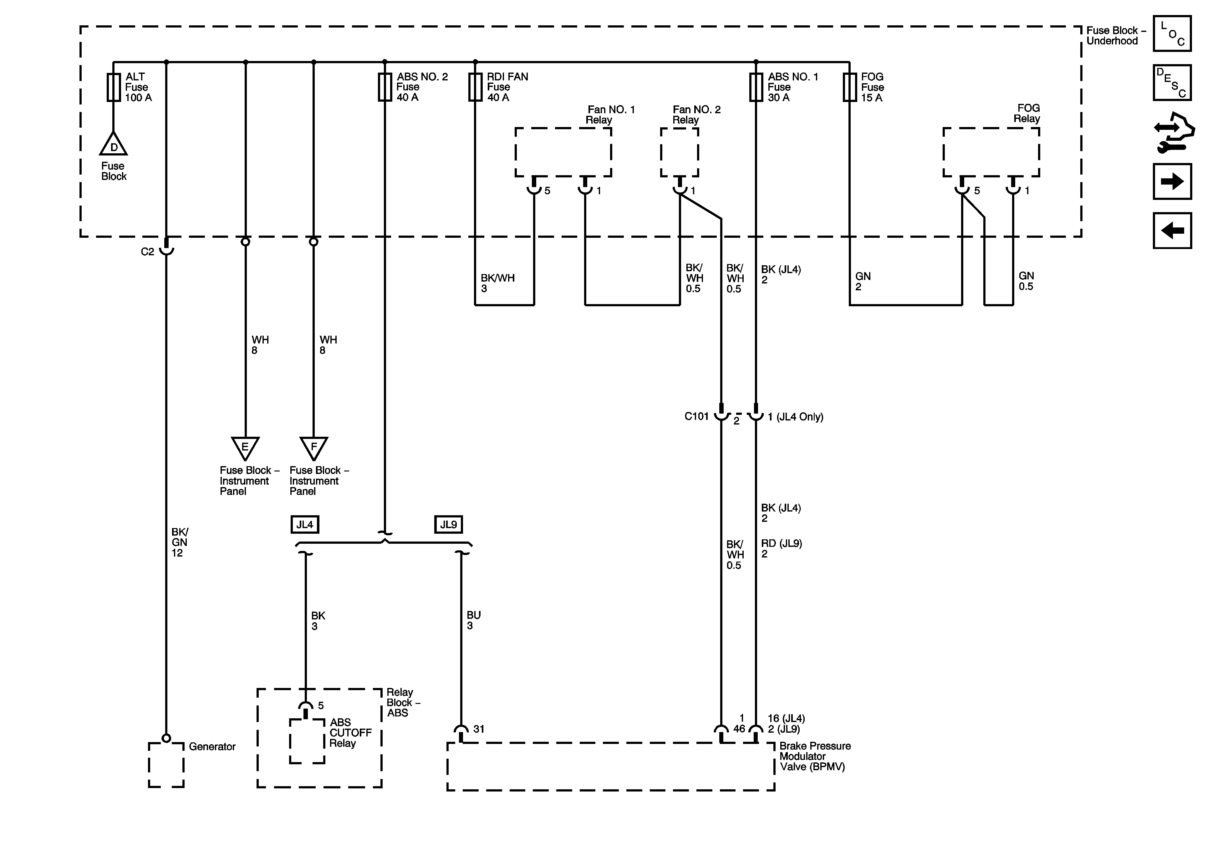
Figure 3:

Horn, Dome, Main, Amp, Onstar Fuses


Object Number: 1422171  Size: FS
Master Electrical Component List
Control Module References
Alt, ABS 1 and 2, RDI Fan, Fog Fuses
S100
Figure 4:

Alt, ABS 1 and 2, RDI Fan, Fog Fuses


Object Number: 1422173  Size: FS
Master Electrical Component List
Control Module References
Power, AM 1, Door, Tail, P/Point, ECU-B, Stop, OBD, INV, Fuses
Horn, Dome, Main, Amp, Onstar Fuses
Figure 5:

Power, AM 1, Door, Tail, P/Point, ECU-B, Stop, OBD, INV Fuses


Object Number: 1422174  Size: FS
Master Electrical Component List
Control Module References
Wash, RR Wip, Wiper, ECU-IG, Gauge, Heater, DEF Fuses
Alt, ABS 1 and 2, RDI Fan, Fog Fuses
Figure 6:

Wash, RR Wip, Wiper, ECU-IG, Gauge, Heater, DEF Fuses


Object Number: 1422175  Size: FS
Master Electrical Component List
Control Module References
P/W Relay, SP109
Power, AM 1, Door, Tail, P/Point, ECU-B, Stop, OBD, INV, Fuses
Figure 7:

P/W Relay, SP109, S230


Object Number: 1422176  Size: FS
Master Electrical Component List
Control Module References
Junction Block - Instrument Panel Right
Wash, RR Wip, Wiper, ECU-IG, Gauge, Heater, DEF Fuses
Figure 8:

Junction Block - Instrument Panel Right


Object Number: 1422177  Size: FS
Master Electrical Component List
Control Module References
Ignition Switch (1 of 2)
P/W Relay, SP109
Figure 9:

Ignition Switch 1 of 2


Object Number: 1422178  Size: FS
Master Electrical Component List
Control Module References
Ignition Switch (2 of 2)
Junction Block - Instrument Panel Right
Figure 10:

Ignition Switch - 2 of 2


Object Number: 1422180  Size: FS
Master Electrical Component List
Control Module References
Ignition Switch (1 of 2)
SIR Caution for Zoning