GM Service Manual Online
For 1990-2009 cars only
Makes
🢒
Pontiac
🢒
2005
🢒
Vibe - FWD
🢒 3 of 3
3 of 3
3 of 3
Master Electrical Component List
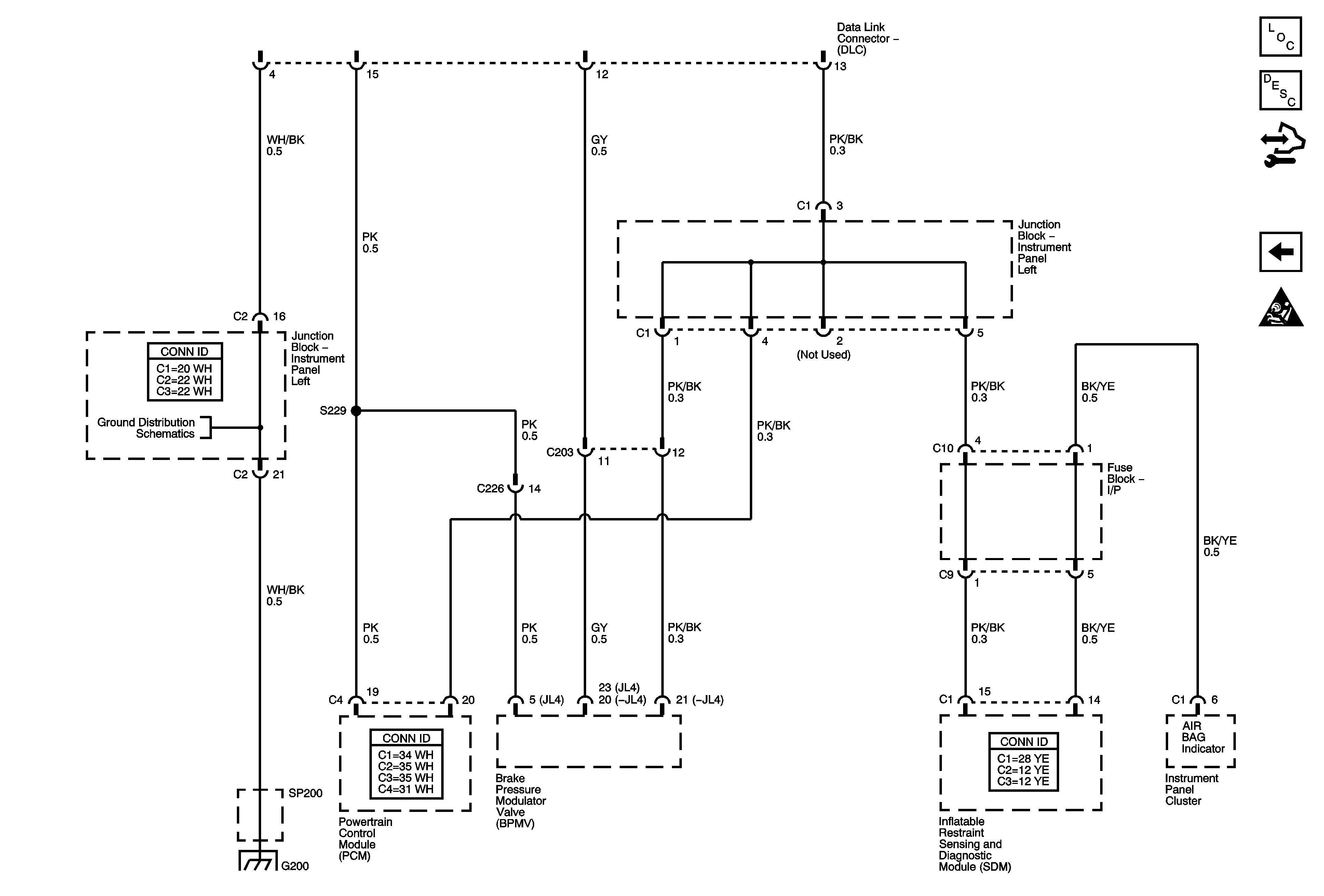
Data Link Communications Description and Operation
Control Module References
2 of 3
Data Communication Schematic Icons
G100, G101, G102