GM Service Manual Online
For 1990-2009 cars only
Makes
🢒
Pontiac
🢒
2005
🢒
Vibe - FWD
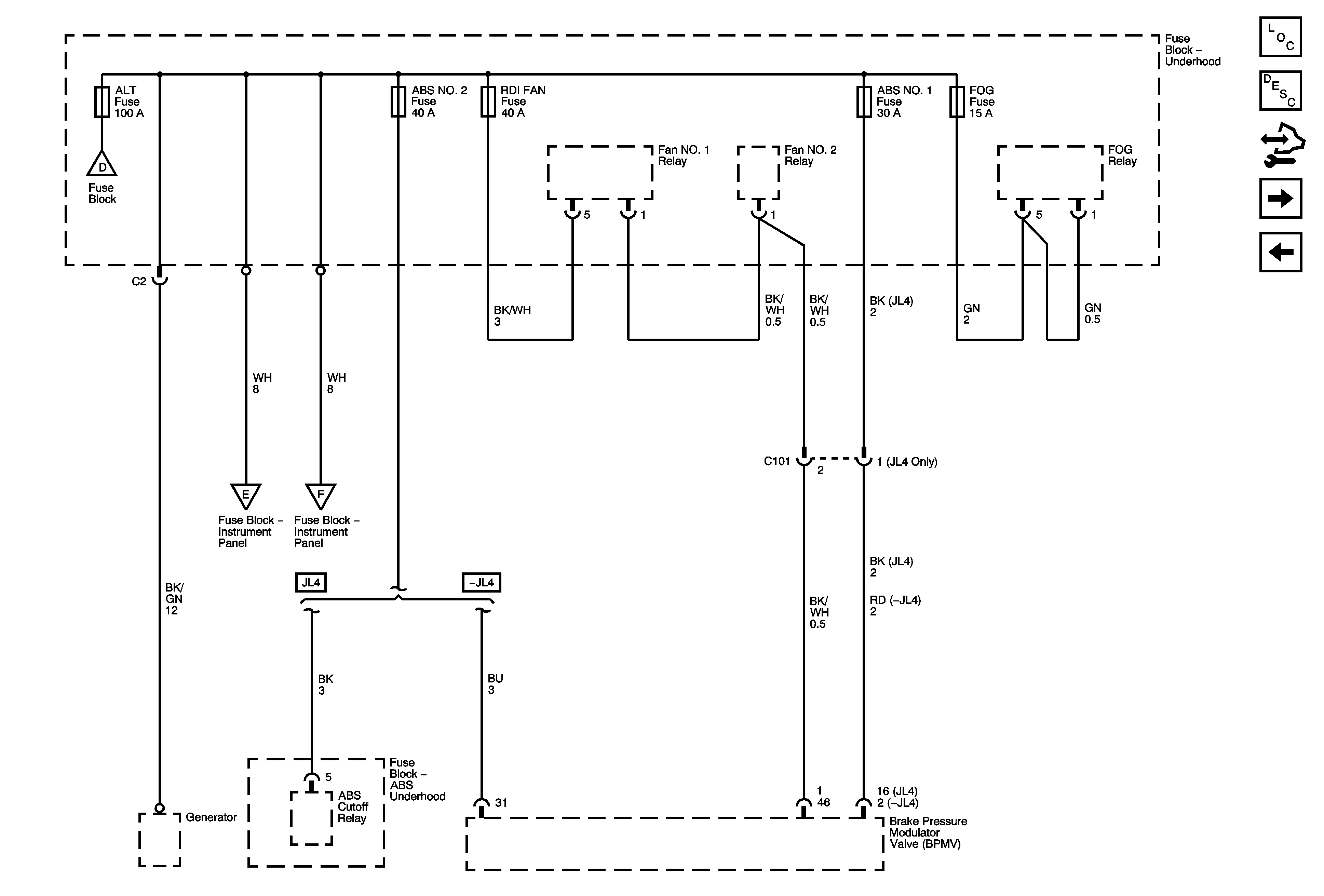
🢒 Alt, ABS 1 and 2, RDI Fan, Fog Fuses
Alt, ABS 1 and 2, RDI Fan, Fog Fuses
Alt, ABS 1 and 2, RDI Fan, Fog Fuses
Master Electrical Component List
Control Module References
Power, AM1, Door, Tail, P/Point, ECU - B, Stop, OBD, INV Fuses
Horn, Dome, Main, Amp, OnStar Fuses