GM Service Manual Online
For 1990-2009 cars only
Makes
🢒
Pontiac
🢒
2005
🢒
Vibe - FWD
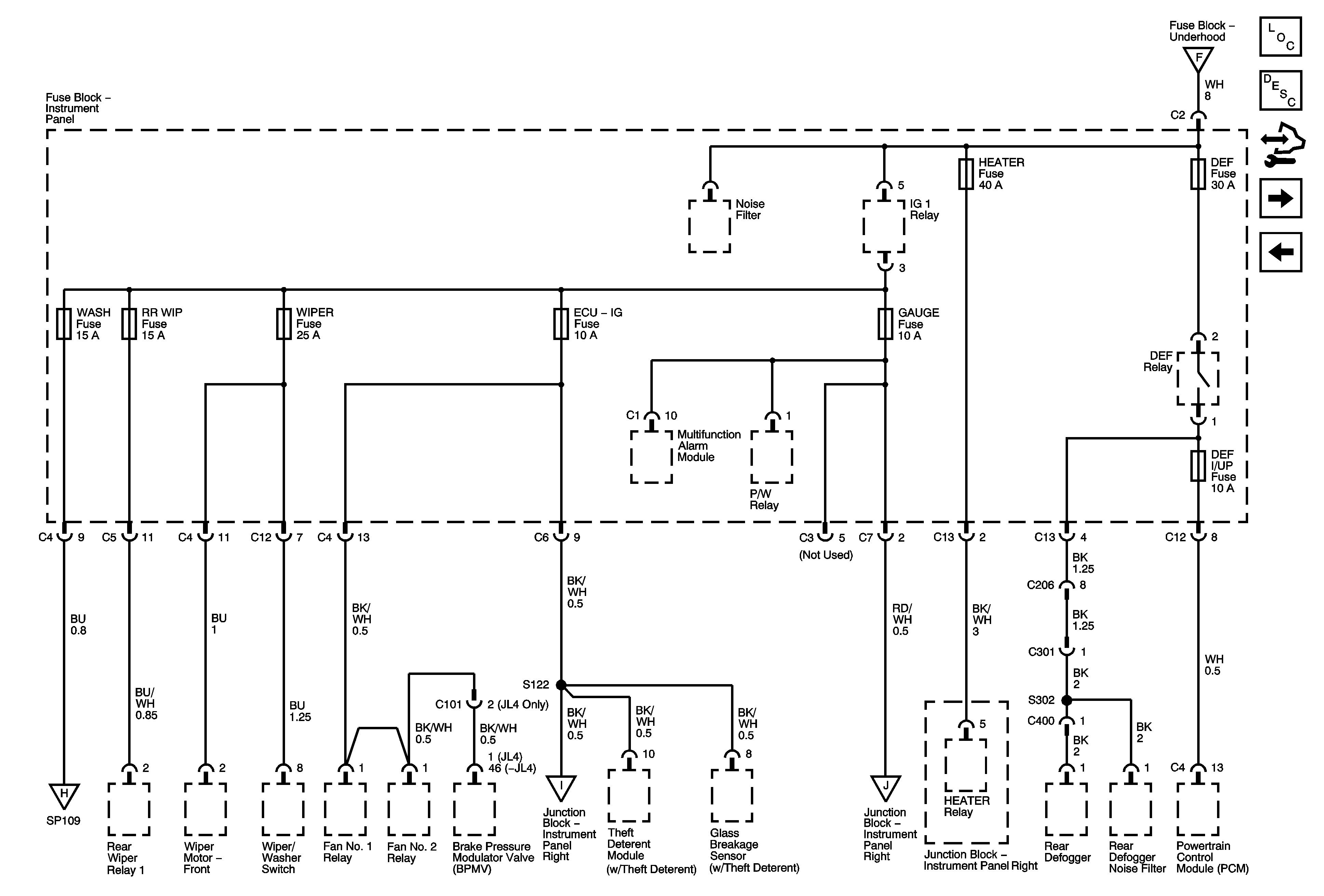
🢒 Wash, RRWIP, Wiper, ECU - IG, Gage, Heater, DEF Fuses
Wash, RRWIP, Wiper, ECU - IG, Gage, Heater, DEF Fuses
Wash, RR WIP, Wiper, ECU-IG, Gage, Heater, DEF Fuses
Master Electrical Component List
Control Module References
P/W Relay, SP109, S230
Power, AM1, Door, Tail, P/Point, ECU - B, Stop, OBD, INV Fuses