GM Service Manual Online
For 1990-2009 cars only
Makes
🢒
Pontiac
🢒
2005
🢒
Vibe - FWD
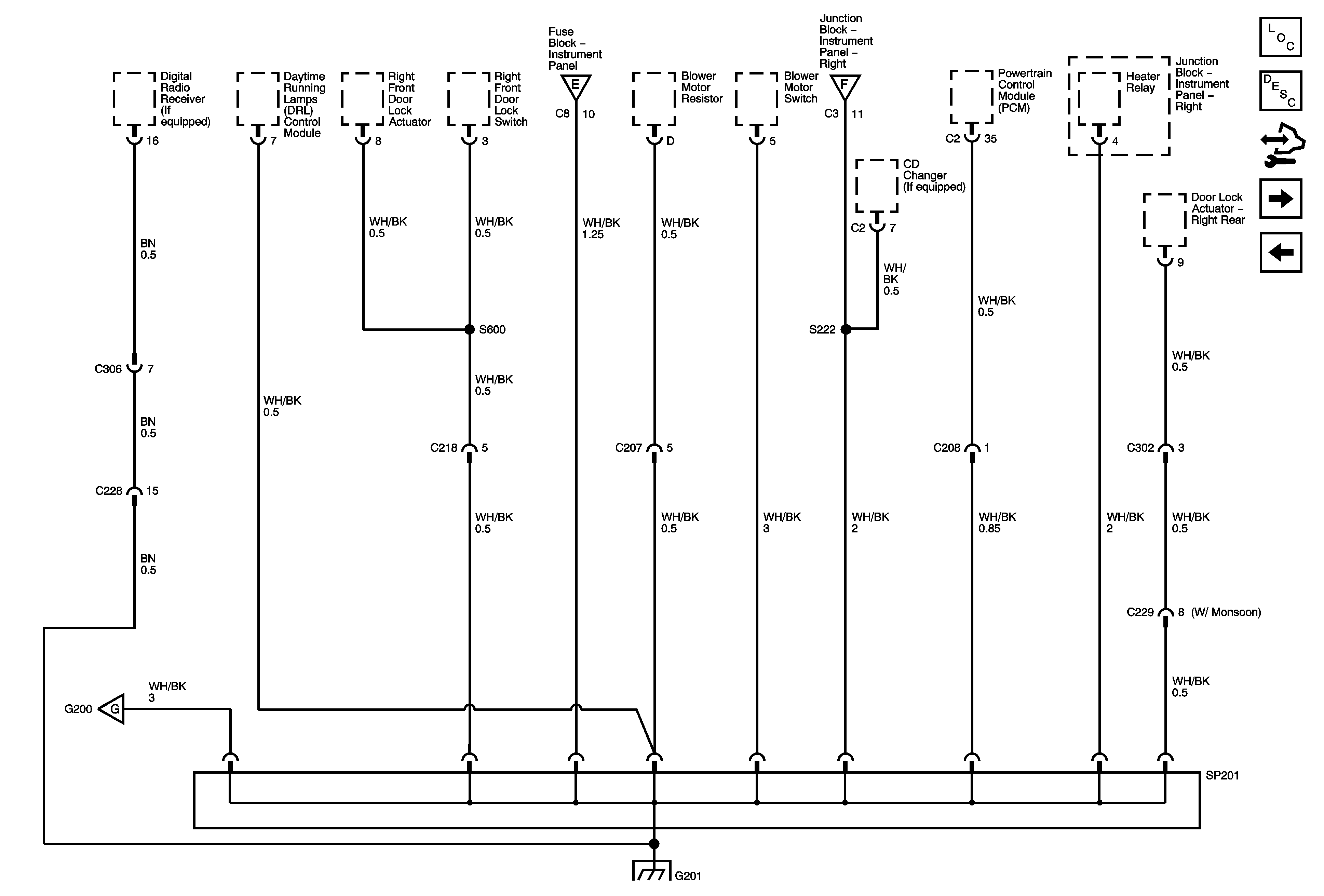
🢒 SP201 and G201
SP201 and G201
SP201 and G201
Master Electrical Component List
Control Module References
Junction Block Instrument Panel - Right
Fuse Block - Instrument Panel