GM Service Manual Online
For 1990-2009 cars only
Figure 1:

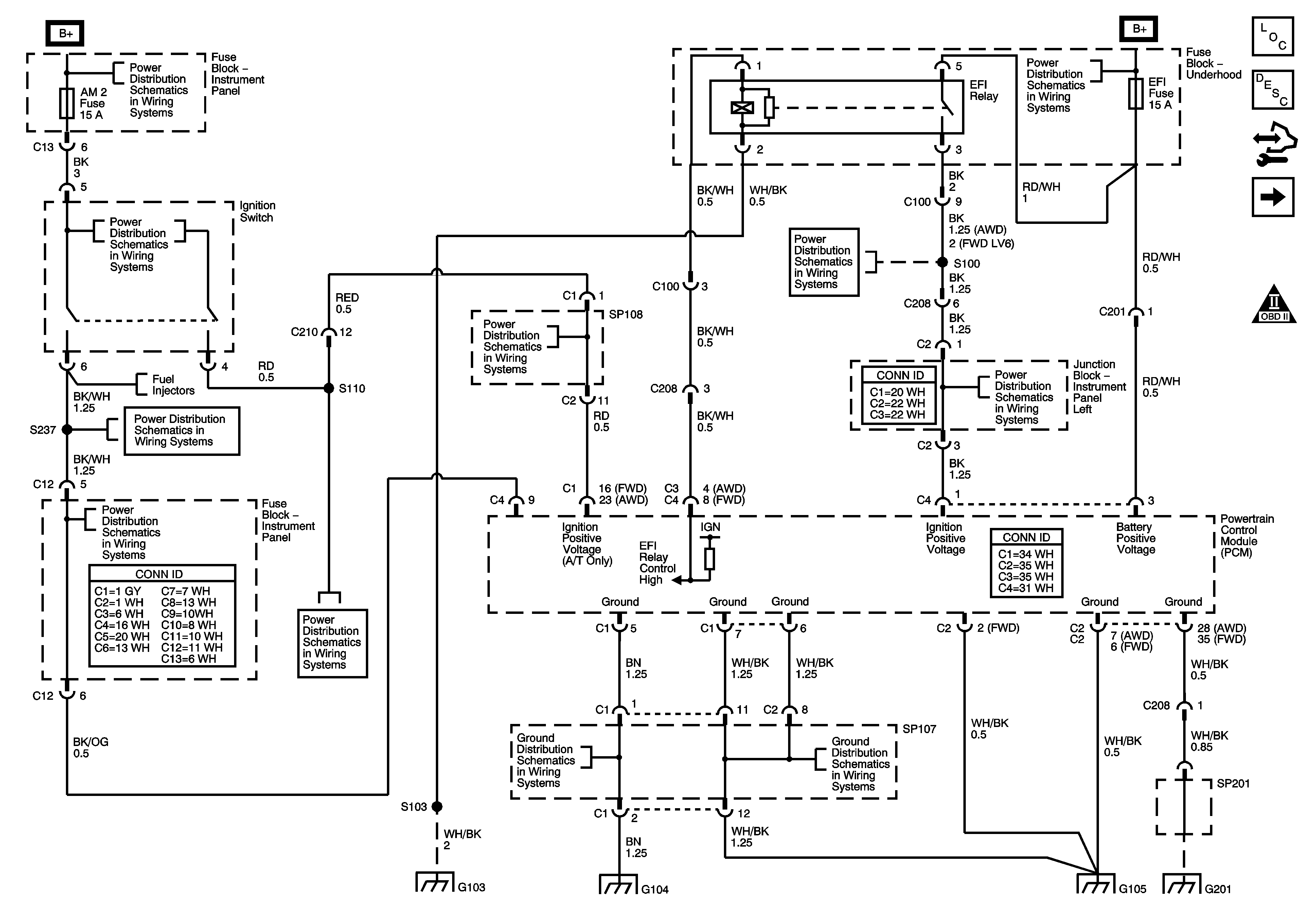
Powertrain Control Module (PCM) Power and Ground


Object Number: 1666789  Size: FS
Master Electrical Component List
Powertrain Control Module Description
Control Module References
EFI Relay, S100
Engine Controls Schematic Icons
Horn, Dome, Main, Amp, OnStar Fuses
Air Pump, ETCS, Head, Alt S, EFI, Hazard EFI 2 Fuses
Ignition Switch 1 of 2
Air Pump, ETCS, Head, Alt S, EFI, Hazard EFI 2 Fuses
Air Pump, ETCS, Head, Alt S, EFI, Hazard EFI 2 Fuses
Fuel Injectors
S100
Air Pump, ETCS, Head, Alt S, EFI, Hazard EFI 2 Fuses
Air Pump, ETCS, Head, Alt S, EFI, Hazard EFI 2 Fuses
Air Pump, ETCS, Head, Alt S, EFI, Hazard EFI 2 Fuses
SP107, SP108, G104
SP107, SP108, G104
S103, G103
SP107, SP108, G104
S105, G105, G106, G107, G108
SP201 and G201
Figure 2:

EFI Relay, S100


Object Number: 1666790  Size: FS
Master Electrical Component List
Powertrain Control Module Description
Control Module References
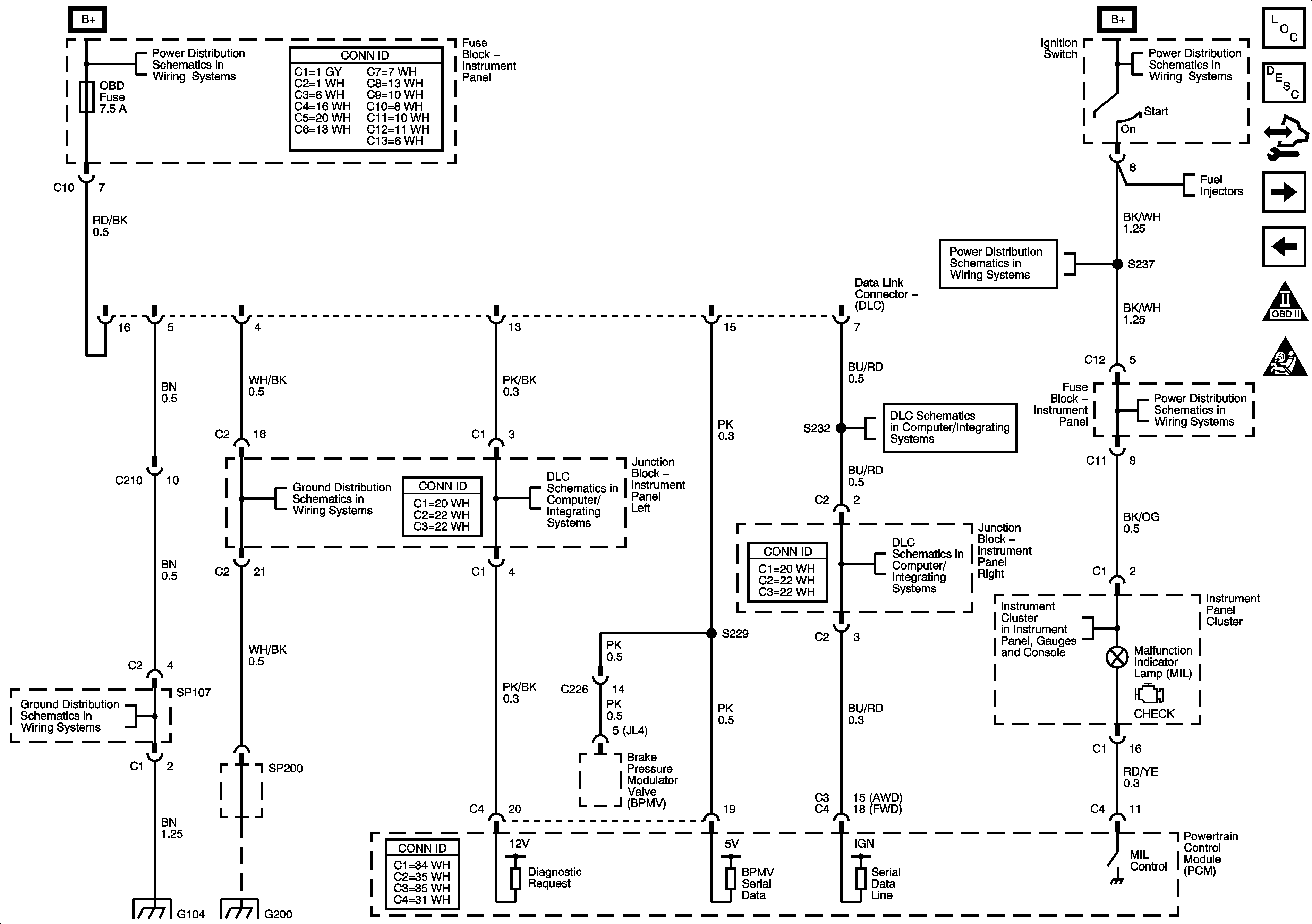
Data Link Connector (DLC)
Powertrain Control Module (PCM) Power and Ground
Engine Controls Schematic Icons
Air Pump, ETCS, Head, Alt S, EFI, Hazard EFI 2 Fuses
S103, G103
Figure 3:

Data Link Connector


Object Number: 1666791  Size: FS
Master Electrical Component List
Powertrain Control Module Description
Control Module References
Fuel Sender Assembly
EFI Relay, S100
Engine Controls Schematic Icons
Engine Controls Schematic Icons
Power, AM 1, Door, Tail, P/Point, ECU-B, Stop, OBD, INV Fuses
Ignition Switch 1 of 2
Fuel Injectors
Air Pump, ETCS, Head, Alt S, EFI, Hazard EFI 2 Fuses
Computer/Integrating Systems DLC Schematic Figure for Graphic 1666852
Air Pump, ETCS, Head, Alt S, EFI, Hazard EFI 2 Fuses
Junction Block Instrument Panel - Left
Computer/Integrating Systems DLC Schematic Figure for Graphic 1666852
Computer/Integrating Systems DLC Schematic Figure for Graphic 1666852
Charge, Air Bag, Malfunction, O/D OFF, Cruise Indicators
SP107, SP108, G104
Figure 4:

Fuel Sender Assembly


Object Number: 1666792  Size: FS
Master Electrical Component List
Fuel System Description
Control Module References
Fuel Injectors
Data Link Connector (DLC)
Engine Controls Schematic Icons
Air Pump, ETCS, Head, Alt S, EFI, Hazard EFI 2 Fuses
Ignition Switch 1 of 2
Fuel Injectors
Air Pump, ETCS, Head, Alt S, EFI, Hazard EFI 2 Fuses
Air Pump, ETCS, Head, Alt S, EFI, Hazard EFI 2 Fuses
S100
S103, G103
G202, G300, G301, G302
Figure 5:

Fuel Injectors


Object Number: 1422201  Size: FS
Master Electrical Component List
Fuel System Description
Control Module References
Ignition Coils
Fuel Sender Assembly
Engine Controls Schematic Icons
Ignition Switch 1 of 2
Ignition Switch 1 of 2
Figure 6:

Ignition Coils


Object Number: 1666794  Size: FS
Master Electrical Component List
Electronic Ignition (EI) System Description
Control Module References
Accelerator Pedal Position (APP) Sensors
Fuel Injectors
Engine Controls Schematic Icons
Ignition Switch 1 of 2
Air Pump, ETCS, Head, Alt S, EFI, Hazard EFI 2 Fuses
Air Pump, ETCS, Head, Alt S, EFI, Hazard EFI 2 Fuses
S105, G105, G106, G107, G108
S105, G105, G106, G107, G108
Figure 7:

Accelerator Pedal Position (APP) Sensor


Object Number: 1470559  Size: FS
Master Electrical Component List
Control Module References
EVAP System (FWD)
Ignition Coils
Engine Controls Schematic Icons
Air Pump, ETCS, Head, Alt S, EFI, Hazard EFI 2 Fuses
Figure 8:

EVAP System (FWD)


Object Number: 1666795  Size: FS
Master Electrical Component List
Evaporative Emission Control System Description
Control Module References
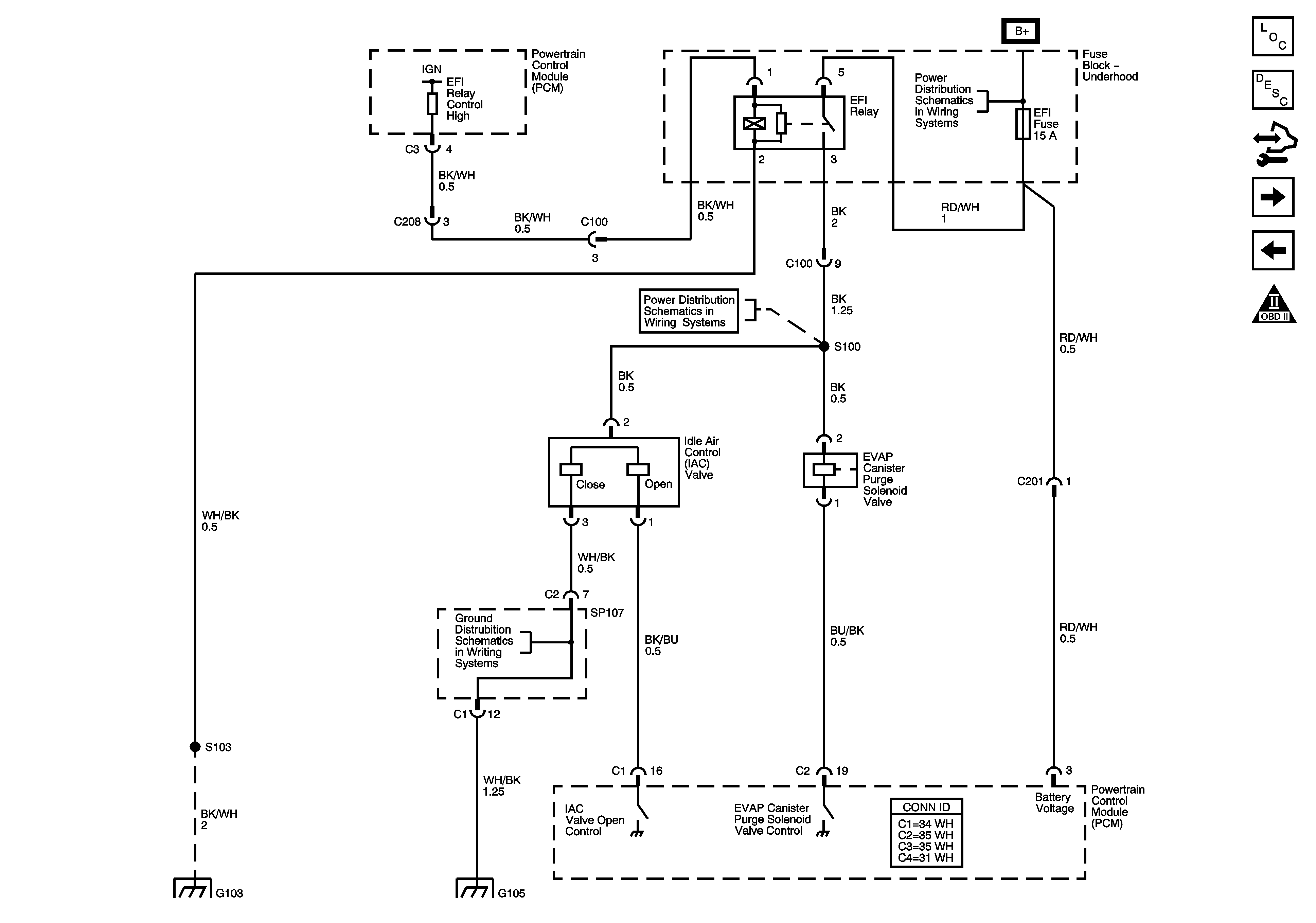
Idle Air Control (IAC) Valve and EVAP System (AWD)
Accelerator Pedal Position (APP) Sensors
Engine Controls Schematic Icons
EFI Relay, S100
Air Pump, ETCS, Head, Alt S, EFI, Hazard EFI 2 Fuses
S100
G202, G300, G301, G302
Figure 9:

Idle Air Control Valve and EVAP System (AWD)


Object Number: 1666796  Size: FS
Master Electrical Component List
Evaporative Emission Control System Description
Control Module References
Engine Coolant Temperature (ECT) Sensor, Fuel Tank Pressure (FTP) Sensor, Throttle Actuator Control (TAC) Module (FWD)
EVAP System (FWD)
Engine Controls Schematic Icons
Air Pump, ETCS, Head, Alt S, EFI, Hazard EFI 2 Fuses
Air Pump, ETCS, Head, Alt S, EFI, Hazard EFI 2 Fuses
SP107, SP108, G104
S103, G103
S105, G105, G106, G107, G108
Figure 10:

Engine Coolant Temperature (ECT) Sensor, Fuel Tank Pressure (FTP) Sensor, Throttle Actuator Control (TAC) Module (FWD)


Object Number: 1422267  Size: FS
Master Electrical Component List
Throttle Actuator Control (TAC) System Description
Control Module References
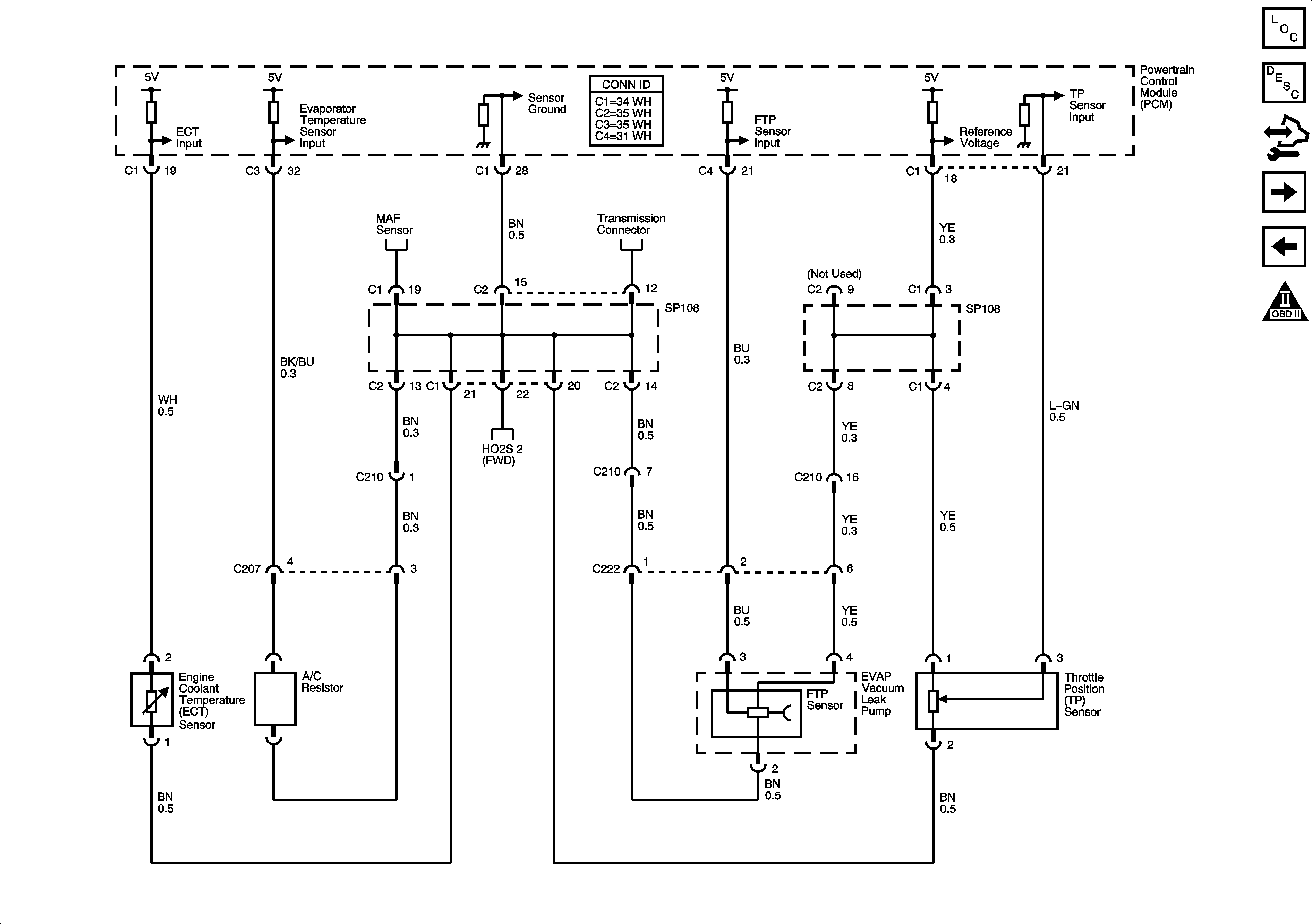
Engine Coolant Temperature (ECT) Sensor, A/C Resistor, Fuel Tank Pressure (FTP) Sensor, Throttle Position (TP) Sensor (AWD)
Idle Air Control (IAC) Valve and EVAP System (AWD)
Engine Controls Schematic Icons
Figure 11:

Engine Coolant Temperature (ECT) Sensor, A/C Resistor, Fuel Tank Pressure (FTP) Sensor, Throttle Position (TP) Sensor (AWD)


Object Number: 1666797  Size: FS
Master Electrical Component List
Fuel System Description
Control Module References
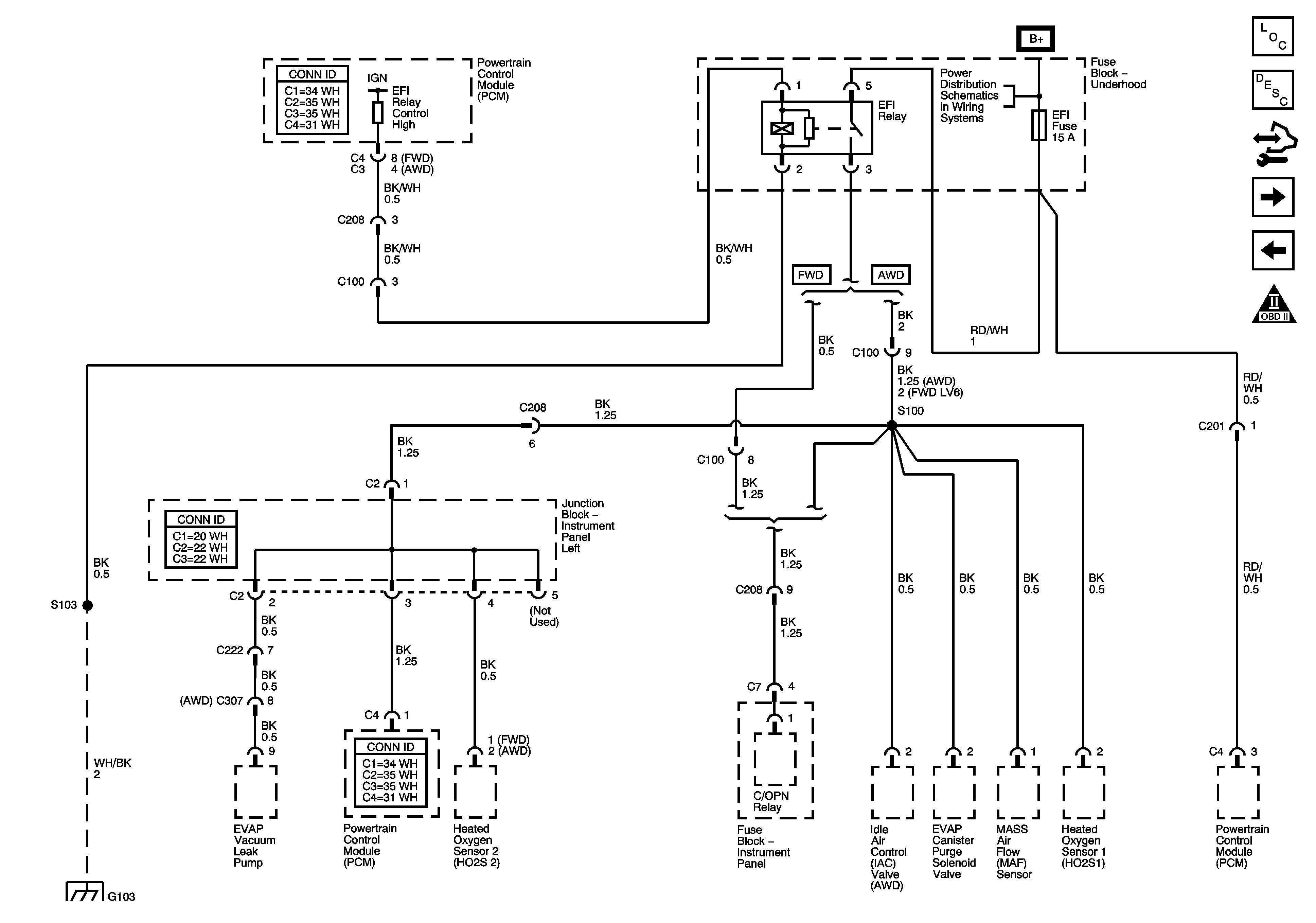
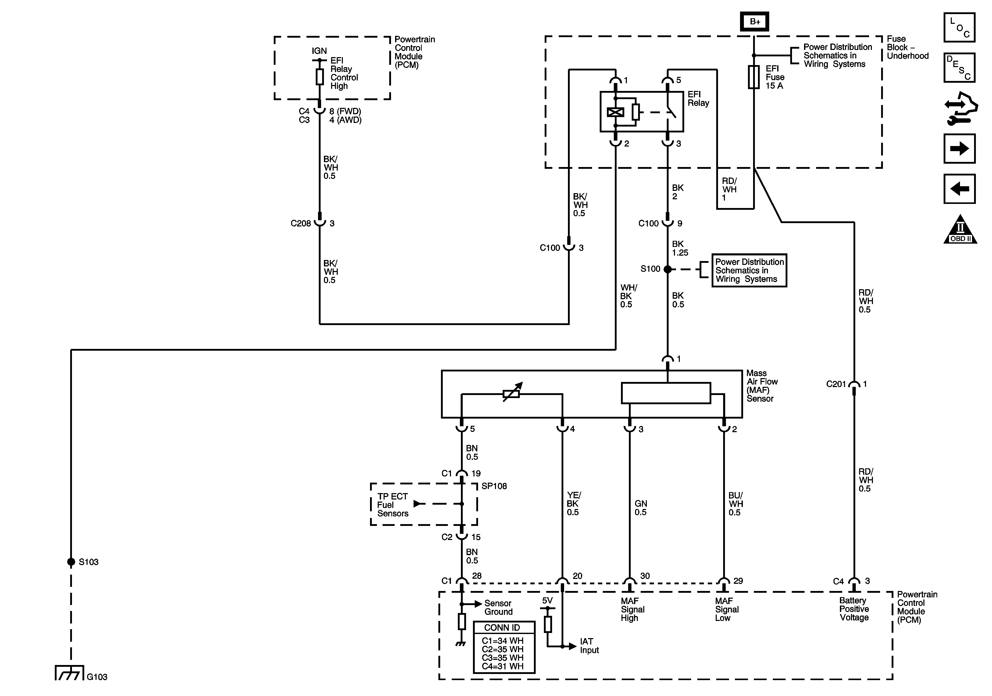
Mass Air Flow (MAF) Sensor
Engine Coolant Temperature (ECT) Sensor, Fuel Tank Pressure (FTP) Sensor, Throttle Actuator Control (TAC) Module (FWD)
Engine Controls Schematic Icons
Figure 12:

Mass Air Flow (MAF) Sensor


Object Number: 1666798  Size: FS
Master Electrical Component List
Control Module References
Knock Sensor (KS), Camshaft Position (CMP), Crankshaft Position (CKP) Sensor, Camshaft Position Actuator Solenoid Valve
Engine Coolant Temperature (ECT) Sensor, A/C Resistor, Fuel Tank Pressure (FTP) Sensor, Throttle Position (TP) Sensor (AWD)
Engine Controls Schematic Icons
Air Pump, ETCS, Head, Alt S, EFI, Hazard EFI 2 Fuses
Air Pump, ETCS, Head, Alt S, EFI, Hazard EFI 2 Fuses
S103, G103
Figure 13:

Knock Sensor (KS), Camshaft Position (CMP), Crankshaft Position (CKP) Sensors, Camshaft Position Actuator Solenoid Valve


Object Number: 1666800  Size: FS
Master Electrical Component List
Camshaft Actuator System Description
Control Module References
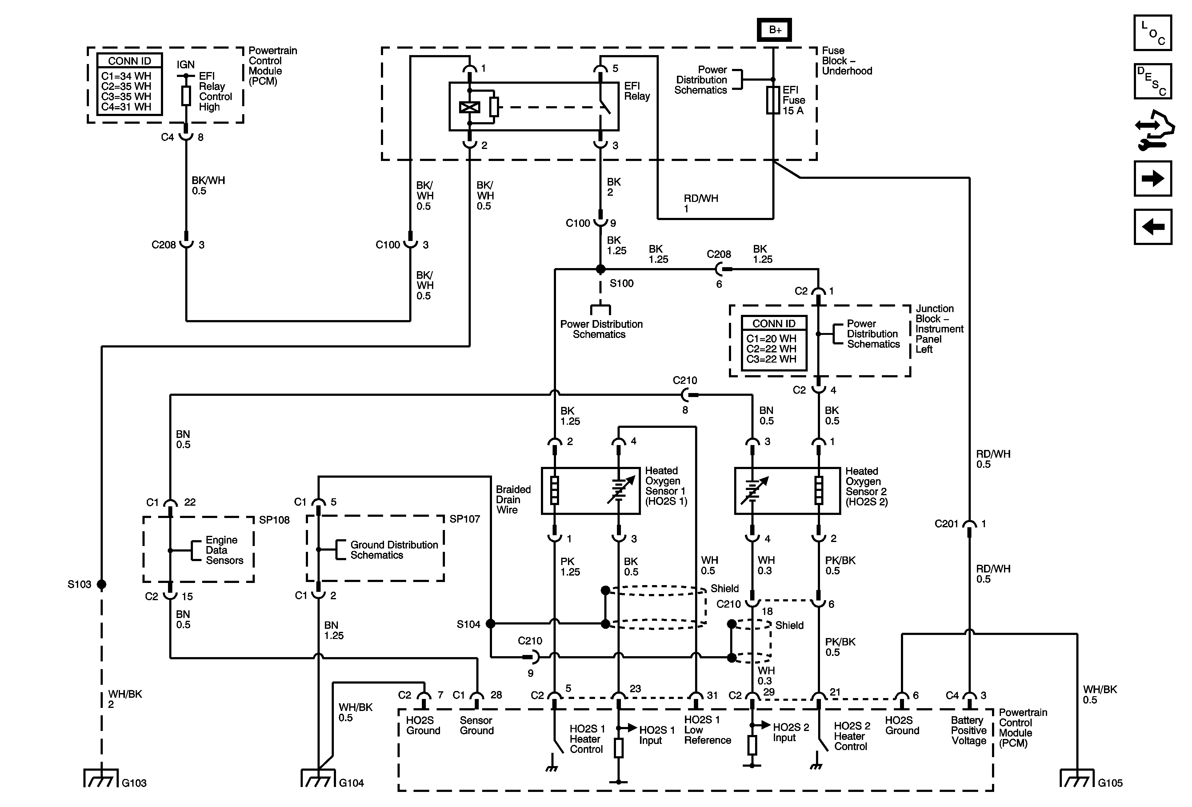
Heated Oxygen Sensors (HO2S) (FWD)
Mass Air Flow (MAF) Sensor
Engine Controls Schematic Icons
SP107, SP108, G104
SP107, SP108, G104
Figure 14:

Heated Oxygen Sensors (HO2S) (FWD)


Object Number: 1424565  Size: FS
Master Electrical Component List
Control Module References
Heated Oxygen Sensors (HO2S) (AWD)
Knock Sensor (KS), Camshaft Position (CMP), Crankshaft Position (CKP) Sensor, Camshaft Position Actuator Solenoid Valve
Engine Controls Schematic Icons
Air Pump, ETCS, Head, Alt S, EFI, Hazard EFI 2 Fuses
Air Pump, ETCS, Head, Alt S, EFI, Hazard EFI 2 Fuses
S100
SP107, SP108, G104
S103, G103
SP107, SP108, G104
S105, G105, G106, G107, G108
Figure 15:

Heated Oxygen Sensors (HO2S) (AWD)


Object Number: 1666803  Size: FS
Master Electrical Component List
Control Module References
Park/Neutral Position Switch
Heated Oxygen Sensors (HO2S) (FWD)
Engine Controls Schematic Icons
Air Pump, ETCS, Head, Alt S, EFI, Hazard EFI 2 Fuses
Air Pump, ETCS, Head, Alt S, EFI, Hazard EFI 2 Fuses
S100
SP107, SP108, G104
S103, G103
SP107, SP108, G104
Figure 16:

Park/Neutral Position Switch


Object Number: 1666807  Size: FS
Master Electrical Component List
Control Module References
Park/Neutral Position Switch, Brake Pressure Modulator Valve (BPMV), Multifunction Alarm Module
Heated Oxygen Sensors (HO2S) (AWD)
Engine Controls Schematic Icons
Ignition Switch 1 of 2
Wash, RR WIP, Wiper, ECU-IG, Gage, Heater, DEF Fuses
P/W Relay, SP109, S230
Air Pump, ETCS, Head, Alt S, EFI, Hazard EFI 2 Fuses
Air Pump, ETCS, Head, Alt S, EFI, Hazard EFI 2 Fuses
Back Up Lamps
Starting System
Figure 17:

Park/Neutral Position Switch, Brake Pressure Modulator Valve (BPMV), Multifunction Alarm Module


Object Number: 1481319  Size: FS
Master Electrical Component List
Control Module References
Vehicle Speed Sensor (VSS) (FWD w/o ABS)
Park/Neutral Position Switch
Engine Controls Schematic Icons
Figure 18:

Vehicle Speed Sensor (VSS) (FWD w/o ABS)


Object Number: 1422212  Size: FS
Master Electrical Component List
Control Module References
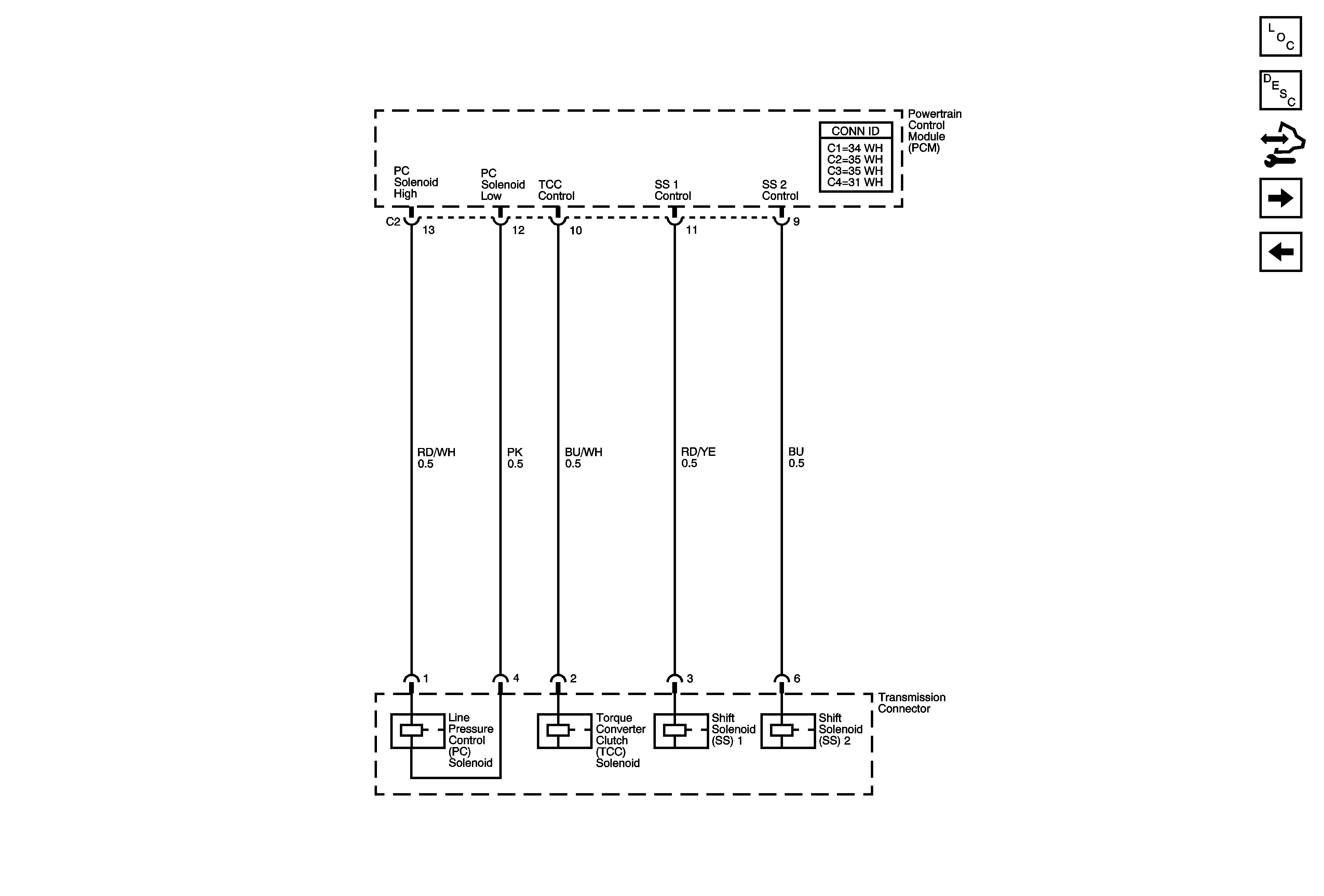
Automatic Transaxle Controls (FWD)
Park/Neutral Position Switch, Brake Pressure Modulator Valve (BPMV), Multifunction Alarm Module
Engine Controls Schematic Icons
Wash, RR WIP, Wiper, ECU-IG, Gage, Heater, DEF Fuses
Horn, Dome, Main, Amp, OnStar Fuses
Ignition Switch 1 of 2
Power, AM 1, Door, Tail, P/Point, ECU-B, Stop, OBD, INV Fuses
Air Pump, ETCS, Head, Alt S, EFI, Hazard EFI 2 Fuses
Headlamps ON Indicator, Crank Signal, Vehicle Speed Signal
S100
Headlamps ON Indicator, Crank Signal, Vehicle Speed Signal
SP107, SP108, G104
SP107, SP108, G104
Figure 19:

Automatic Transaxle Controls (FWD)


Object Number: 1422223  Size: FS
Master Electrical Component List
Control Module References
Automatic Transaxle Controls (AWD) 1 of 2
Vehicle Speed Sensor (VSS) (FWD w/o ABS)
Engine Controls Schematic Icons
Figure 20:

Automatic Transaxle Controls (AWD) 1 of 2


Object Number: 1666814  Size: FS
Master Electrical Component List
Control Module References
Overdrive Switch and Indicator
Automatic Transaxle Controls (FWD)
Engine Controls Schematic Icons
Engine Coolant Temperature (ECT) Sensor, A/C Resistor, Fuel Tank Pressure (FTP) Sensor, Throttle Position (TP) Sensor (AWD)
Figure 21:

Overdrive Switch and Indicator


Object Number: 1666815  Size: FS
Master Electrical Component List
Control Module References
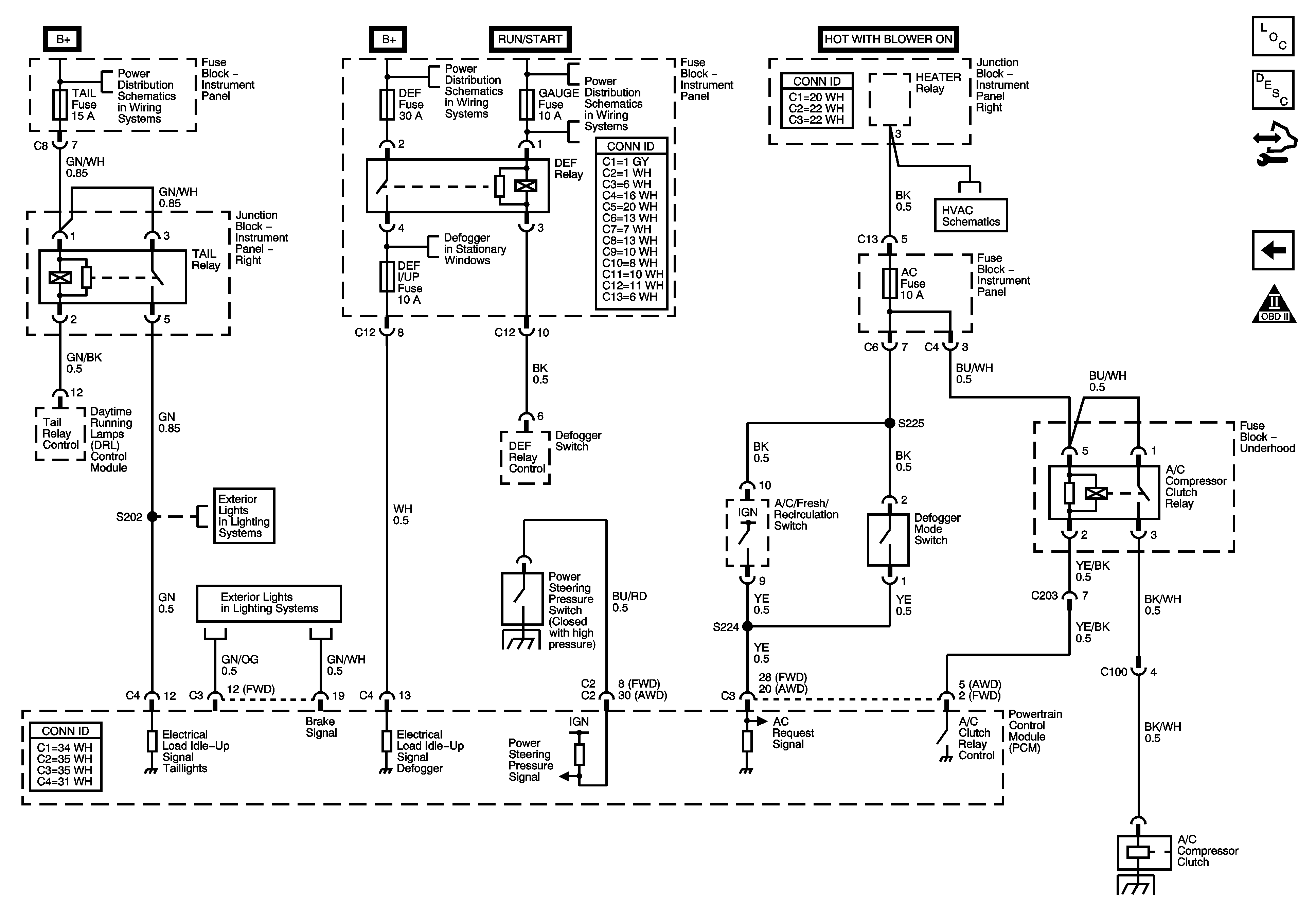
Powertrain Control Module (PCM) Idle-Up Inputs
Automatic Transaxle Controls (AWD) 1 of 2
Engine Controls Schematic Icons
Ignition Switch 1 of 2
Air Pump, ETCS, Head, Alt S, EFI, Hazard EFI 2 Fuses
Horn, Dome, Main, Amp, OnStar Fuses
Charge, Air Bag, Malfunction, O/D OFF, Cruise Indicators
Illumination Lamps
Junction Block Instrument Panel - Right
SP201 and G201
Figure 22:

Powertrain Control Module (PCM) Idle-Up Inputs


Object Number: 1666816  Size: FS
Master Electrical Component List
Powertrain Control Module Description
Control Module References
Overdrive Switch and Indicator
Engine Controls Schematic Icons
Power, AM 1, Door, Tail, P/Point, ECU-B, Stop, OBD, INV Fuses
Wash, RR WIP, Wiper, ECU-IG, Gage, Heater, DEF Fuses
Wash, RR WIP, Wiper, ECU-IG, Gage, Heater, DEF Fuses
Blower Controls
Tail Relay, Turn Signal/Headlamp Switch
Tail Relay, Turn Signal/Headlamp Switch