GM Service Manual Online
For 1990-2009 cars only
Figure 1:

Radio UC6, US8, Speakers UW4


Object Number: 1426727  Size: FS
Master Electrical Component List
Radio/Audio System Description and Operation
Control Module References
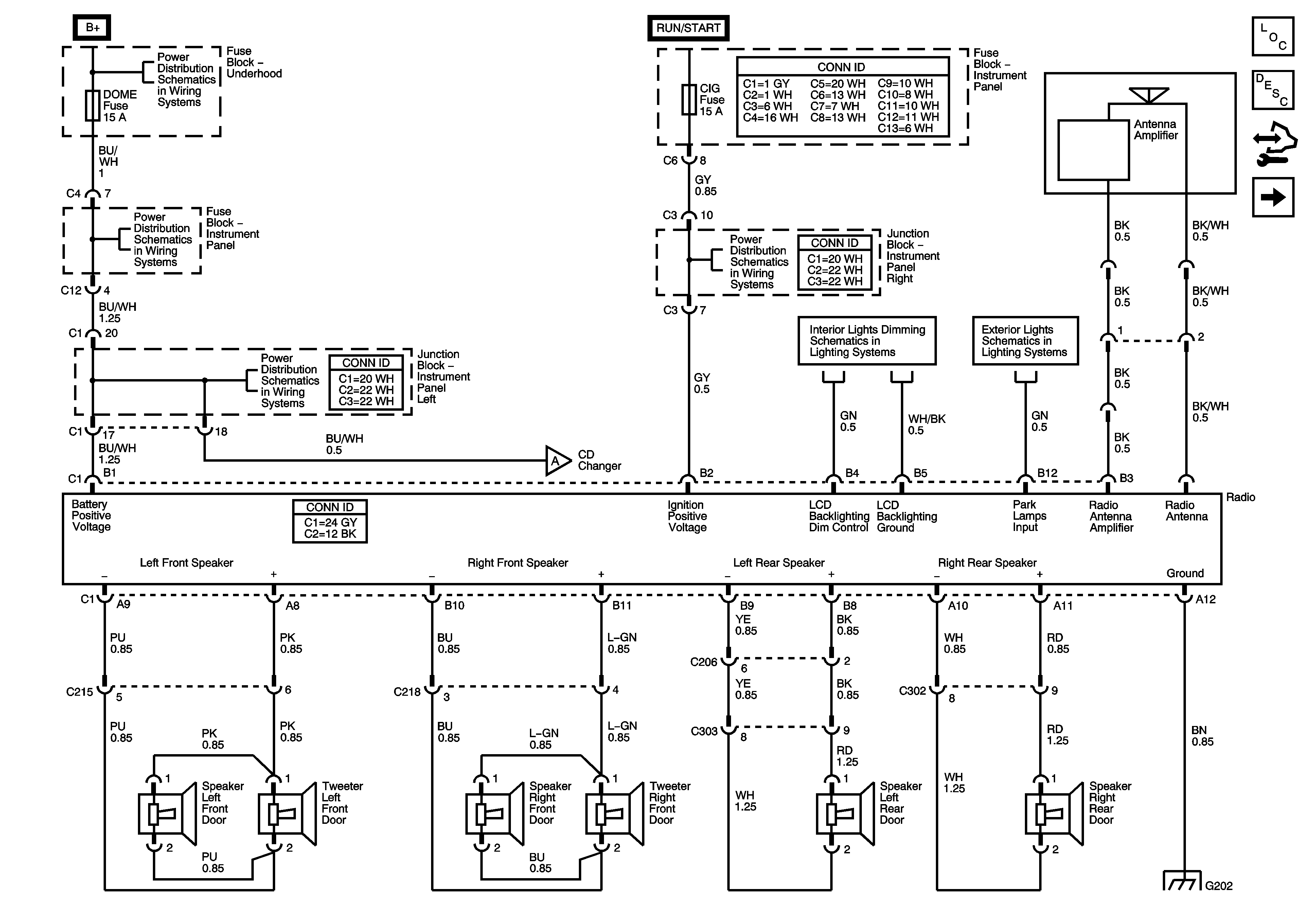
Radio U1P, Speakers UW4
Horn, Dome, Main, Amp, OnStar Fuses
Horn, Dome, Main, Amp, OnStar Fuses
Junction Block - Instrument Panel Right
IP Lamp Dimmer
Park Lamps
Horn, Dome, Main, Amp, OnStar Fuses
G202, G300, G301, G302
Figure 2:

Radio U1P, Speakers UW4


Object Number: 1426723  Size: FS
Master Electrical Component List
Radio/Audio System Description and Operation
Control Module References
Radio Monsoon U1P, Speakers U65
Radio UC6, US8, Speakers UW4
Horn, Dome, Main, Amp, OnStar Fuses
Horn, Dome, Main, Amp, OnStar Fuses
Junction Block - Instrument Panel Right
IP Lamp Dimmer
Park Lamps
Horn, Dome, Main, Amp, OnStar Fuses
G202, G300, G301, G302
Figure 3:

Radio Monsoon U1P, Speakers U65


Object Number: 1426725  Size: FS
Master Electrical Component List
Radio/Audio System Description and Operation
Control Module References
Digital Radio Receiver and Subwoofer U1P, U2K, U65
Radio U1P, Speakers UW4
Horn, Dome, Main, Amp, OnStar Fuses
Cellular Communication OnStar Schematic Figure for Graphic 1424554
SP200 and G200
Figure 4:

Digital Radio Receiver and Subwoofer U1P, U2K, U65


Object Number: 1426726  Size: FS
Master Electrical Component List
Radio/Audio System Description and Operation
Control Module References
Radio and Remote CD Changer UC6
Radio Monsoon U1P, Speakers U65
Horn, Dome, Main, Amp, OnStar Fuses
Horn, Dome, Main, Amp, OnStar Fuses
Horn, Dome, Main, Amp, OnStar Fuses
SP201 and G201
Figure 5:

Radio and Remote CD Changer UC6


Object Number: 1426733  Size: FS
Master Electrical Component List
Radio/Audio System Description and Operation
Control Module References
Digital Radio Receiver and Subwoofer U1P, U2K, U65
SP201 and G201