GM Service Manual Online
For 1990-2009 cars only
Makes
🢒
Pontiac
🢒
2006
🢒
Vibe - FWD
🢒
Body
🢒
Lighting Systems
🢒 Interior Lights Dimming Schematics
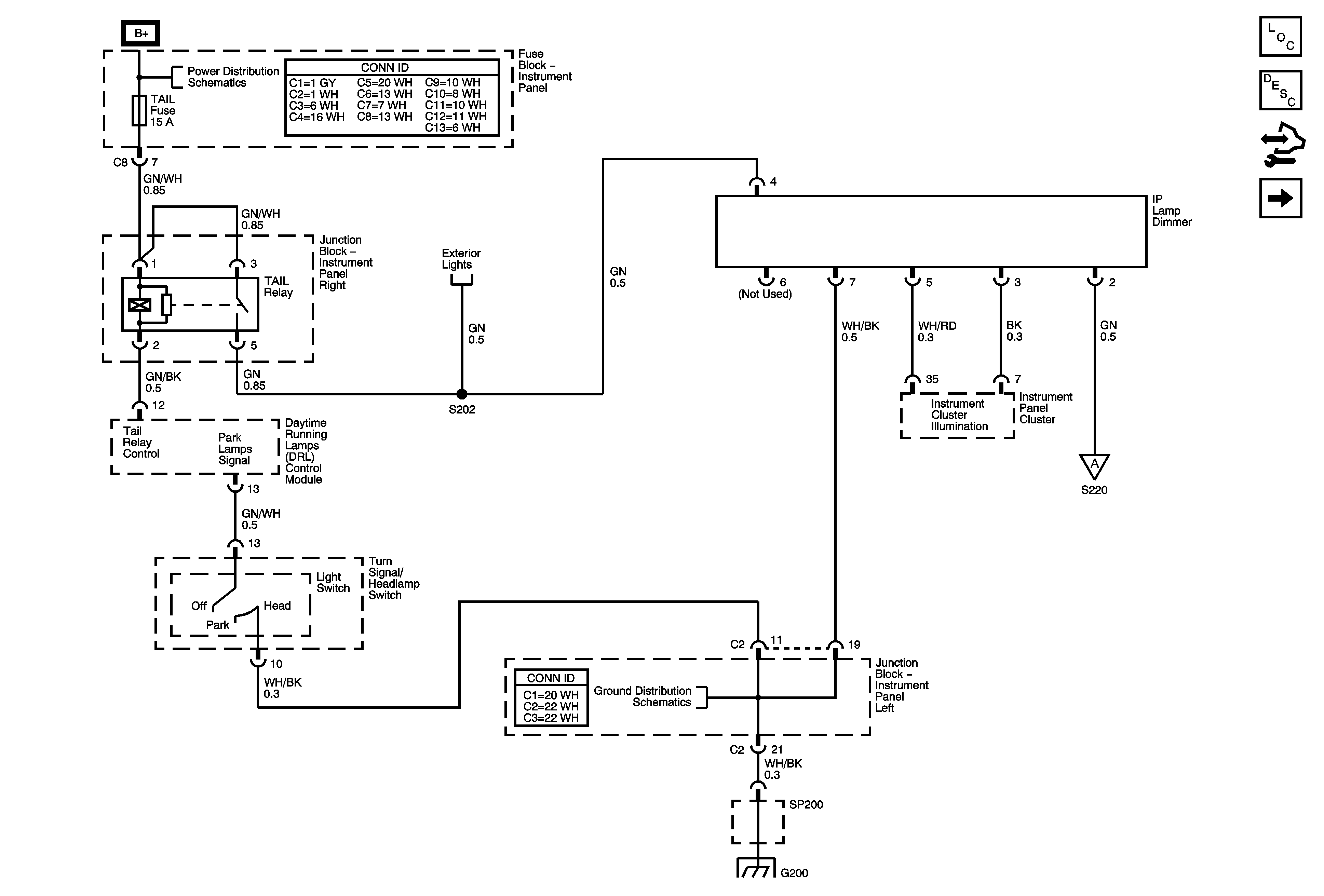
Figure
1:
I/P Lamp Dimmer
Master Electrical Component List
Interior Lighting Systems Description and Operation
Control Module References
Illumination Lamps
Power, AM 1, Door, Tail, P/Point, ECU-B, Stop, OBD, INV Fuses
Tail Relay, Turn Signal/Headlamp Switch
Junction Block Instrument Panel - Left
SP200 and G200
Figure
2:
Illumination Lamps
Master Electrical Component List
Interior Lighting Systems Description and Operation
Control Module References
IP Lamp Dimmer
SP200 and G200