GM Service Manual Online
For 1990-2009 cars only
Makes
🢒
Pontiac
🢒
2006
🢒
Vibe - FWD
🢒
Body
🢒
Wiring Systems
🢒 Cruise Control Schematics
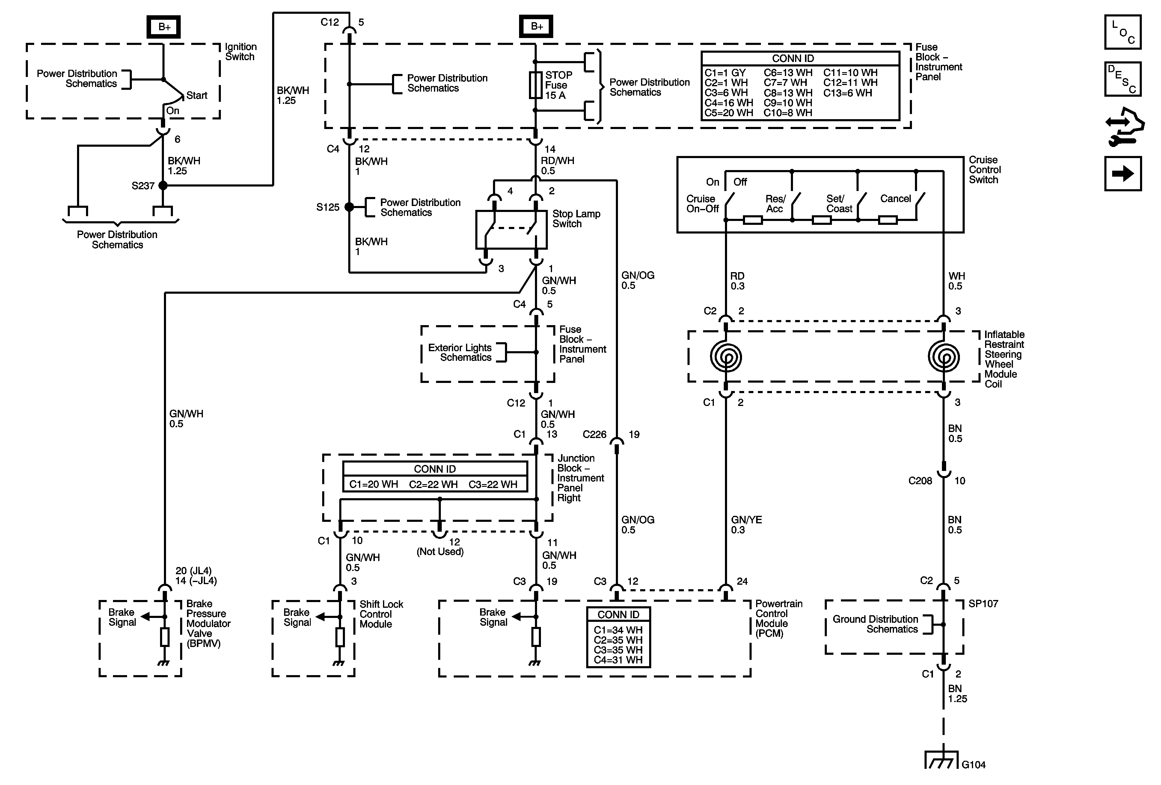
Figure
1:
Powertrain Control Module, Stop Lamp Switch and Cruise Control Switch
Master Electrical Component List
Cruise Control Description and Operation
Control Module References
Powertrain Control Module, Cruise Control Release Switch, Cruise Indicator
Ignition Switch 1 of 2
Power, AM 1, Door, Tail, P/Point, ECU-B, Stop, OBD, INV Fuses
SP107, SP108, G104
Figure
2:
Powertrain Control Module, Cruise Control Release Switch, Cruise Indicator
Master Electrical Component List
Cruise Control Description and Operation
Control Module References
Powertrain Control Module, Stop Lamp Switch and Cruise Control Switch
Wash, RR WIP, Wiper, ECU-IG, Gage, Heater, DEF Fuses
Ignition Switch 1 of 2
Charge, Air Bag, Malfunction, O/D OFF, Cruise Indicators