GM Service Manual Online
For 1990-2009 cars only
Makes
🢒
Pontiac
🢒
2006
🢒
Vibe - FWD
🢒
Accessories
🢒
Power Outlets
🢒 Cigar Lighter/Power Outlet Schematics
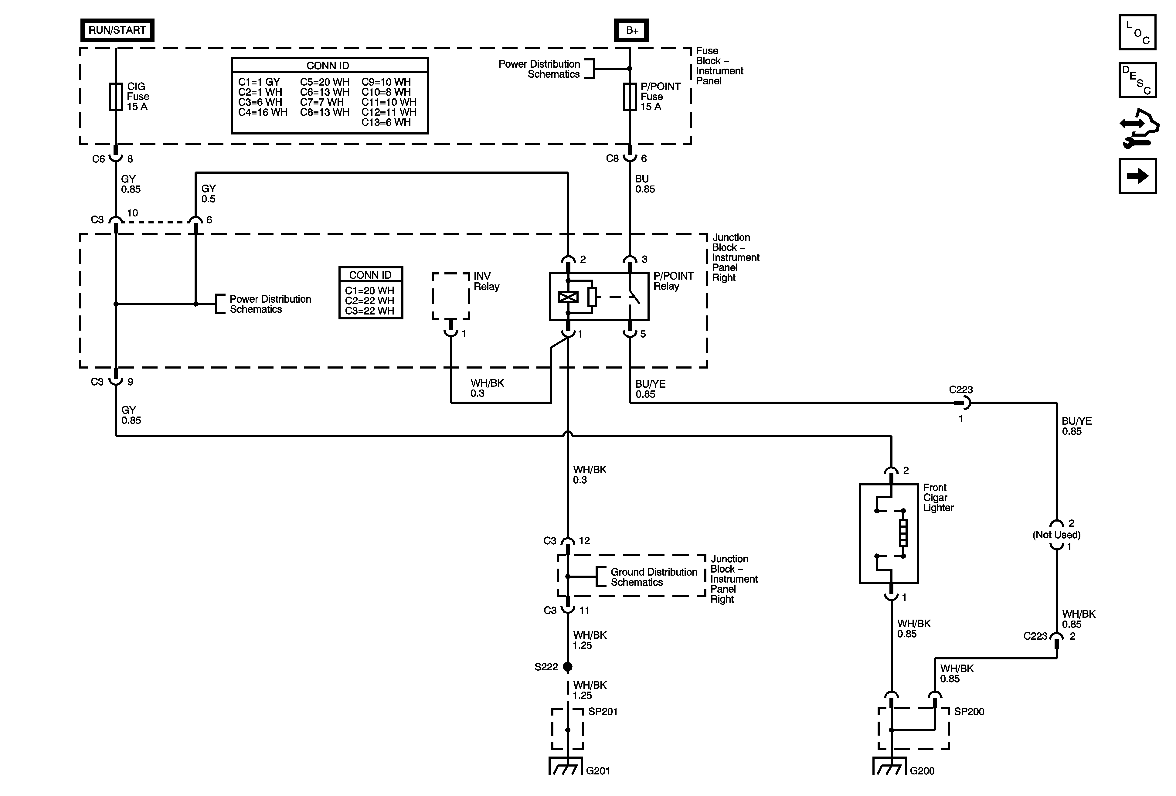
Figure
1:
Front Cigar Lighter
Master Electrical Component List
Power Outlets Description and Operation
Control Module References
115-Volt Power Outlet
SP200 and G200
SP201 and G201
Junction Block - Instrument Panel Right
Junction Block - Instrument Panel Right
Junction Block Instrument Panel - Right
Figure
2:
115-Volt Power Outlet
Master Electrical Component List
Power Outlets Description and Operation
Control Module References
Front Cigar Lighter
SP201 and G201
SP200 and G200
IP Lamp Dimmer
Wash, RR WIP, Wiper, ECU-IG, Gage, Heater, DEF Fuses
Junction Block - Instrument Panel Right
Junction Block Instrument Panel - Right
Junction Block Instrument Panel - Left