GM Service Manual Online
For 1990-2009 cars only
Makes
🢒
Pontiac
🢒
2006
🢒
Vibe - FWD
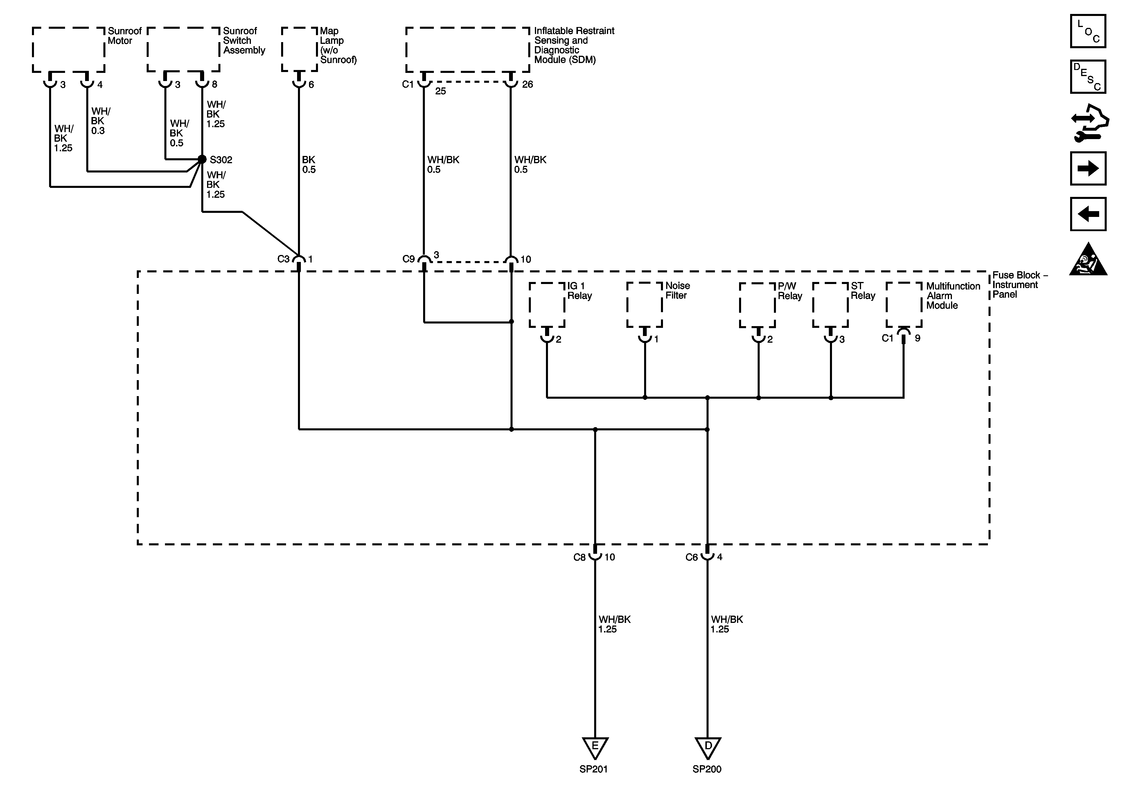
🢒 Fuse Block - Instrument Panel
Fuse Block - Instrument Panel
Fuse Block - Instrument Panel
Master Electrical Component List
Control Module References
SP201 and G201
S221
Power and Grounding Schematic Icons