GM Service Manual Online
For 1990-2009 cars only
Makes
🢒
Pontiac
🢒
2006
🢒
Vibe - FWD
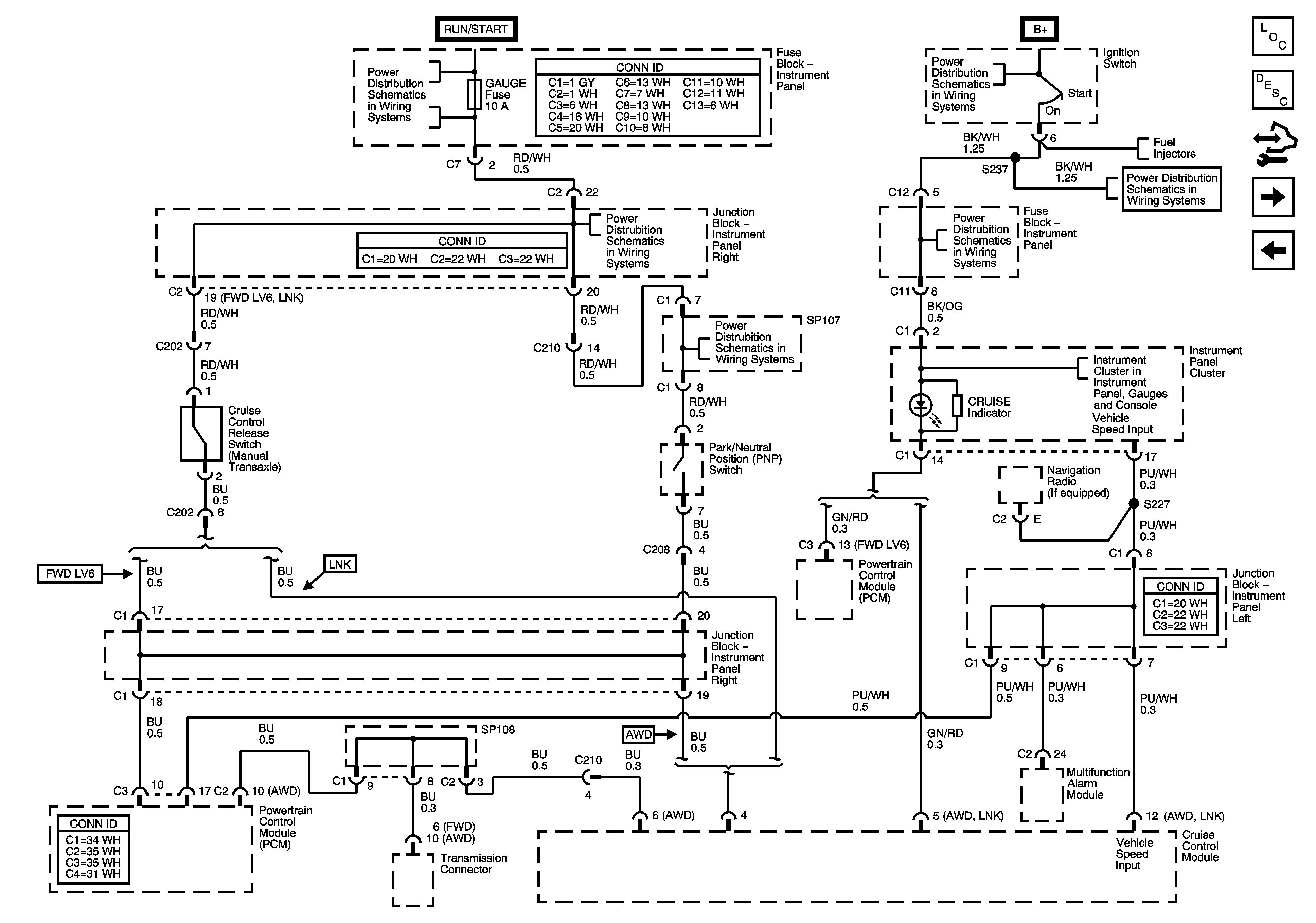
🢒 Cruise Control Schematic Figure for Graphic 1666850
Cruise Control Schematic Figure for Graphic 1666850
Cruise Control Module, Cruise Control Release Switch, Cruise Indicator
Master Electrical Component List
Cruise Control Description and Operation
Control Module References
Cruise Control Schematic Figure for Graphic 1424592
Cruise Control Schematic Figure for Graphic 1666849
Wash, RR WIP, Wiper, ECU-IG, Gage, Heater, DEF Fuses
Ignition Switch 1 of 2
Fuel Injectors
Ignition Switch 1 of 2
Junction Block - Instrument Panel Right
Ignition Switch 2 0f 2
Junction Block - Instrument Panel Right
Charge, Air Bag, Malfunction, O/D OFF, Cruise Indicators