GM Service Manual Online
For 1990-2009 cars only
Figure 1:

Radio UC6, US8, Speakers UW4


Object Number: 1725945  Size: FS
Master Electrical Component List
Radio/Audio System Description and Operation
Control Module References
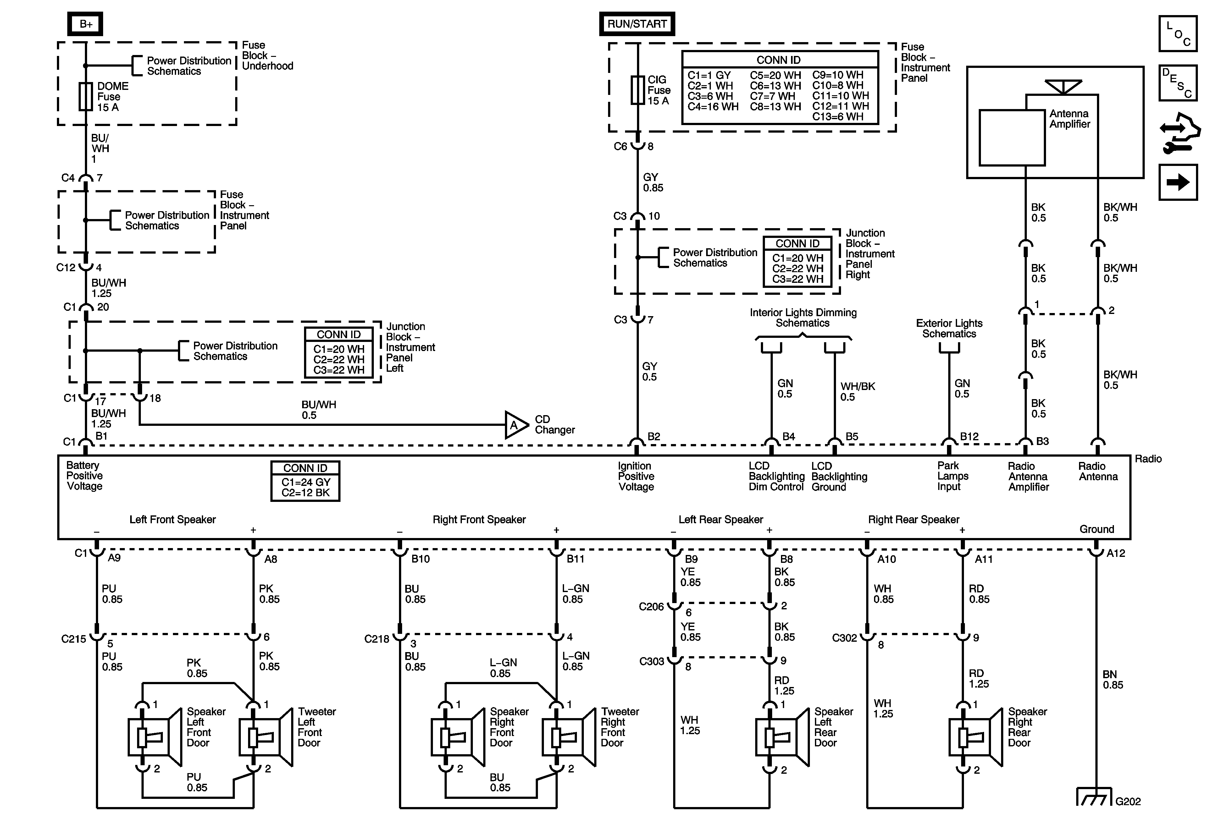
Radio U1P, Speakers UW4
Air Pump, ETCS, Head, Alt S, EFI, Hazard EFT 2 Fuses
Air Pump, ETCS, Head, Alt S, EFI, Hazard EFT 2 Fuses
Air Pump, ETCS, Head, Alt S, EFI, Hazard EFT 2 Fuses
Air Pump, ETCS, Head, Alt S, EFI, Hazard EFT 2 Fuses
Illumination Lamps
Park Lamps
Figure 2:

Radio U1P, Speakers UW4


Object Number: 1426723  Size: FS
Master Electrical Component List
Radio/Audio System Description and Operation
Control Module References
Radio Monsoon U1P, Speakers U65
Radio UC6, US8, Speakers UW4
Air Pump, ETCS, Head, Alt S, EFI, Hazard EFT 2 Fuses
Air Pump, ETCS, Head, Alt S, EFI, Hazard EFT 2 Fuses
Air Pump, ETCS, Head, Alt S, EFI, Hazard EFT 2 Fuses
Air Pump, ETCS, Head, Alt S, EFI, Hazard EFT 2 Fuses
Illumination Lamps
Park Lamps
Figure 3:

Radio Monsoon U1P, Speakers U65


Object Number: 1426725  Size: FS
Master Electrical Component List
Radio/Audio System Description and Operation
Control Module References
Digital Radio Receiver and Subwoofer U1P, U2K, U65
Radio U1P, Speakers UW4
Air Pump, ETCS, Head, Alt S, EFI, Hazard EFT 2 Fuses
VCIM, Power and Ground, Inside Rearview Mirror
Figure 4:

Digital Radio Receiver and Subwoofer U1P, U2K, U65


Object Number: 1426726  Size: FS
Master Electrical Component List
Radio/Audio System Description and Operation
Control Module References
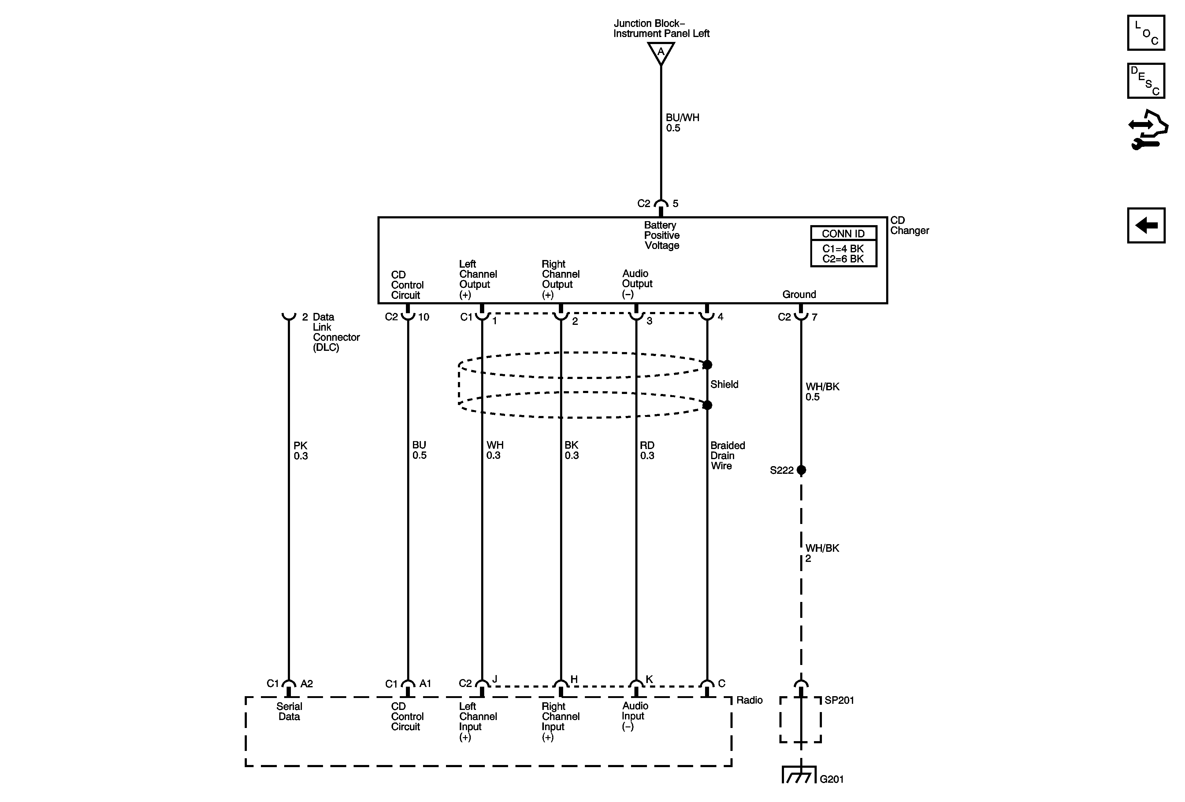
Radio and Remote CD Changer UC6
Radio Monsoon U1P, Speakers U65
Air Pump, ETCS, Head, Alt S, EFI, Hazard EFT 2 Fuses
Air Pump, ETCS, Head, Alt S, EFI, Hazard EFT 2 Fuses
Air Pump, ETCS, Head, Alt S, EFI, Hazard EFT 2 Fuses
Figure 5:

Radio and Remote CD Changer UC6


Object Number: 1725951  Size: FS
Master Electrical Component List
Radio/Audio System Description and Operation
Control Module References
Digital Radio Receiver and Subwoofer U1P, U2K, U65