GM Service Manual Online
For 1990-2009 cars only
Figure 1:

Powertrain Control Module (PCM) Power and Ground


Object Number: 1847848  Size: FS
Master Electrical Component List
Transmission General Description
Control Module References
Park/Neutral Position Switch
Air Pump, ETCS, Head, Alt S, EFI, Hazard EFT 2 Fuses
Air Pump, ETCS, Head, Alt S, EFI, Hazard EFT 2 Fuses
Air Pump, ETCS, Head, Alt S, EFI, Hazard EFT 2 Fuses
Air Pump, ETCS, Head, Alt S, EFI, Hazard EFT 2 Fuses
Fuel Injectors
Air Pump, ETCS, Head, Alt S, EFI, Hazard EFT 2 Fuses
Air Pump, ETCS, Head, Alt S, EFI, Hazard EFT 2 Fuses
Air Pump, ETCS, Head, Alt S, EFI, Hazard EFT 2 Fuses
Air Pump, ETCS, Head, Alt S, EFI, Hazard EFT 2 Fuses
Air Pump, ETCS, Head, Alt S, EFI, Hazard EFT 2 Fuses
G100, G101, G102
G100, G101, G102
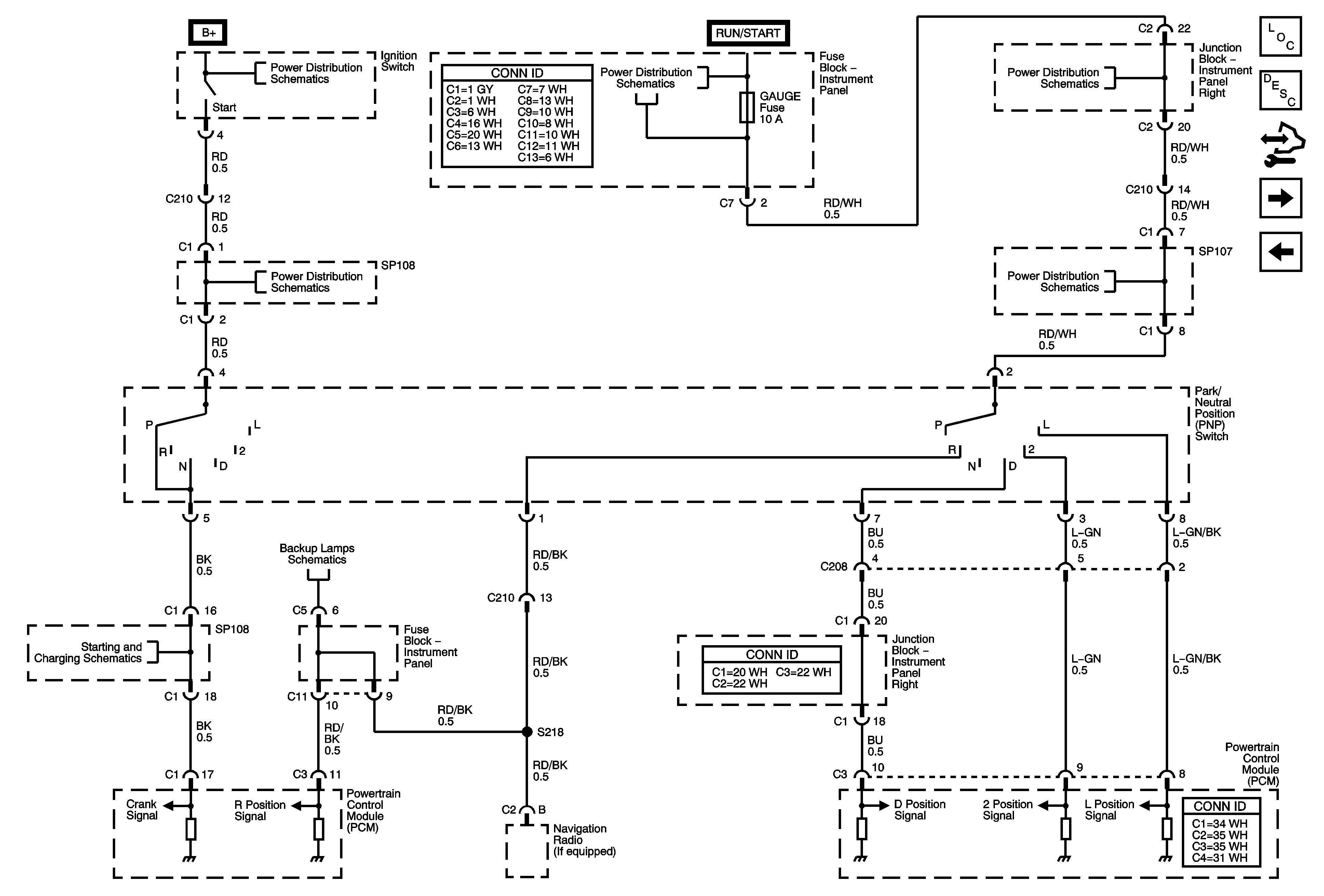
Figure 2:

Park/Neutral Position Switch


Object Number: 1847862  Size: FS
Master Electrical Component List
Transmission General Description
Control Module References
Park/Neutral Position Switch, BPMV, Multifunction Alarm Module
PCM Power and Ground
Air Pump, ETCS, Head, Alt S, EFI, Hazard EFT 2 Fuses
Air Pump, ETCS, Head, Alt S, EFI, Hazard EFT 2 Fuses
Air Pump, ETCS, Head, Alt S, EFI, Hazard EFT 2 Fuses
Air Pump, ETCS, Head, Alt S, EFI, Hazard EFT 2 Fuses
Air Pump, ETCS, Head, Alt S, EFI, Hazard EFT 2 Fuses
Starting and Charging Schematics
Backup Lamps
Figure 3:

Park/Neutral Position Switch, Brake Pressure Modulator Valve (BPMV), Multifunction Alarm Module


Object Number: 1847864  Size: FS
Master Electrical Component List
Transmission General Description
Control Module References
Automatic Transaxle Controls (FWD)
Park/Neutral Position Switch
Figure 4:

Automatic Transaxle Controls


Object Number: 1847899  Size: FS
Master Electrical Component List
Transmission General Description
Control Module References
Vehicle Speed Signal and Overdrive Switch
Park/Neutral Position Switch, BPMV, Multifunction Alarm Module
Figure 5:

Vehicle Speed Signal and Overdrive Switch


Object Number: 1847900  Size: FS
Master Electrical Component List
Transmission General Description
Control Module References
Automatic Transaxle Controls (FWD)
Air Pump, ETCS, Head, Alt S, EFI, Hazard EFT 2 Fuses
Air Pump, ETCS, Head, Alt S, EFI, Hazard EFT 2 Fuses
Air Pump, ETCS, Head, Alt S, EFI, Hazard EFT 2 Fuses
Fuel Injectors
Air Pump, ETCS, Head, Alt S, EFI, Hazard EFT 2 Fuses
Air Pump, ETCS, Head, Alt S, EFI, Hazard EFT 2 Fuses
Headlamps ON Indicator, Crank Signal, Vehicle Speed Signal
Charge, Air Bag, Malfunction, O/D Off, Cruise Indicators
Air Pump, ETCS, Head, Alt S, EFI, Hazard EFT 2 Fuses
G100, G101, G102
G100, G101, G102