GM Service Manual Online
For 1990-2009 cars only
Makes
🢒
Pontiac
🢒
2007
🢒
Vibe - FWD
🢒
Transmission/Transaxle
🢒
Manual Transmission - MK5
🢒 Manual Transmission Schematics
Figure
1:
Start Relay, Clutch Pedal Position Switch
Master Electrical Component List
Transmission General Description
Control Module References
Vehicle Speed Signal
Air Pump, ETCS, Head, Alt S, EFI, Hazard EFT 2 Fuses
Air Pump, ETCS, Head, Alt S, EFI, Hazard EFT 2 Fuses
Air Pump, ETCS, Head, Alt S, EFI, Hazard EFT 2 Fuses
Air Pump, ETCS, Head, Alt S, EFI, Hazard EFT 2 Fuses
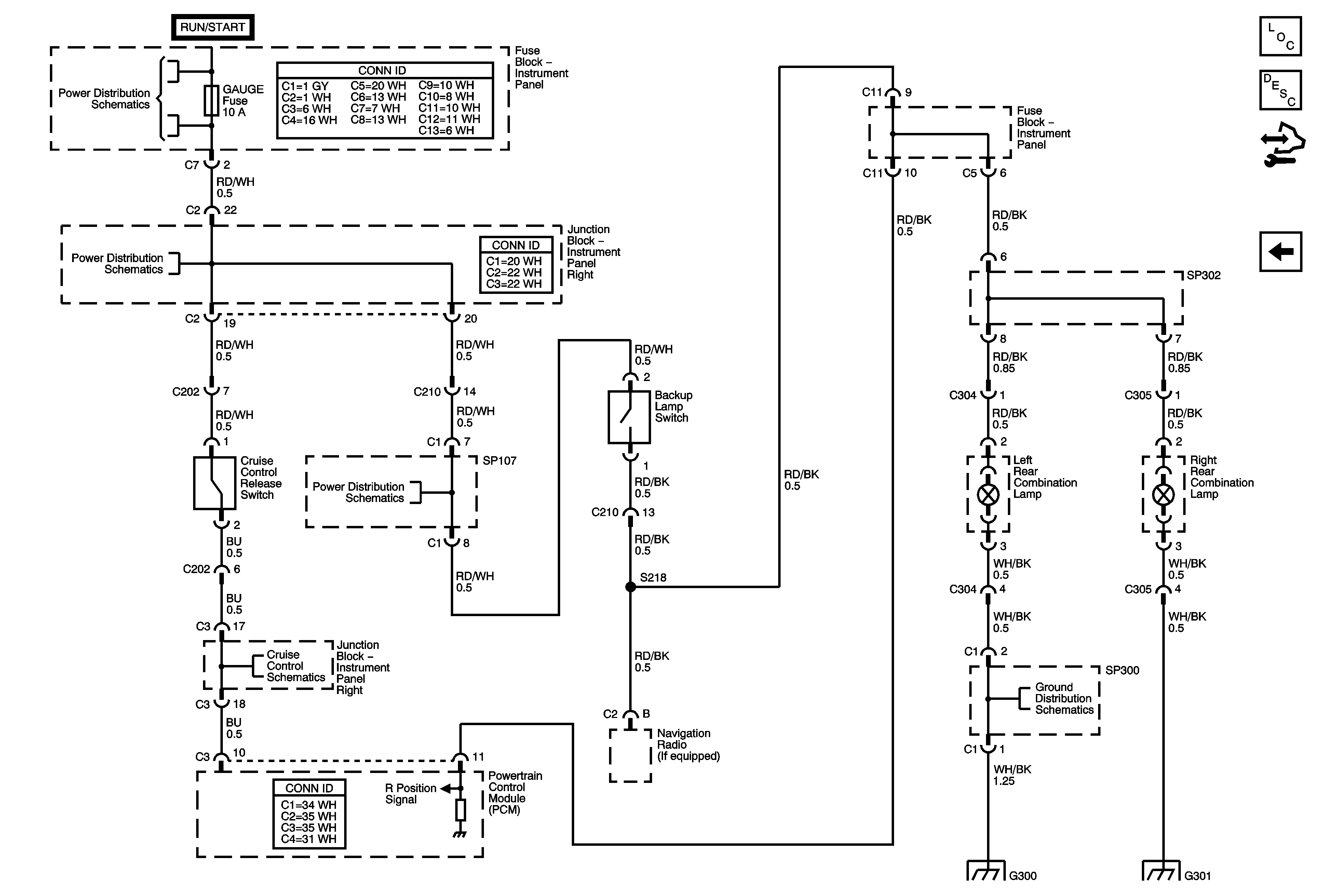
Figure
2:
Vehicle Speed Signal
Master Electrical Component List
Transmission General Description
Control Module References
Cruise Control Release Switch, Backup Lamp Switch
Start Relay, Clutch Pedal Position Switch
Air Pump, ETCS, Head, Alt S, EFI, Hazard EFT 2 Fuses
Air Pump, ETCS, Head, Alt S, EFI, Hazard EFT 2 Fuses
Air Pump, ETCS, Head, Alt S, EFI, Hazard EFT 2 Fuses
High Beam Door Open, ECT Indicators
Air Pump, ETCS, Head, Alt S, EFI, Hazard EFT 2 Fuses
Air Pump, ETCS, Head, Alt S, EFI, Hazard EFT 2 Fuses
Air Pump, ETCS, Head, Alt S, EFI, Hazard EFT 2 Fuses
High Beam Door Open, ECT Indicators
G100, G101, G102
Figure
3:
Cruise Control Release Switch, Backup Lamp Switch
Master Electrical Component List
Transmission General Description
Control Module References
Vehicle Speed Signal
Air Pump, ETCS, Head, Alt S, EFI, Hazard EFT 2 Fuses
Air Pump, ETCS, Head, Alt S, EFI, Hazard EFT 2 Fuses
Air Pump, ETCS, Head, Alt S, EFI, Hazard EFT 2 Fuses
Cruise Control Module, Cruise Control Release Switch, Cruise Indicator
G100, G101, G102