GM Service Manual Online
For 1990-2009 cars only
Makes
🢒
Pontiac
🢒
2007
🢒
Vibe - FWD
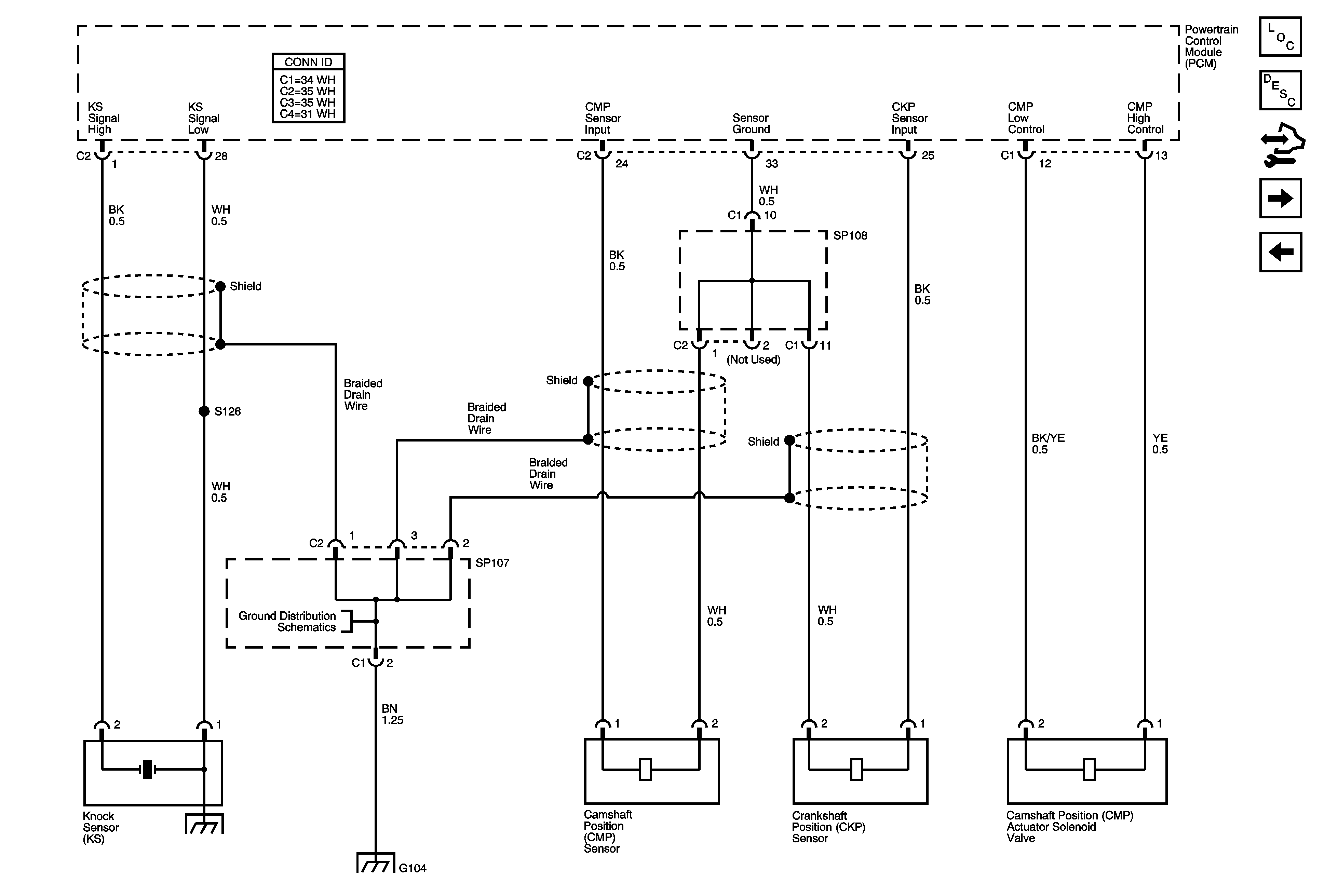
🢒 KS, CMP Sensor, CKP Sensor, CMP Actuator Solenoid Valve
KS, CMP Sensor, CKP Sensor, CMP Actuator Solenoid Valve
Knock Sensor (KS), Camshaft Position (CMP), Crankshaft Position (CKP) Sensors, Camshaft Position Actuator Solenoid Valve
Master Electrical Component List
Powertrain Control Module Description
Control Module References
HO2S (FWD)
Mass Air Flow (MAF) Sensor
G100, G101, G102