GM Service Manual Online
For 1990-2009 cars only
Makes
🢒
Pontiac
🢒
2007
🢒
Vibe - FWD
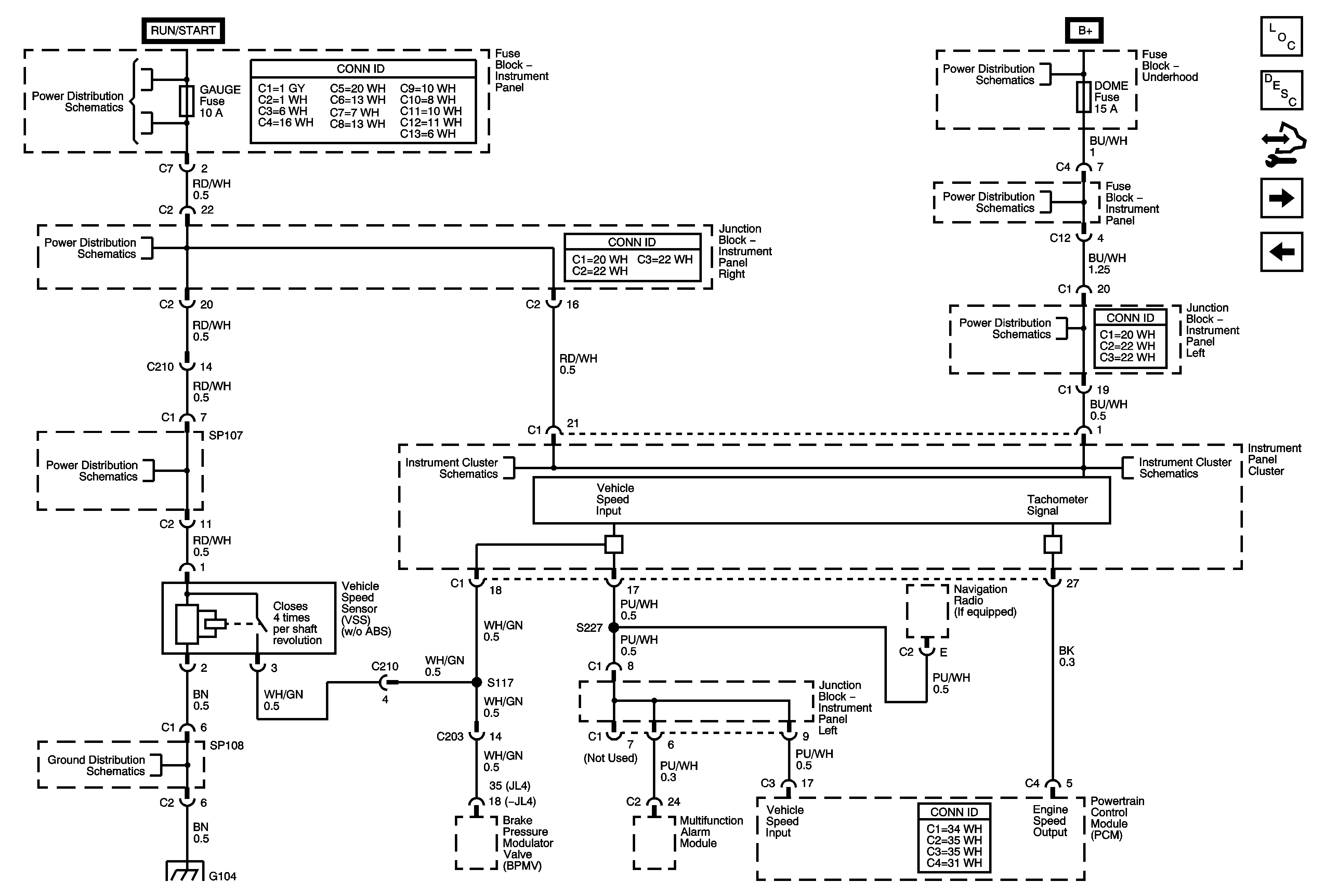
🢒 VSS (FWD) w/o ABS
VSS (FWD) w/o ABS
Vehicle Speed Sensor (VSS)
Master Electrical Component List
Powertrain Control Module Description
Control Module References
Automatic Transaxle Controls (FWD)
PNP Switch, BPMV, Multifunction Alarm Module
Air Pump, ETCS, Head, Alt S, EFI, Hazard EFT 2 Fuses
Air Pump, ETCS, Head, Alt S, EFI, Hazard EFT 2 Fuses
Air Pump, ETCS, Head, Alt S, EFI, Hazard EFT 2 Fuses
Air Pump, ETCS, Head, Alt S, EFI, Hazard EFT 2 Fuses
Air Pump, ETCS, Head, Alt S, EFI, Hazard EFT 2 Fuses
Air Pump, ETCS, Head, Alt S, EFI, Hazard EFT 2 Fuses
High Beam Door Open, ECT Indicators
High Beam Door Open, ECT Indicators
G100, G101, G102