GM Service Manual Online
For 1990-2009 cars only
Makes
🢒
Pontiac
🢒
2007
🢒
Vibe - FWD
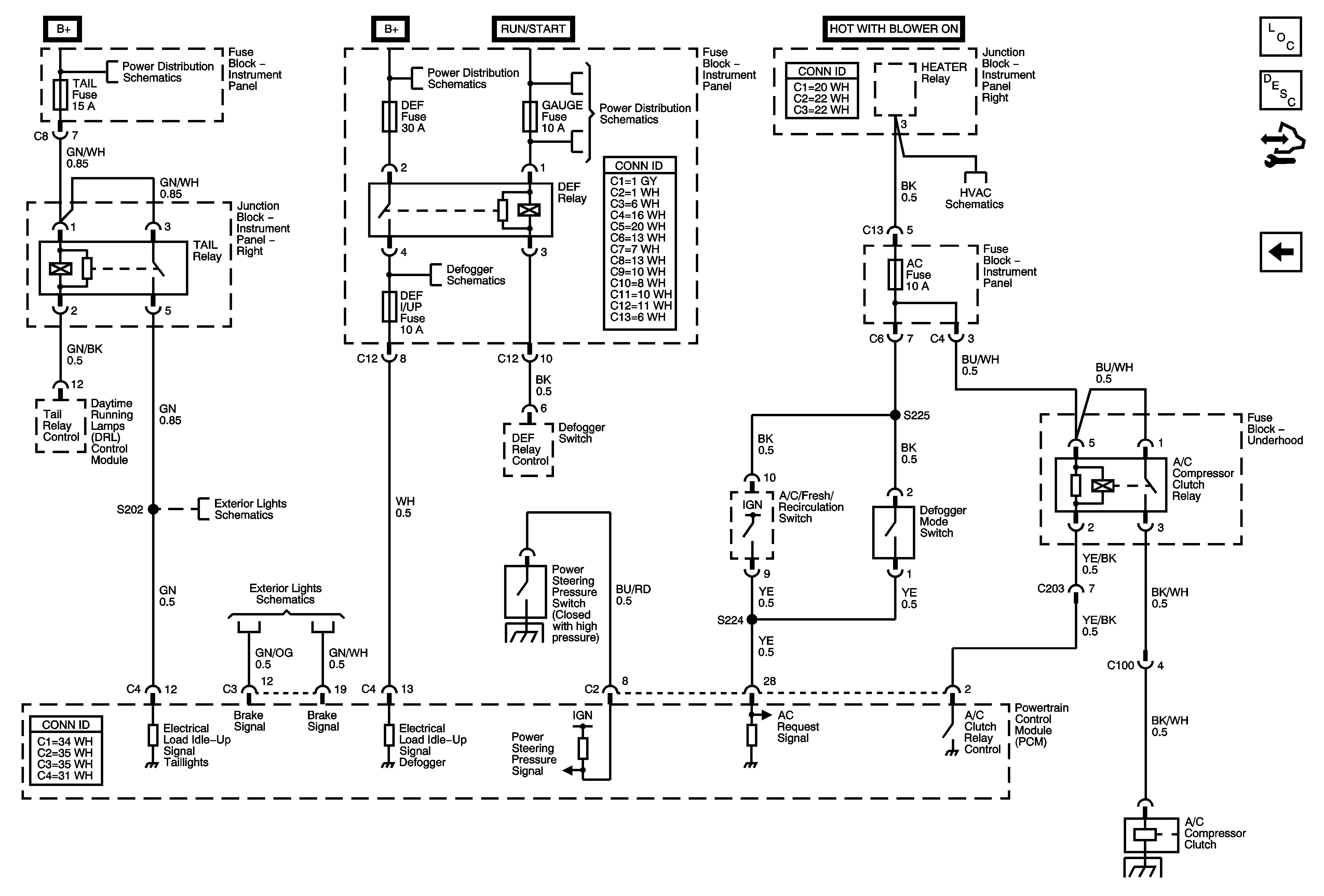
🢒 PCM Idle-Up Inputs
PCM Idle-Up Inputs
Powertrain Control Module (PCM) Idle-Up Inputs
Master Electrical Component List
Powertrain Control Module Description
Control Module References
Overdrive (OD) Switch and Indicator Lamp
Air Pump, ETCS, Head, Alt S, EFI, Hazard EFT 2 Fuses
Air Pump, ETCS, Head, Alt S, EFI, Hazard EFT 2 Fuses
Air Pump, ETCS, Head, Alt S, EFI, Hazard EFT 2 Fuses
Blower Controls
Defogger Schematics
Tail Relay, Turn Signal Headlamp Switch
Tail Relay, Turn Signal Headlamp Switch