GM Service Manual Online
For 1990-2009 cars only
Makes
🢒
Pontiac
🢒
2008
🢒
Vibe - FWD
🢒
Safety and Security
🢒
Immobilizer
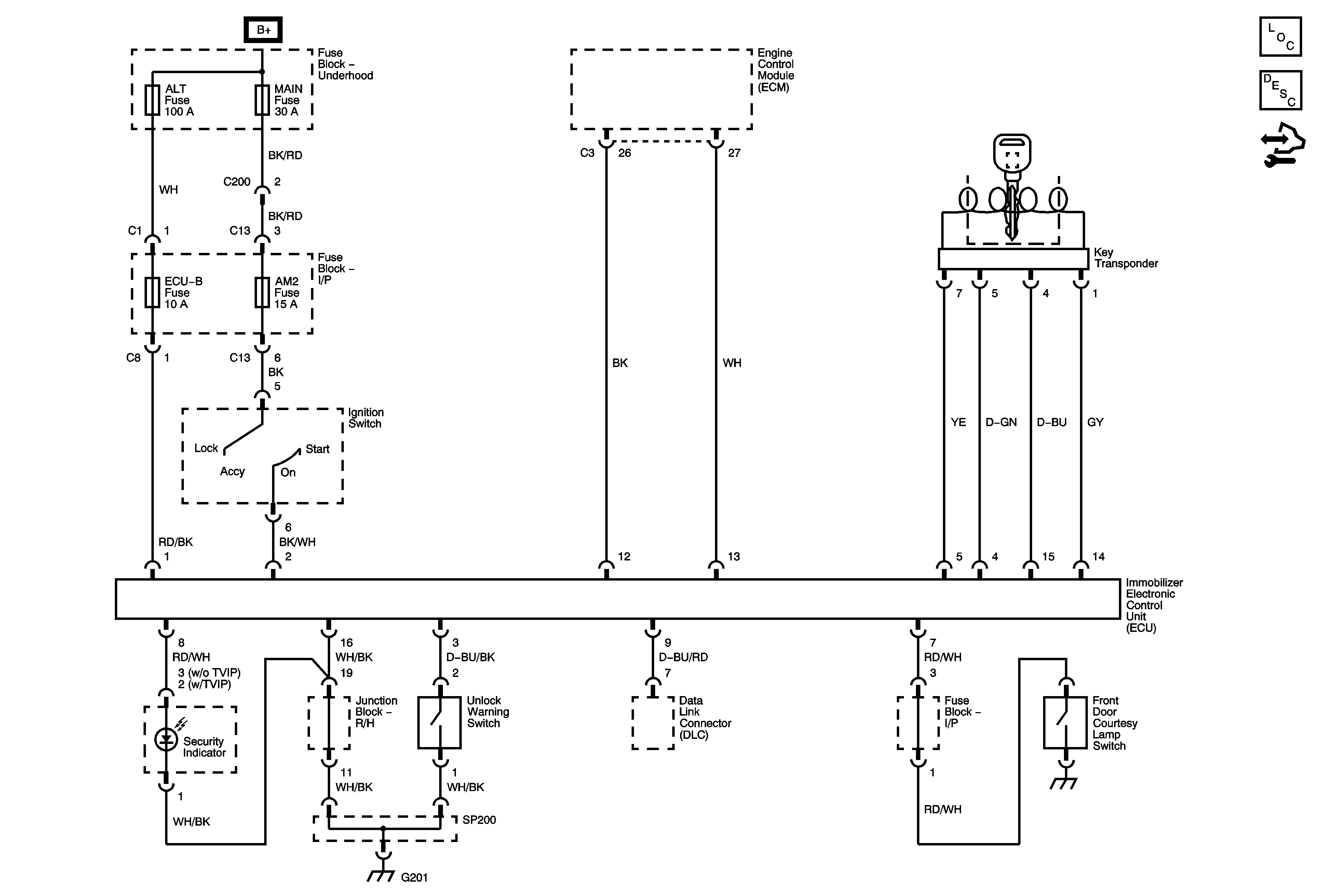
🢒 Immobilizer Schematics