GM Service Manual Online
For 1990-2009 cars only
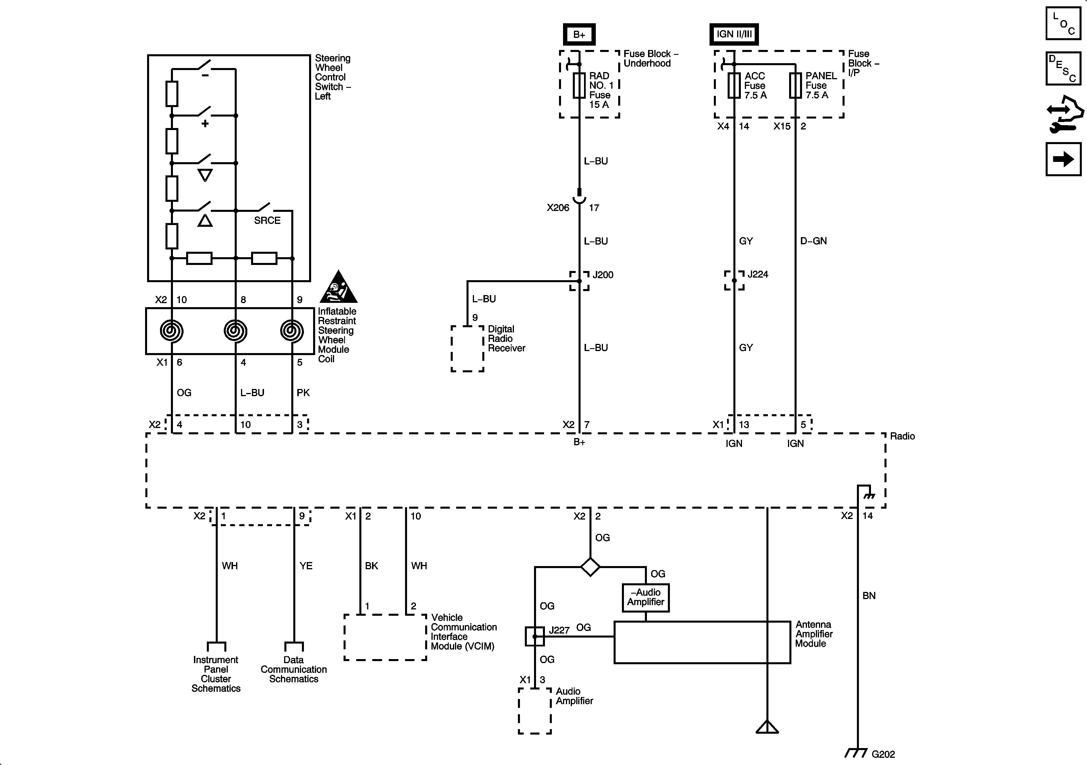
Figure 1:

Power, Ground, Steering Wheel Controls, Antenna


Object Number: 2033140  Size: FS
Figure 2:

Speakers (U65) W/Audio Amplifier


Object Number: 2033144  Size: FS
Figure 3:

Speakers (UW4)


Object Number: 2033145  Size: FS
Figure 4:

Digital Radio Receiver (U2K)


Object Number: 2037347  Size: FS