GM Service Manual Online
For 1990-2009 cars only
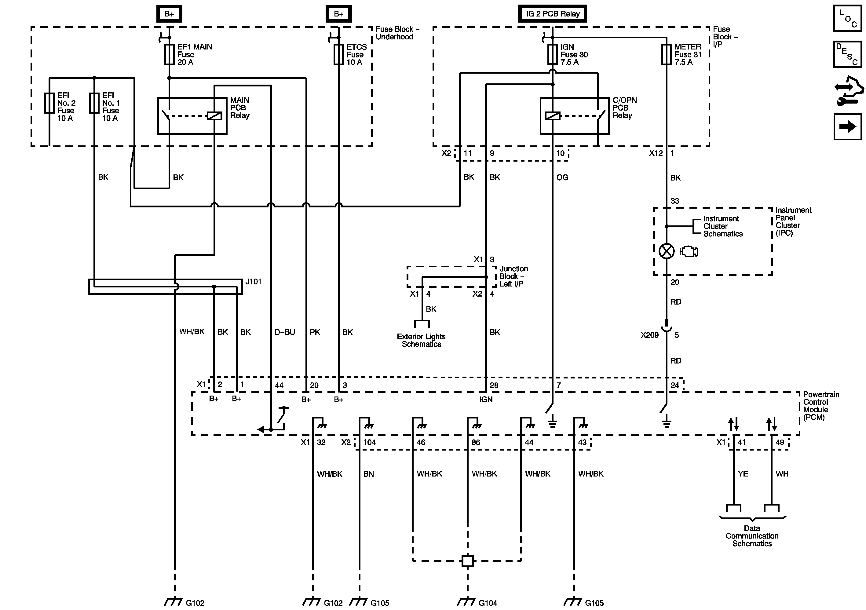
Figure 1:

Power, Ground, Serial Data and MIL


Object Number: 2032782  Size: FS
Figure 2:

Engine Data Sensors - MAF and ECT


Object Number: 2032787  Size: FS
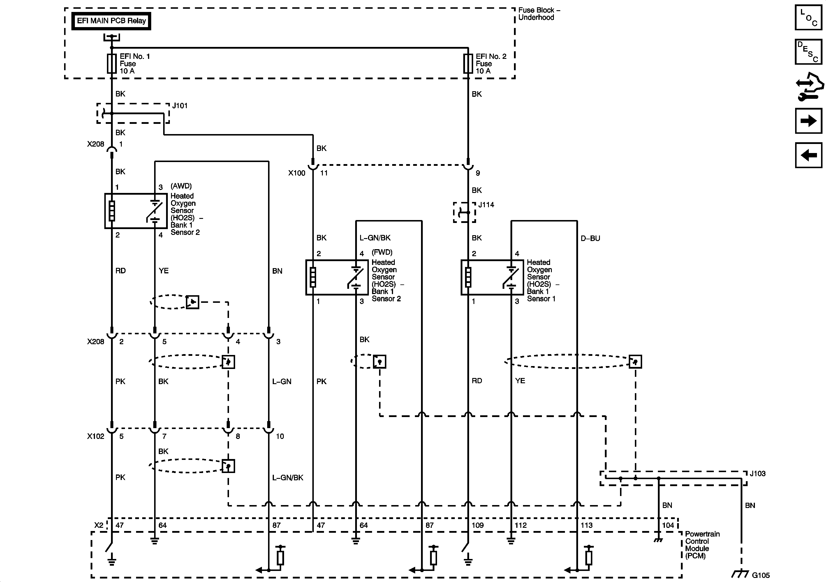
Figure 3:

Engine Data Sensors - Oxygen Sensors


Object Number: 2032789  Size: FS
Figure 4:

Electronic Throttle Controls


Object Number: 2032795  Size: FS
Figure 5:

Ignition System


Object Number: 2032798  Size: FS
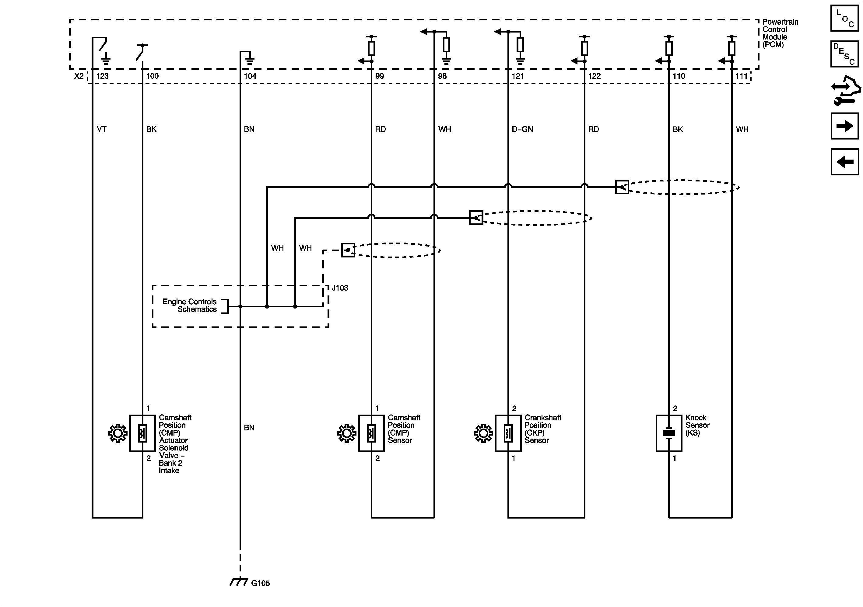
Figure 6:

Ignition Controls - Sensors


Object Number: 2032800  Size: FS
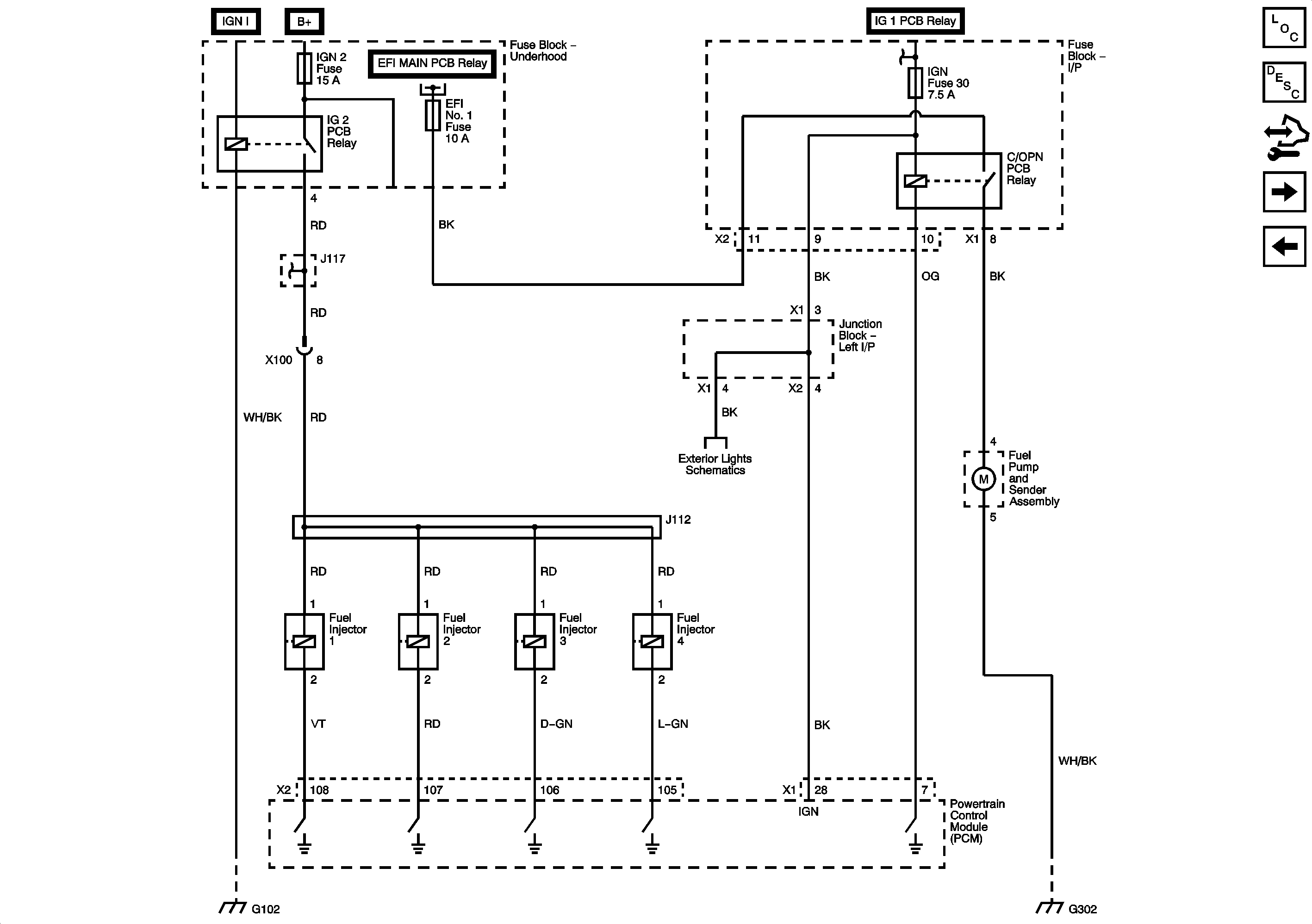
Figure 7:

Fuel Injectors and Fuel Pump


Object Number: 2032803  Size: FS
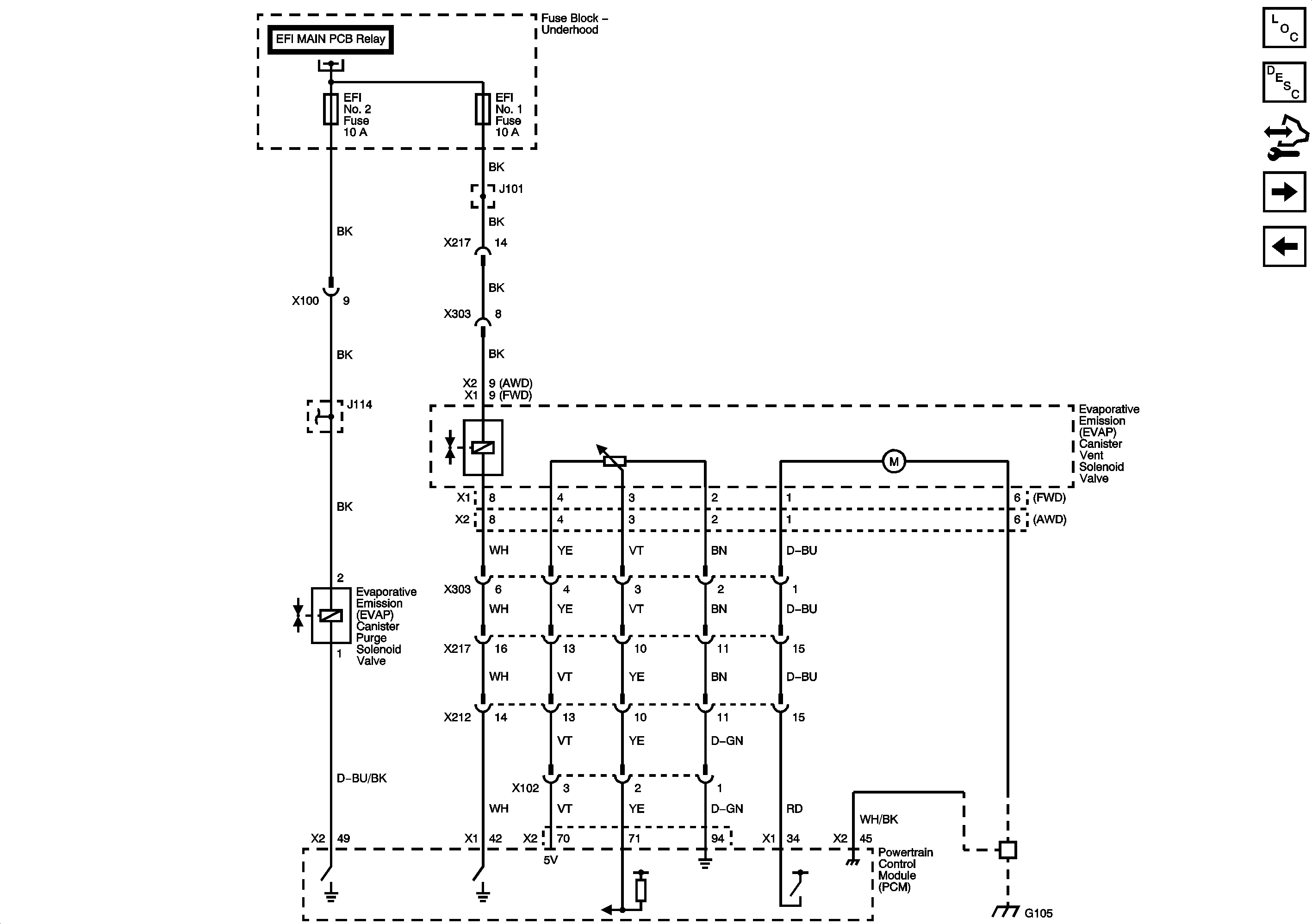
Figure 8:

EVAP Controls


Object Number: 2032807  Size: FS
Figure 9:

Controlled/Monitored Subsystems


Object Number: 2032835  Size: FS