GM Service Manual Online
For 1990-2009 cars only
Figure 1:

Power, Ground, Serial Data, and MIL


Object Number: 2032215  Size: FS
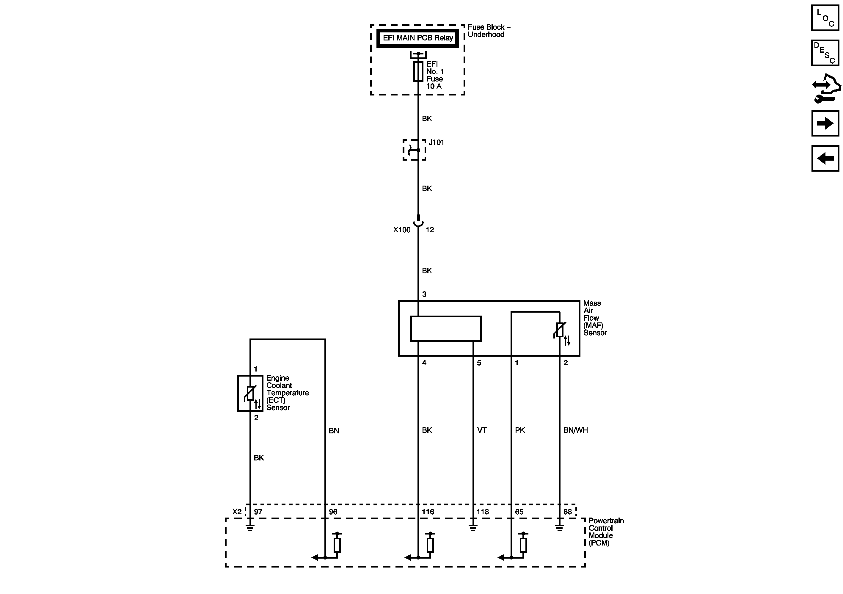
Figure 2:

Engine Data Sensors - MAF and ECT


Object Number: 2030374  Size: FS
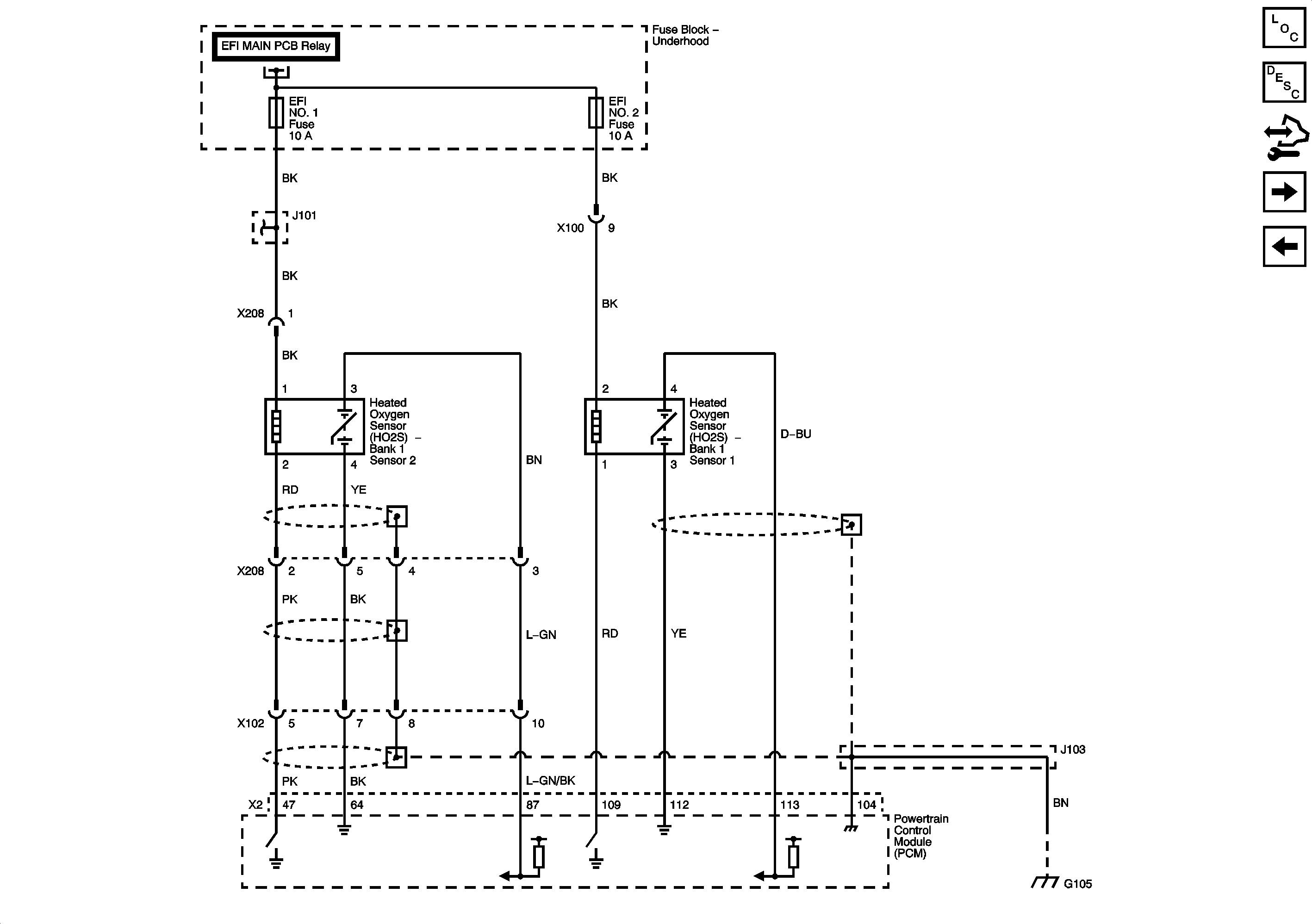
Figure 3:

Engine Data Sensors - Oxygen Sensors


Object Number: 2031069  Size: FS
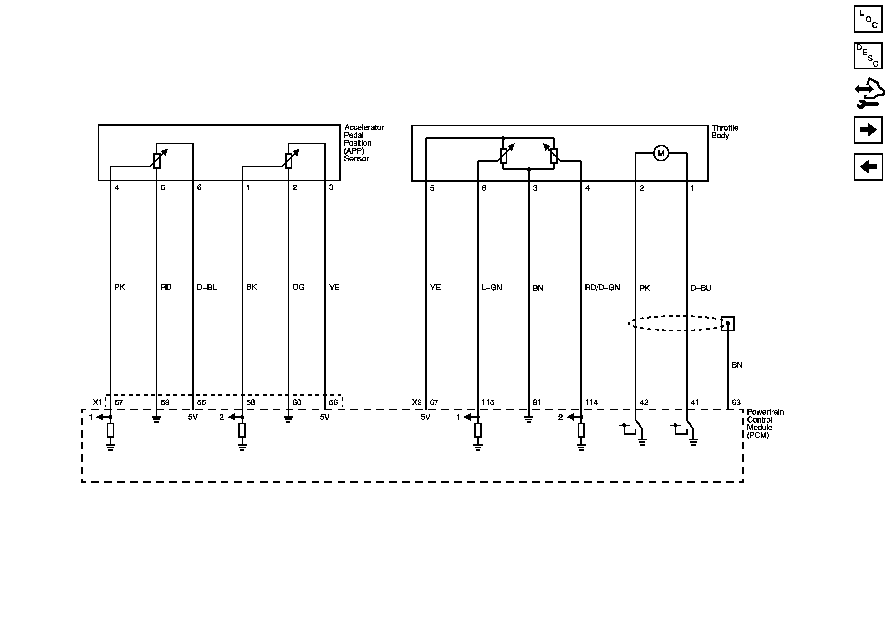
Figure 4:

Electronic Throttle Controls


Object Number: 2030446  Size: FS
Figure 5:

Ignition System


Object Number: 2029887  Size: FS
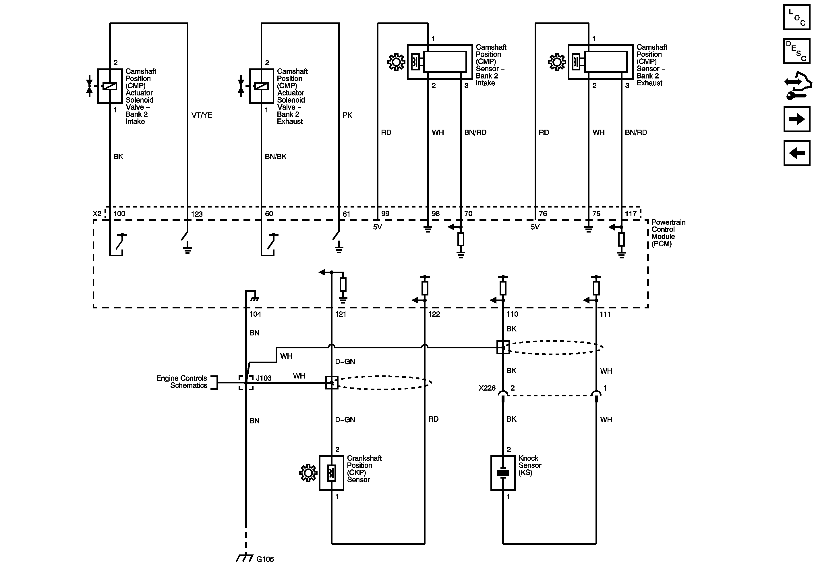
Figure 6:

Ignition Controls - Sensors


Object Number: 2030248  Size: FS
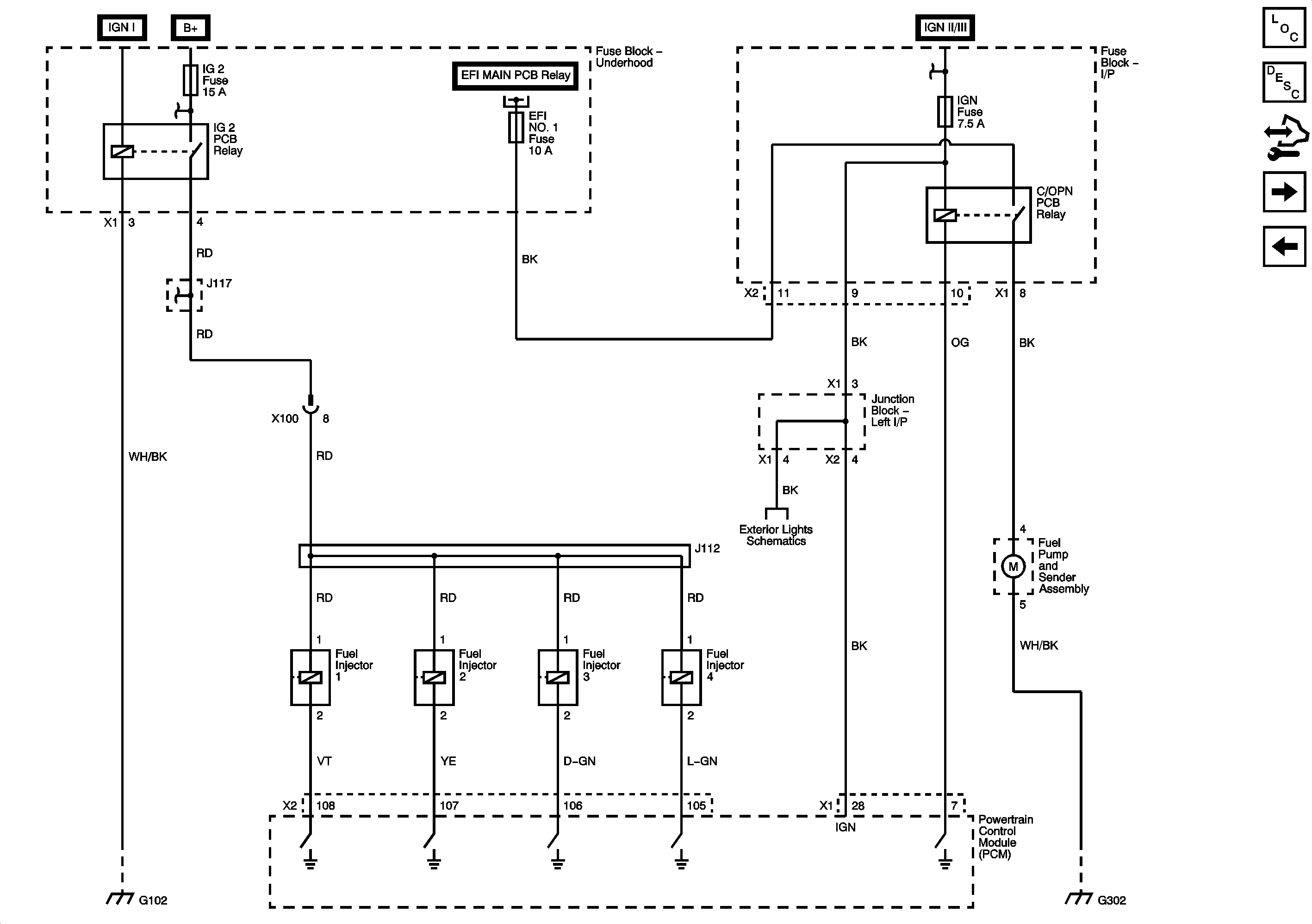
Figure 7:

Fuel Pump and Fuel Injectors


Object Number: 2029739  Size: FS
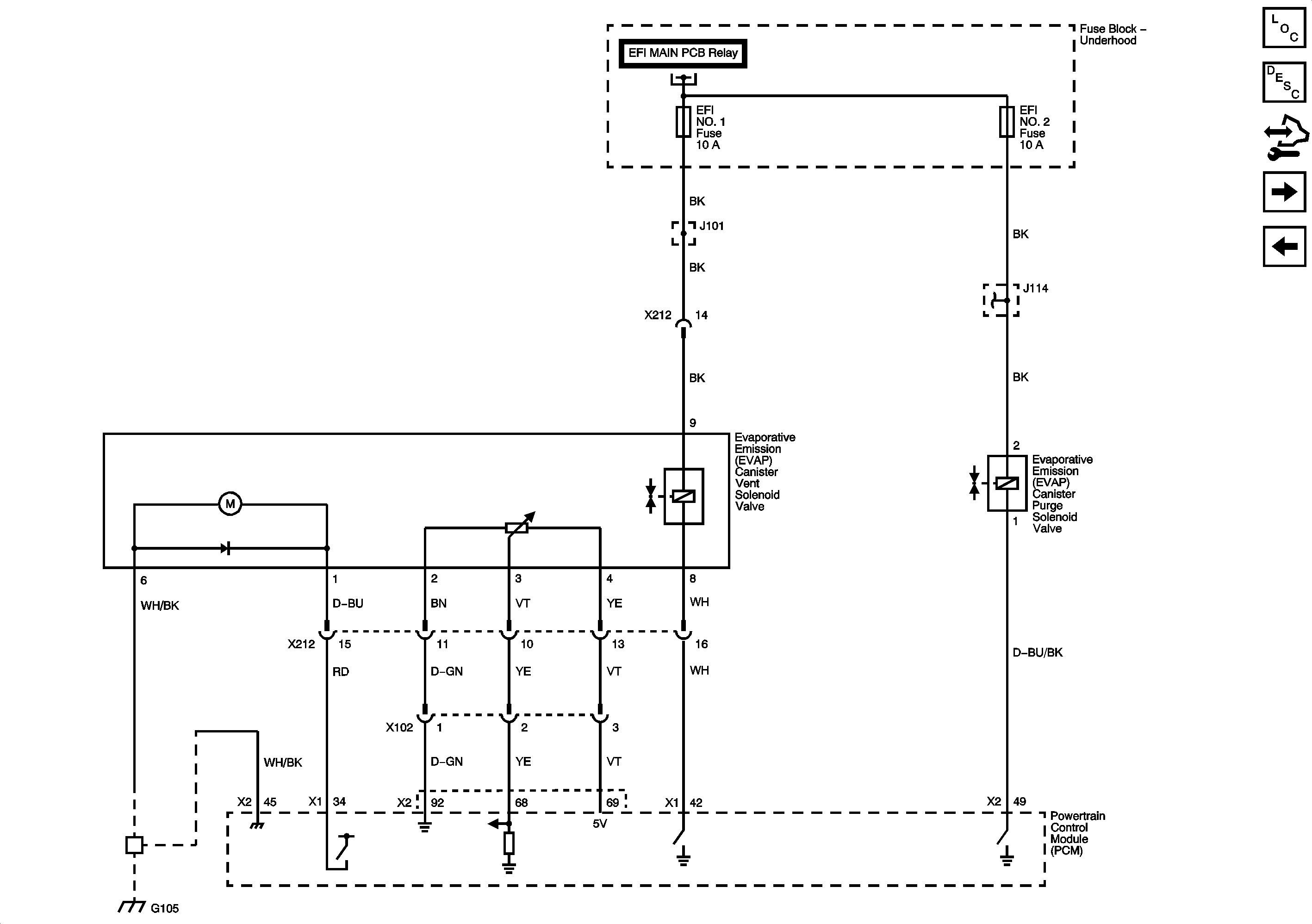
Figure 8:

Fuel Controls - EVAP Controls


Object Number: 2030348  Size: FS
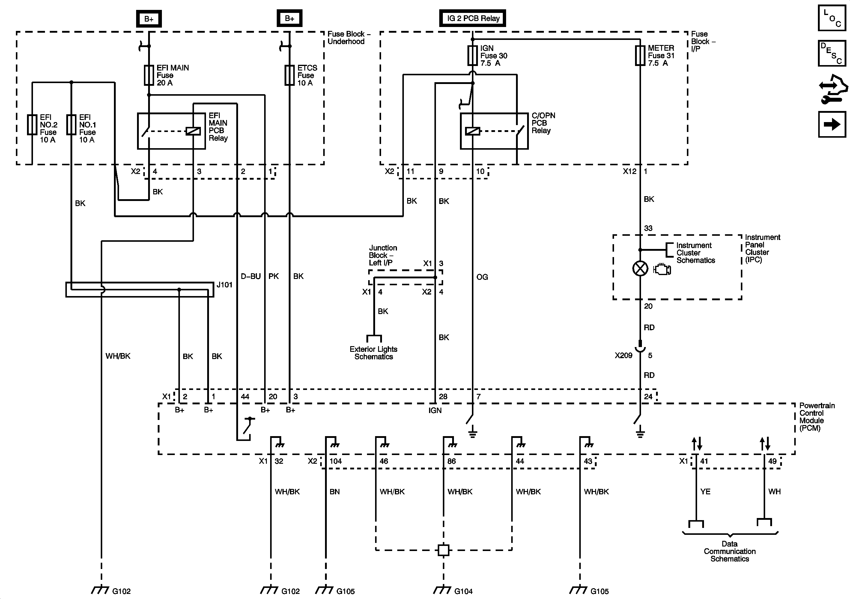
Figure 9:

Controlled/Monitored Subsystem References


Object Number: 2032602  Size: FS