GM Service Manual Online
For 1990-2009 cars only
Makes
🢒
Pontiac
🢒
2009
🢒
Vibe - FWD
🢒
Suspension
🢒
Tire Pressure Monitoring
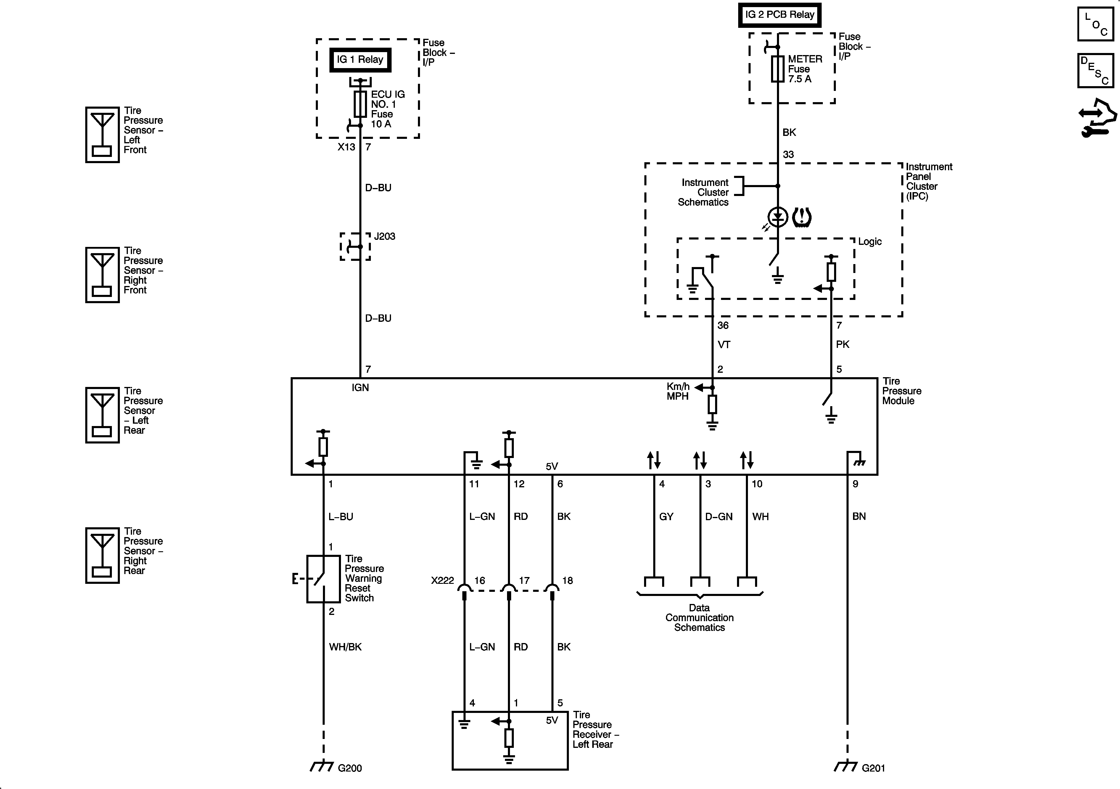
🢒 Tire Pressure Monitoring System Schematics