GM Service Manual Online
For 1990-2009 cars only
Makes
🢒
Pontiac
🢒
2009
🢒
Vibe - FWD
🢒
Body Systems
🢒
Lighting
🢒 Headlights/Daytime Running Lights (DRL) Schematics
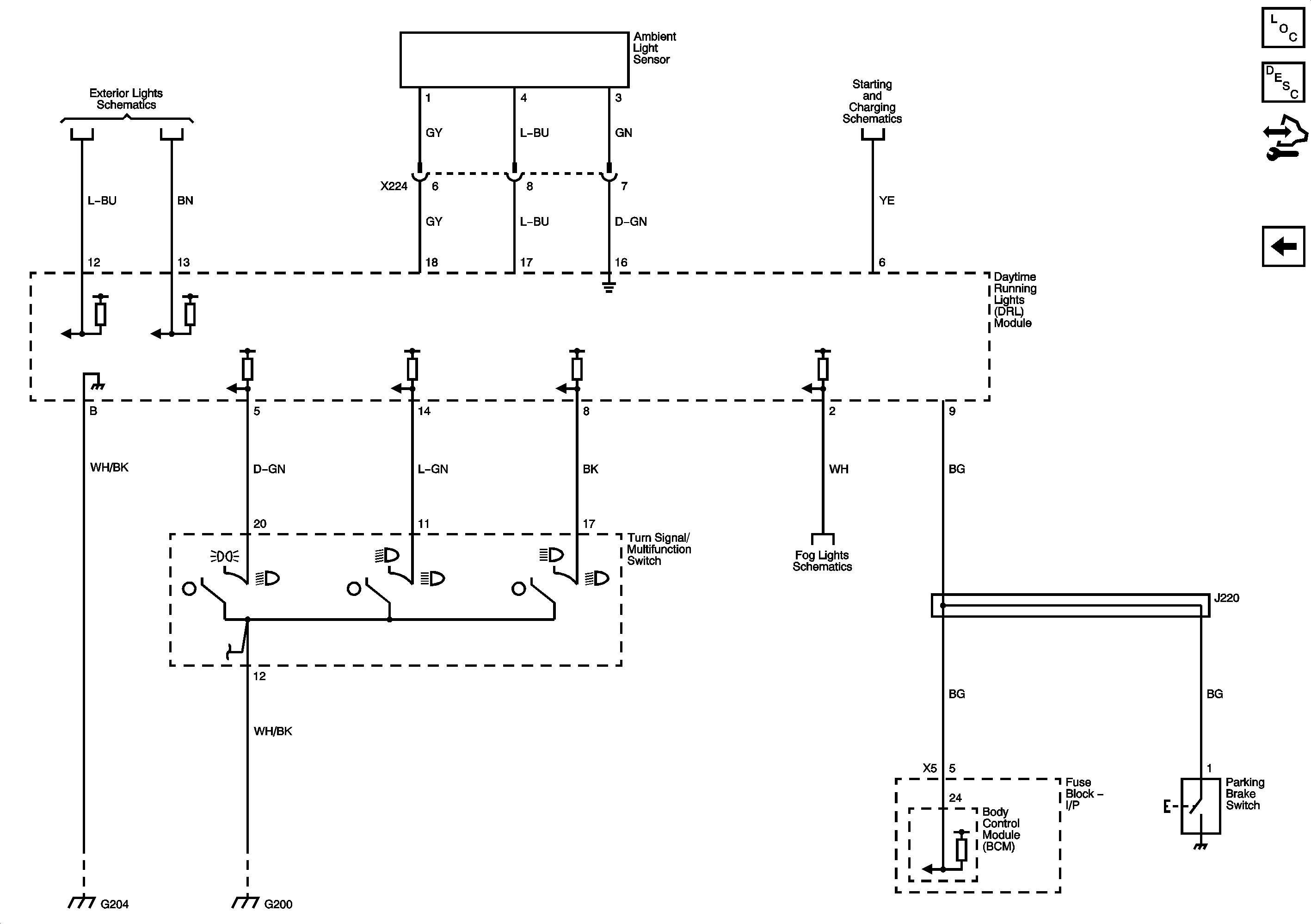
Figure
1:
Headlamps, Daytime Running Lamps (DRL) Control Module
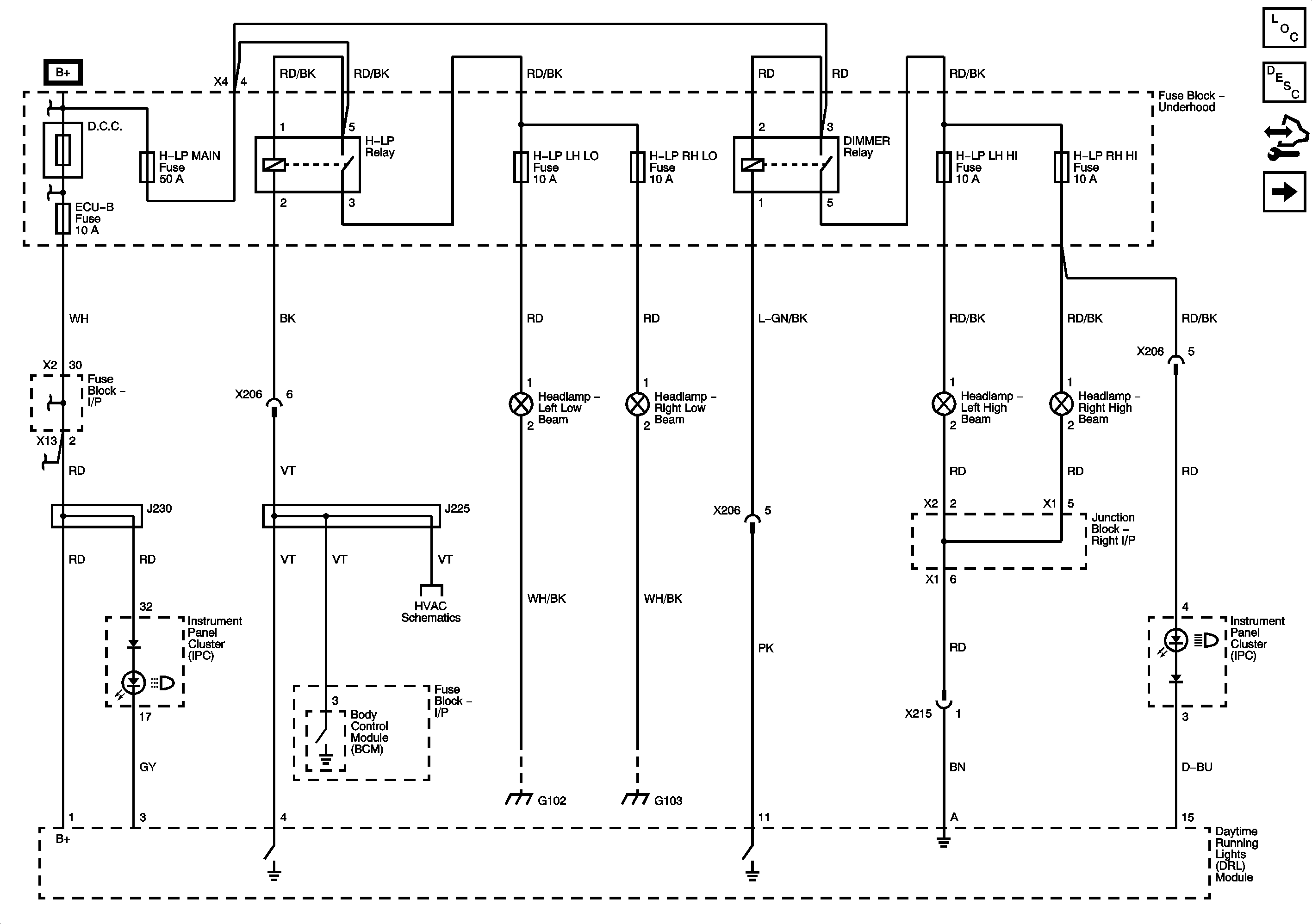
Figure
2:
Headlamp Switch, Ambient Light Sensor