GM Service Manual Online
For 1990-2009 cars only
Makes
🢒
Pontiac
🢒
2009
🢒
Vibe - FWD
🢒
Body Systems
🢒
Lighting
🢒 Interior Lights Schematics
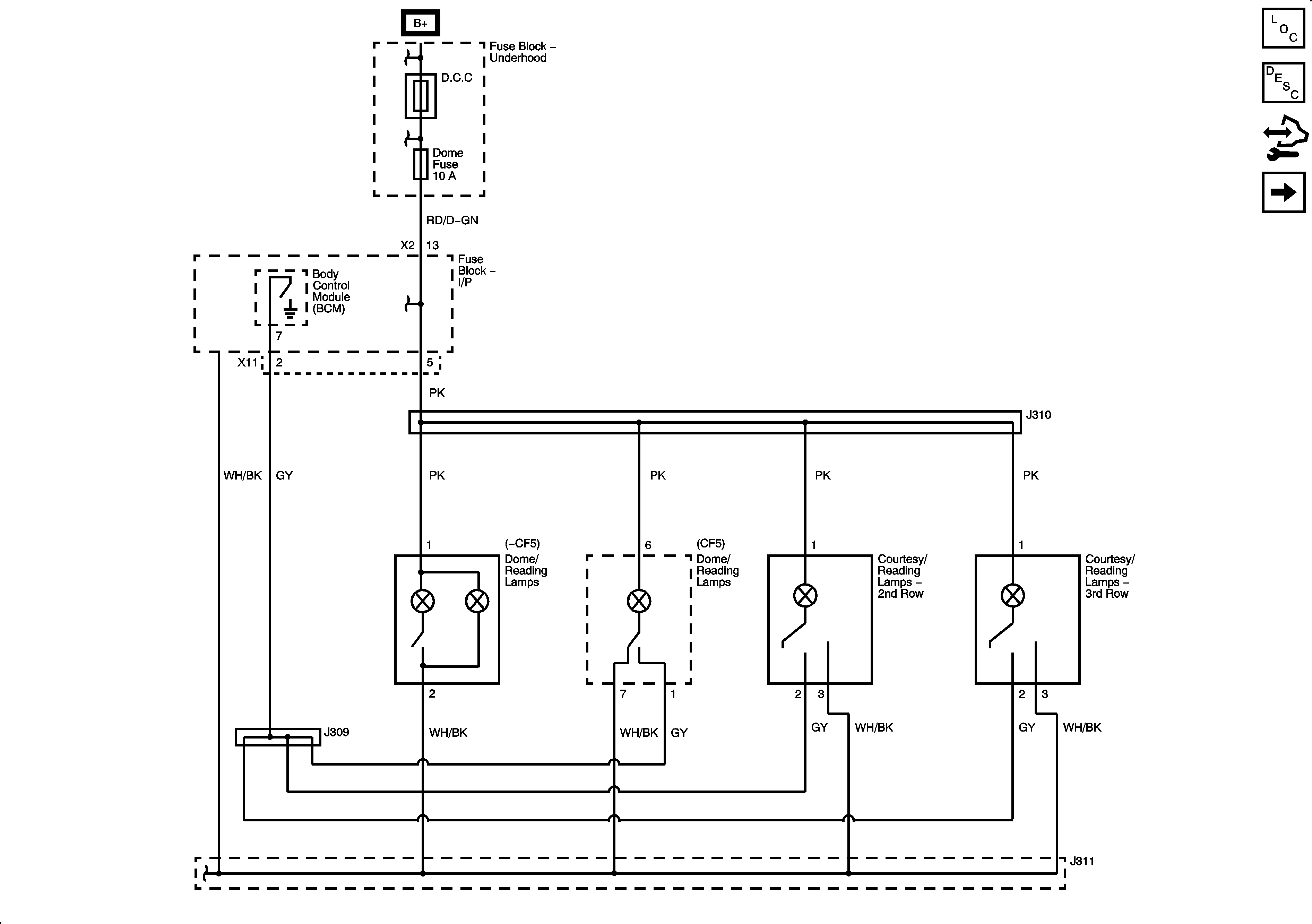
Figure
1:
Dome/Courtesy Lamps
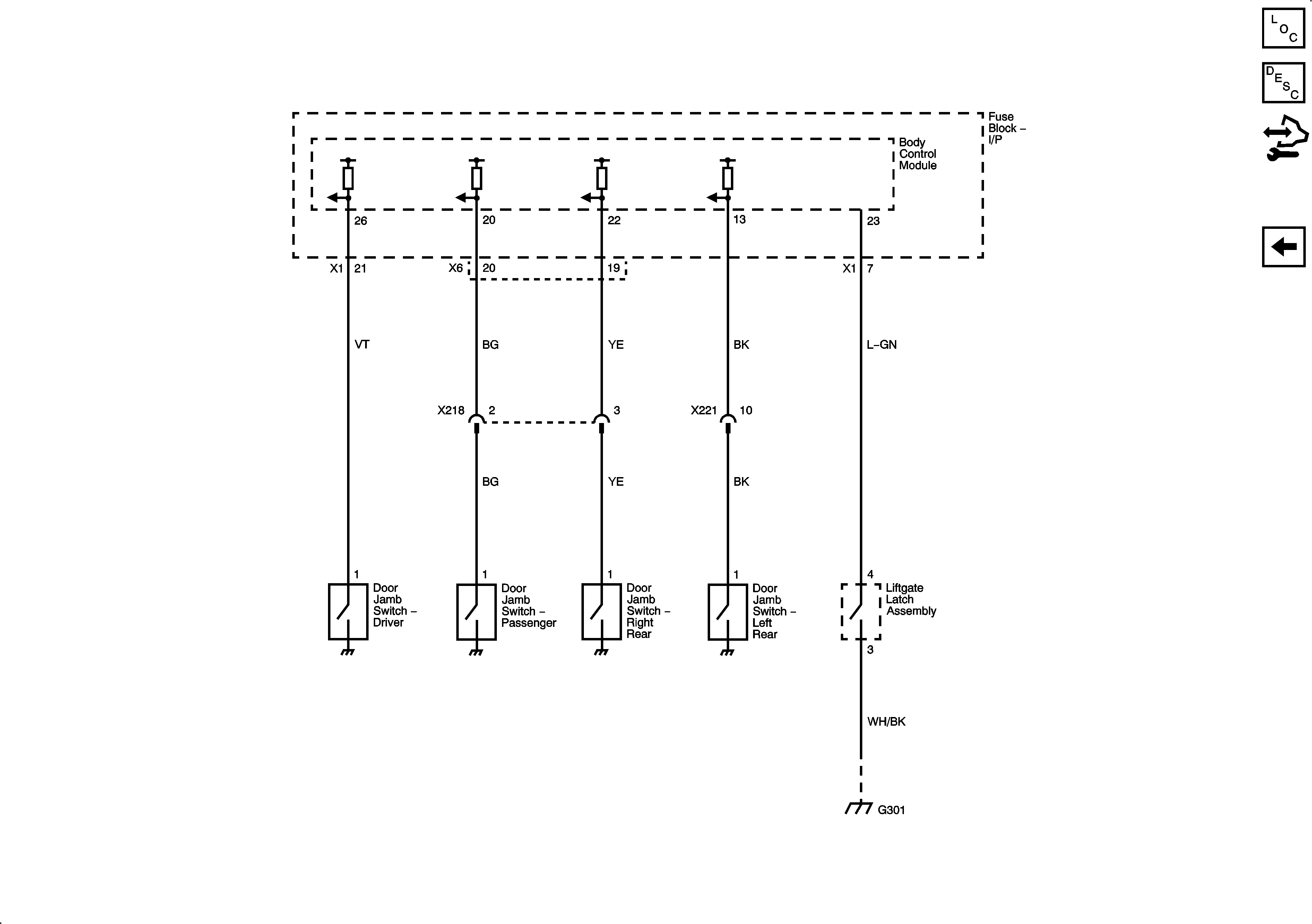
Figure
2:
Dome/Courtesy Lamp Switches