GM Service Manual Online
For 1990-2009 cars only
Makes
🢒
Pontiac
🢒
2009
🢒
Vibe - FWD
🢒
Body Systems
🢒
Lighting
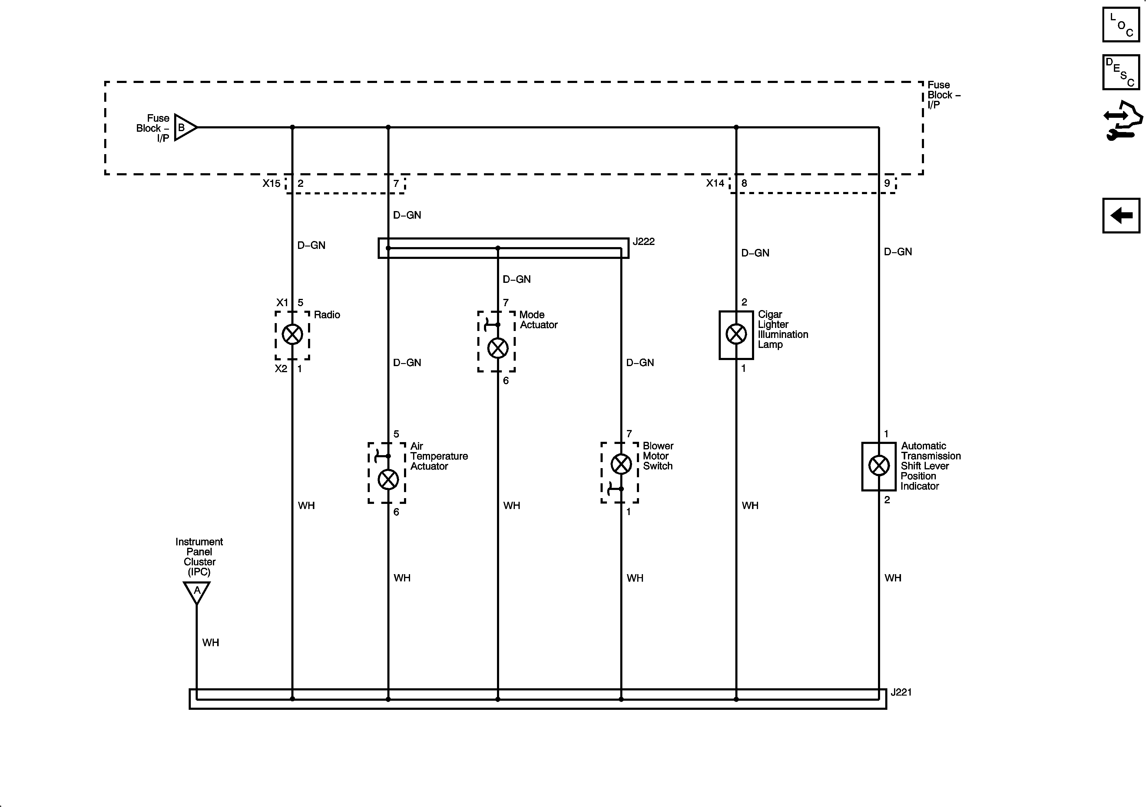
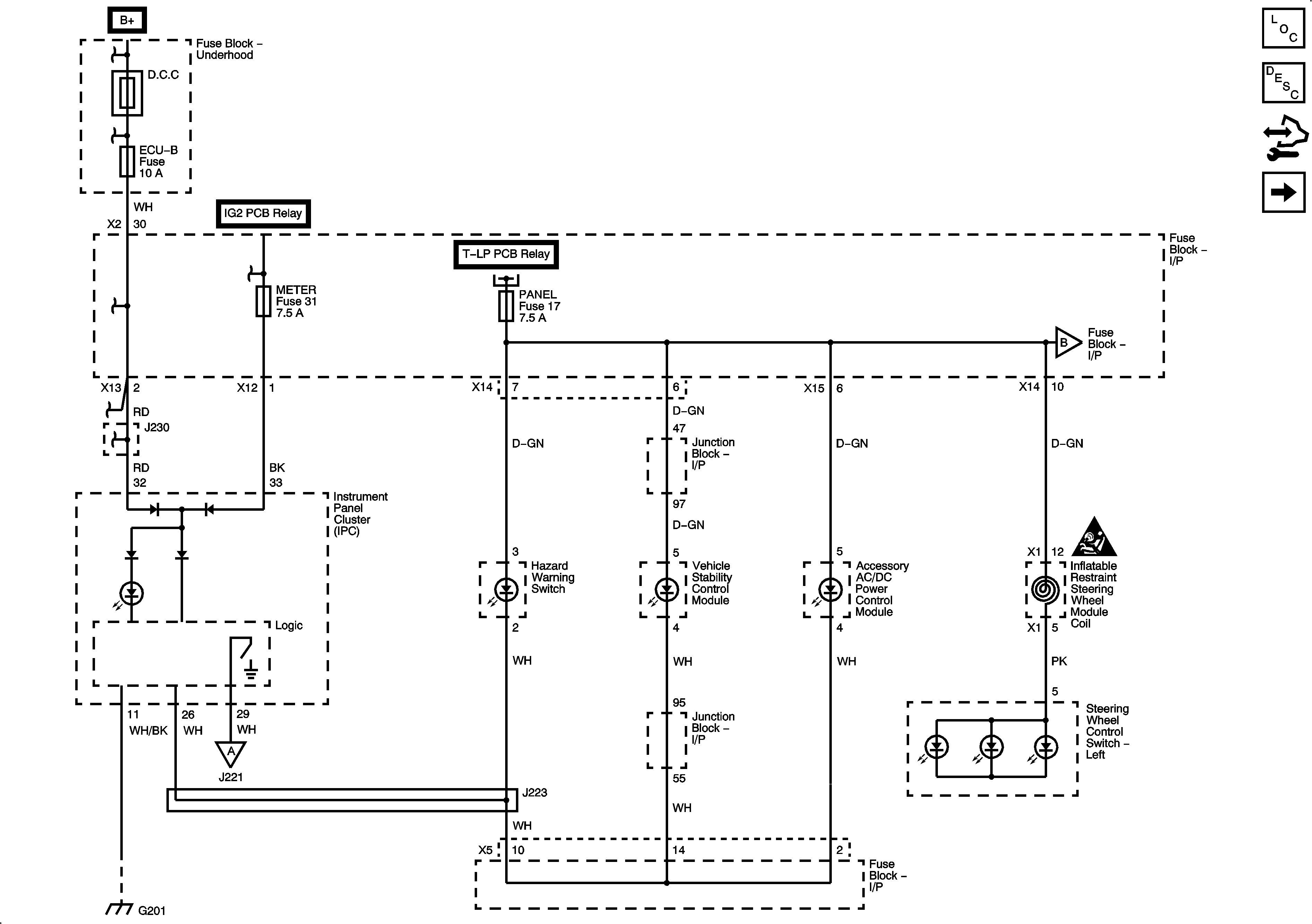
🢒 Interior Lights Dimming Schematics
Figure
1:
Power, Ground, I/P Dimmer Switch, Illumination
Figure
2:
Illumination