GM Service Manual Online
For 1990-2009 cars only
Makes
🢒
Pontiac
🢒
2009
🢒
Vibe - FWD
🢒
Driver Information and Entertainment
🢒
Displays and Gages
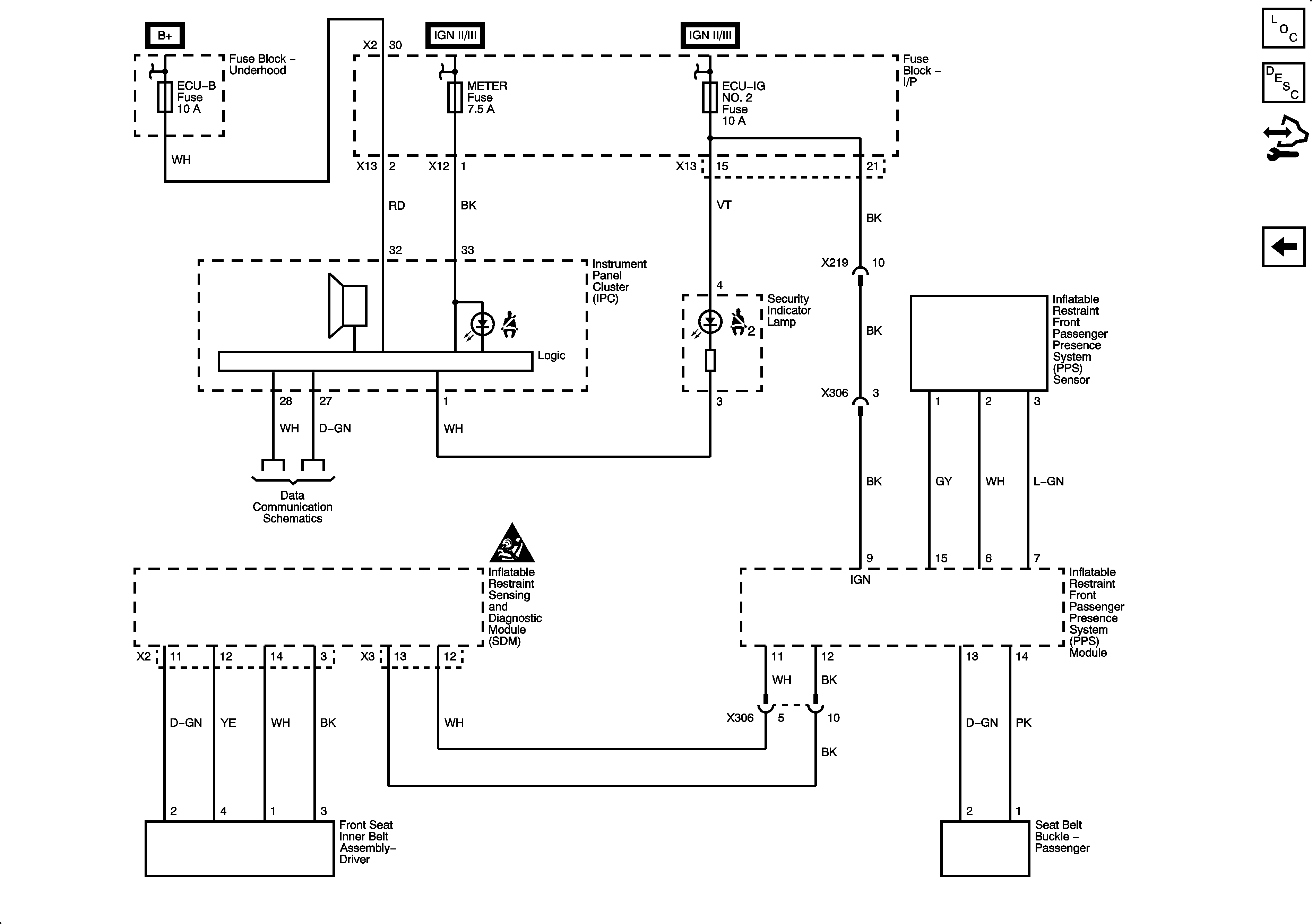
🢒 Audible Warnings Schematics
Figure
1:
Ignition Key Alarm Switch, Door Ajar Switch
Figure
2:
Seat Belt Warning Indicator