GM Service Manual Online
For 1990-2009 cars only
Makes
🢒
Pontiac
🢒
2009
🢒
Vibe - FWD
🢒
Driver Information and Entertainment
🢒
Displays and Gages
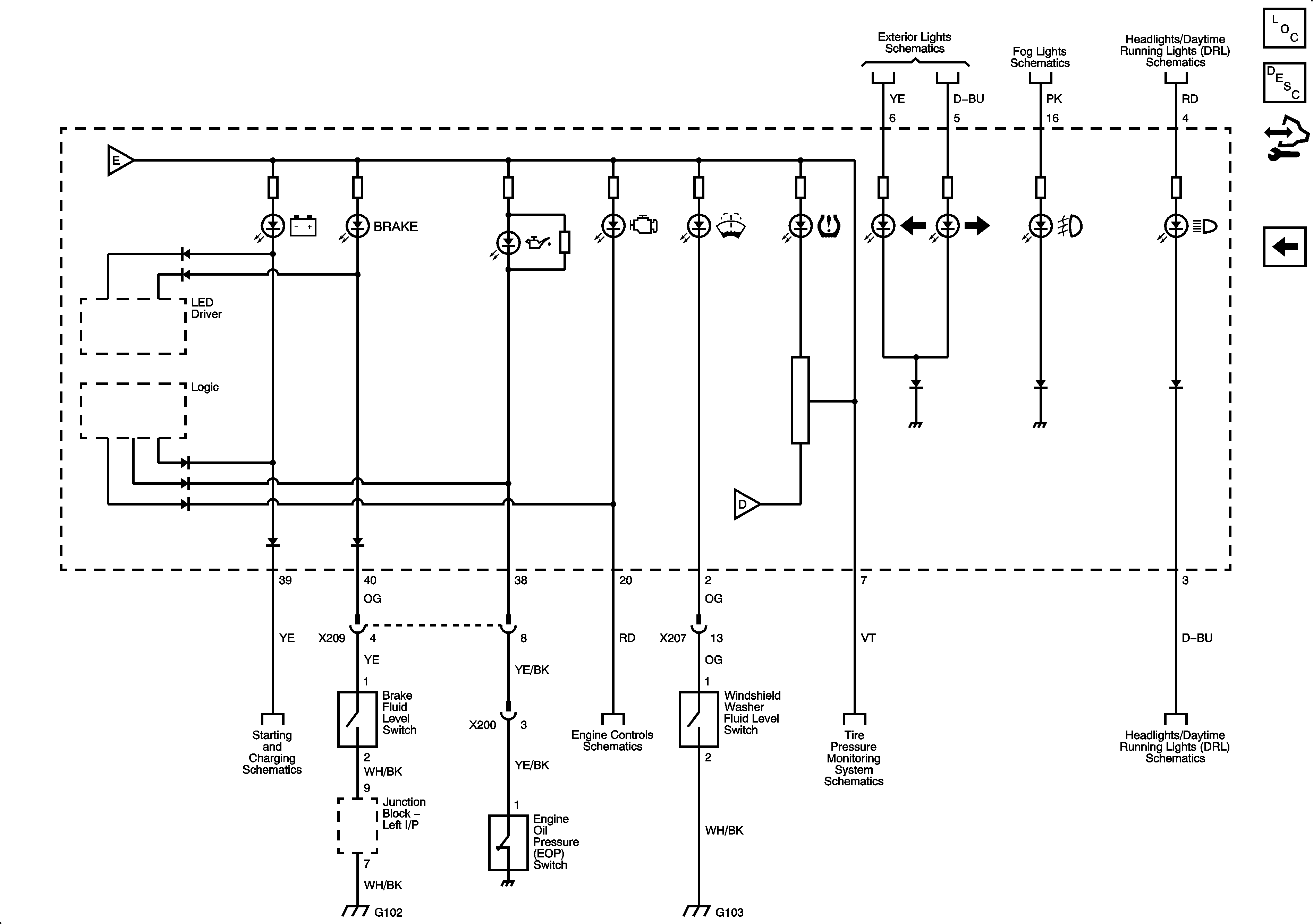
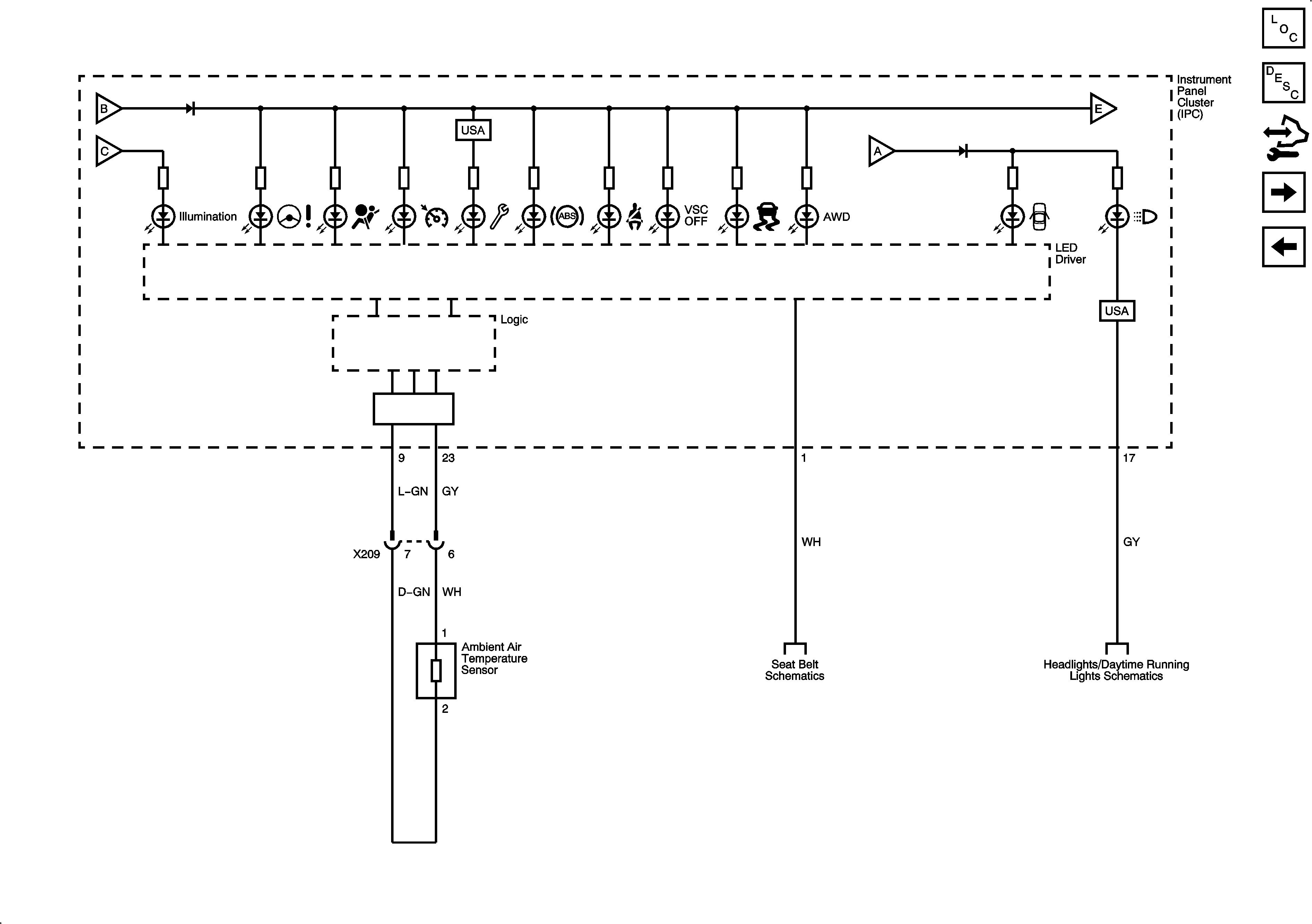
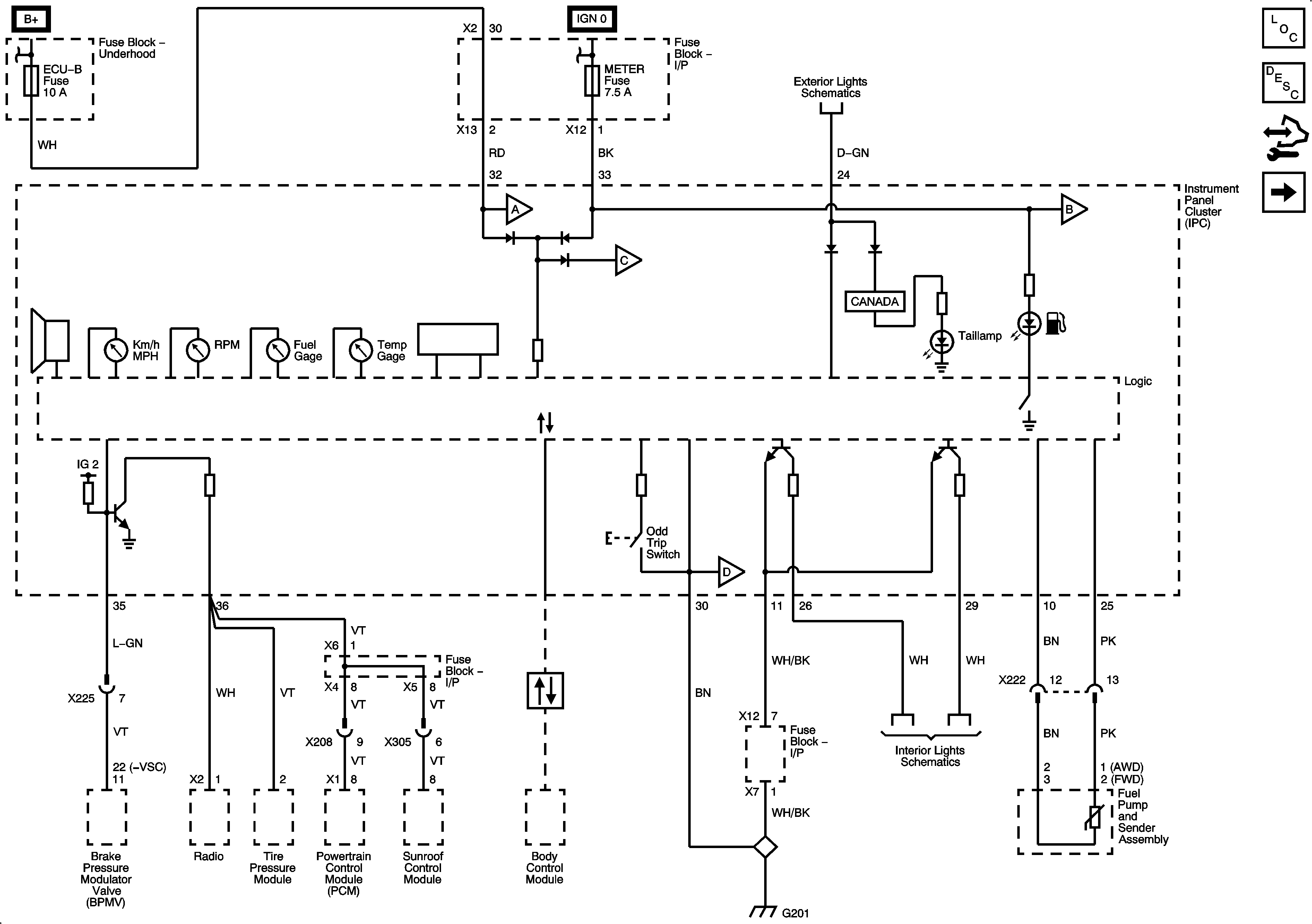
🢒 Instrument Cluster Schematics
Figure
1:
Power, Ground, Serial Data
Figure
2:
Indicators 1 of 2
Figure
3:
Indicators 2 of 2