GM Service Manual Online
For 1990-2009 cars only
Makes
🢒
Pontiac
🢒
2009
🢒
Vibe - FWD
🢒
Brakes
🢒
Antilock Brake System
🢒 Antilock Brake System Schematics
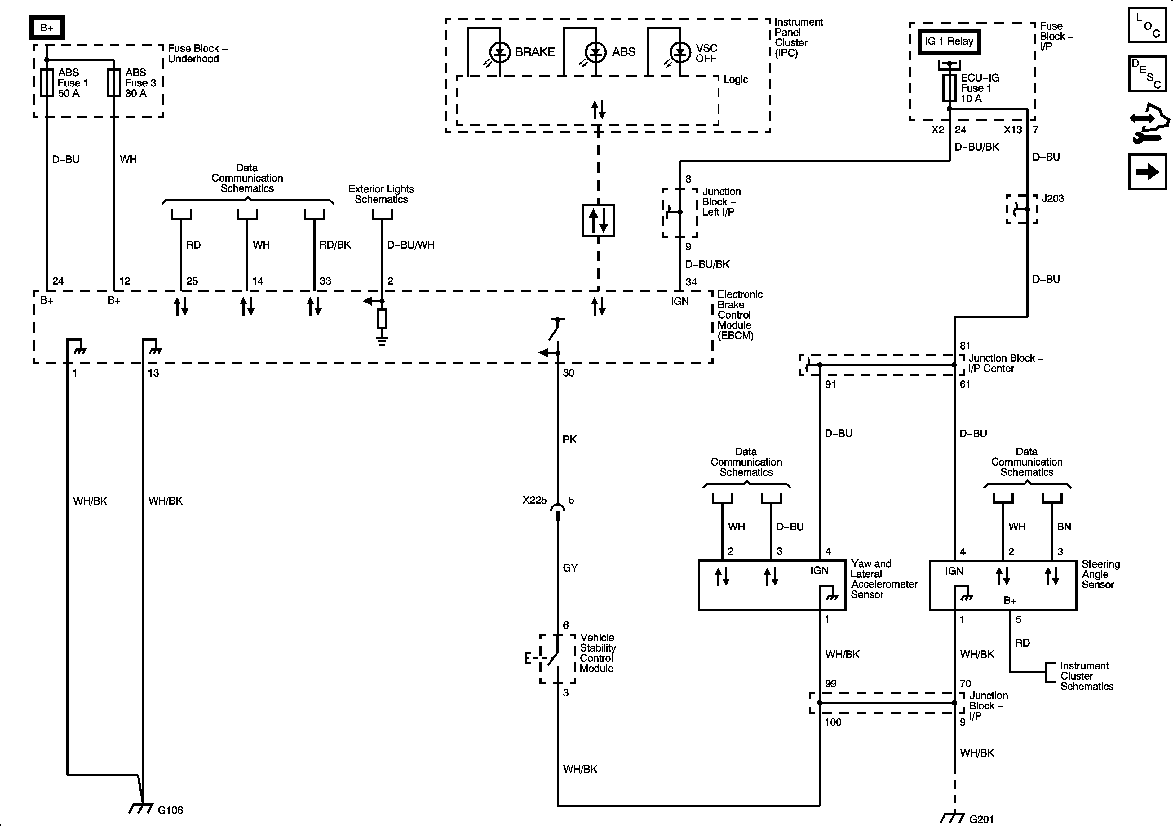
Figure
1:
Power, Ground, Indicator/Warning Lamps, Electronic Stability Sensors and Switches
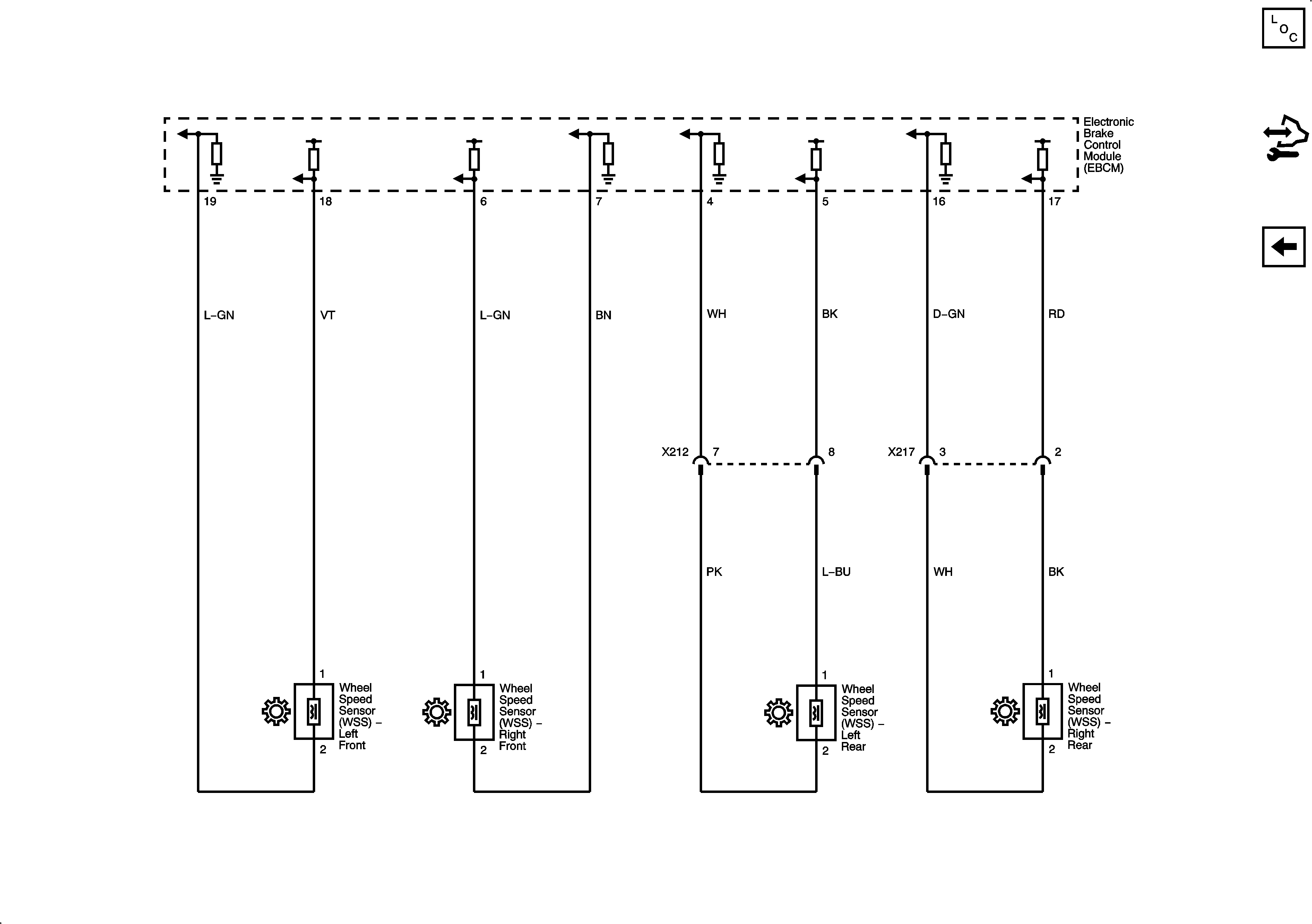
Figure
2:
Wheel Speed Sensors