GM Service Manual Online
For 1990-2009 cars only
Makes
🢒
Pontiac
🢒
2009
🢒
Vibe - FWD
🢒
Transmission
🢒
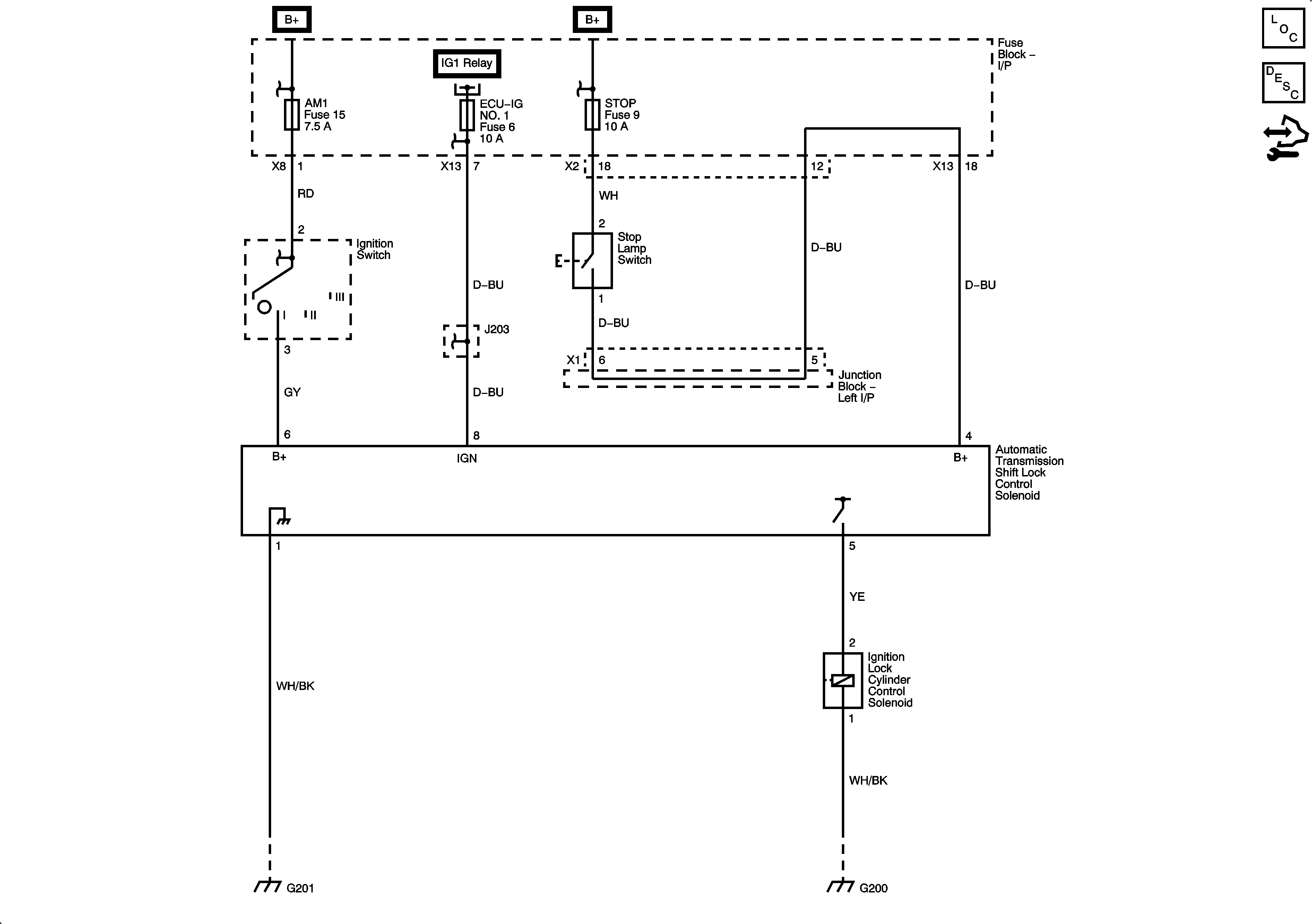
Shift Lock Control
🢒 Shift Lock Control Schematics