GM Service Manual Online
For 1990-2009 cars only

Special Tools

    • DT-49190 Counter Gear Nut Wrench
    • J-35405 Differential Preload Wrench

    Object Number: 2012805  Size: SH
  1. Install the front differential side gear.
  2. Note: When installing them, set the alignment of the front differential pinions perpendicular to that of the side gear and rotate them so that their holes are aligned with the holes in the differential case.

  3. After applying ATF WS to the front differential side gears, front differential side gear thrust washers, front differential pinions and front differential pinion thrust washers, install them to the front differential case.

  4. Object Number: 2012808  Size: SH
  5. Install the front No. 1 differential pinion shaft so as to align the lock pin holes in the pinion shaft and front differential case.
  6. Inspect the differential side gear backlash.

  7. Object Number: 2012809  Size: SH
  8. Using a pin punch and a hammer, install the pinion shaft straight pin.

  9. Object Number: 2012811  Size: SH
  10. Using a chisel and a hammer, stake the differential case.

  11. Object Number: 2012813  Size: SH
  12. Install the front differential ring gear.
  13. Using ATF WS and a heater, heat the front differential ring gear to 90 to 110°C (194 to 230°F).
  14. Clean the contact surface of the front differential case.
  15. Caution: Refer to Fastener Caution in the Preface section.


    Object Number: 2012815  Size: SH
  16. Install the new ring gear lock plates with the bolts and tighten to 88 N·m (65 lb ft).

  17. Object Number: 2012825  Size: SH
  18. Using a suitable tool (1), stake the ring gear lock plate.

  19. Object Number: 2012827  Size: SH
  20. Using a press (1), install the front differential case rear tapered roller bearing inner race to the differential case.

  21. Object Number: 2012829  Size: SH
  22. Using a press (2), install the shim and bearing outer race to the transaxle case.

  23. Object Number: 2012831  Size: SH
  24. Using a press, install the front differential case front tapered roller bearing inner race to the differential case.

  25. Object Number: 2012833  Size: SH
  26. Using a press (1), install the front differential case front tapered roller bearing to the transaxle housing.

  27. Object Number: 2012597  Size: LF
  28. Check each bearing position and installation direction.
  29. Inspect the differential case tapered roller bearing preload.
  30. Coat the front differential case and bearing with ATF WS and install them to the transaxle case.

  31. Object Number: 2012598  Size: SH
  32. Install the transaxle housing with the bolts (1-2).
  33. • Tighten bolts 1 to 29 N·m (21 lb ft).
    • Tighten bolts 2 to 22 N·m (16 lb ft).

    Object Number: 2012599  Size: SH
  34. Using J-35405 Differential Preload Wrench and a small torque wrench, measure the preload of the differential gear. Refer to Transmission General Specifications for Preload.
  35. If the preload is not within the specification, remove the differential from the transaxle case.

    Select a new transaxle case side adjusting shim in accordance with the specification. Refer to Transmission General Specifications for Adjusting Shim Thickness.


    Object Number: 2012600  Size: SH
  36. Coat the lip of a new No. 1 transaxle case oil seal with MP grease.
  37. Using a suitable tool (1), drive in the No. 1 transaxle case oil seal (2).
  38. Specification
    Seal depth: -0.5 to 0.5 mm (-0.0197 to 0.0197 in)


    Object Number: 2012602  Size: SH
  39. Coat the lip of a new front transaxle case oil seal with MP grease.
  40. Using a suitable tool (1, 2), drive in the front transaxle case oil seal.
  41. Specification
    Seal depth: 2.2 to 3.2 mm (0.0866 to 0.126 in)


    Object Number: 2012604  Size: SH
  42. Install the No. 1 transaxle case plate (1) onto the transaxle case.

  43. Object Number: 2012605  Size: SH
  44. Using a suitable tool (1, 2), install the front drive pinion rear tapered roller bearing to the transaxle case.

  45. Object Number: 2012607  Size: SH
  46. Install the thrust bearing to the transaxle housing.
  47. Using a press (1, 2), install a new front drive pinion front tapered roller bearing to the transaxle housing.

  48. Object Number: 2012410  Size: SH
  49. Install the differential gear lube apply tube (1) to the transaxle housing.

  50. Object Number: 2012409  Size: SH
  51. Install the bearing lock plate to the transaxle housing with the bolt (1) and tighten to 11 N·m (97 lb in).

  52. Object Number: 2012436  Size: SH
  53. Using a screwdriver, install the counter drive gear hole snap ring to the transaxle case.

  54. Object Number: 2012612  Size: SH
  55. Using a suitable tool (1, 2), install the counter drive gear bearing outer race LH to the transaxle case.
  56. Install the counter drive gear bearing LH to the transaxle case.

  57. Object Number: 2012613  Size: SH
  58. Using a suitable tool (1, 2), install the counter drive gear bearing outer race RH to the transaxle case.
  59. Install the counter drive gear bearing RH to the transaxle case.

  60. Object Number: 2012615  Size: SH
  61. Coat the lip of a new manual valve lever shaft oil seal with MP grease.
  62. Using a suitable tool (1, 2), install the new manual valve lever shaft oil seal.
  63. Specification
    Seal depth: -0.5 to 0.5 mm (-0.020 to 0.020 in)


    Object Number: 2012619  Size: SH

    Note: 

       • When replacing the counter driven gear, replace the counter drive gear in the transaxle case as well.
       • Press in the differential drive pinion until it comes into contact with the counter driven gear.

  64. Using a press (1, 2), install the differential drive pinion to the counter driven gear.

  65. Object Number: 2012620  Size: SH
  66. Install a new differential drive pinion plug (3) to the differential drive pinion.
  67. Specification
    Standard clearance - 2.5 to 3.5 mm (0.0984 to 0.137 in).


    Object Number: 2012621  Size: SH
  68. Install the counter driven gear and drive pinion thrust bearing to the transaxle case.
  69. Coat the parking lock pawl shaft with ATF WS.

  70. Object Number: 2012397  Size: SH

    Note: Check that the parking lock pawl moves smoothly.

  71. Install the parking lock pawl, parking lock pawl shaft torsion spring (1) and parking lock pawl shaft to the transaxle case.

  72. Object Number: 2012393  Size: SH

    Note: Do not damage the oil seal lip.

  73. Install the manual valve lever shaft to the transaxle case.

  74. Object Number: 2012385  Size: SH
  75. Install the parking lock rod to the manual valve lever.
  76. Coat the manual valve lever sub-assembly with ATF WS.
  77. Install the manual valve lever and a new manual valve lever spacer to the manual valve lever shaft.

  78. Object Number: 2012384  Size: SH
  79. Using a pin punch and hammer, drive in the pin.

  80. Object Number: 2012626  Size: SH
  81. Turn the spacer and lever shaft (1) to align the small hole for locating the staking position mark on the lever shaft.
  82. Using a pin punch, stake the spacer through the small hole.
  83. Check that the spacer does not turn.

  84. Object Number: 2012378  Size: SH
  85. Install the manual valve lever shaft retainer spring to the manual valve lever shaft.

  86. Object Number: 2012376  Size: SH
  87. Install the parking lock pawl bracket, parking lock rod and cam guide sleeve to the transaxle case with the bolts and tighten to 20 N·m (15 lb ft).

  88. Object Number: 2012629  Size: SH
  89. Using a press (1), install the counter drive gear to the transaxle case.

  90. Object Number: 2012630  Size: SH
  91. Using a press (1), install the planetary gear assembly to the transaxle case.

  92. Object Number: 2012367  Size: SH
  93. Secure the counter driven gear with the parking lock pawl.

  94. Object Number: 2012633  Size: SH
  95. Using DT-49190 Counter Gear Nut Wrench  (1) , install a new lock washer and nut and tighten to 280 N·m (207 lb ft).

  96. Object Number: 2012635  Size: SH
  97. Using DT-49190 Wrench  (1) , measure the rotating torque while turning the counter drive gear at 60 turns per minute. Tighten the drive gear to 0.20-0.49 N·m (1.8-4.3 lb in).

  98. Object Number: 2012636  Size: SH
  99. Using a suitable tool (1), stake the lock nut washer.

  100. Object Number: 2012365  Size: SH
  101. Coat the new No. 2 1st and reverse brake piston O-rings (1) with ATF WS, and install them to the No. 2 1st and reverse brake piston.

  102. Object Number: 2012638  Size: SH

    Note: Do not damage the oil seal lip.

  103. Coat the No. 2 1st and reverse brake piston with ATF WS, and install it to the transaxle case.

  104. Object Number: 2012362  Size: SH
  105. Install the 1st and reverse brake return spring sub-assembly to the transaxle case.
  106. Using a press and a screwdriver, install the snap ring.

  107. Object Number: 2012639  Size: SH
  108. Install the 1st and reverse brake disc.
  109. Install the plates (1), discs (3) and flange (2) to the transaxle case.
  110. Using a screwdriver, install the snap ring.
  111. Inspect the pack clearance of 1st and reverse brake.

  112. Object Number: 2012640  Size: SH
  113. Using a dial indicator (1), measure the 1st and reverse brake clearance while pressing the discs and plates from the rear side.
  114. Specification
    Pack clearance - 0.81 to 1.20 mm (0.0318 to 0.0472 in).

  115. There are four different thicknesses of flanges available. Refer to Transmission General Specifications for Reverse Brake Flange Thickness Chart.
  116. If the clearance is not within the specified range, select a new reverse brake flange.

  117. Check that the 1st and reverse brake piston moves when compressed air is applied to the oil hole.

  118. Object Number: 2012643  Size: SH
  119. Install the planetary sun gear and needle roller bearing to the planetary gear assembly.

  120. Object Number: 2012357  Size: SH

    Note: Do not damage the O-rings.

  121. Coat the new 2nd brake cylinder O-rings with ATF WS and install them into the 2nd brake cylinder.

  122. Object Number: 2012644  Size: SH

    Note: Do not damage the O-rings when pressing the 2nd brake piston into the 2nd brake cylinder by hand.

  123. Coat the 2nd brake piston with ATF WS and install it into the 2nd brake cylinder.

  124. Object Number: 2012355  Size: SH
  125. Install the piston return spring.

  126. Object Number: 2012354  Size: SH
  127. Compress the piston return spring with a press (1).
  128. Note: Make sure that the end gap of the snap ring is not aligned with the piston return spring claw.

  129. Using a screwdriver, install the snap ring.

  130. Object Number: 2012353  Size: SH
  131. Install the outer race retainer (1) to the No. 2 one-way clutch.

  132. Object Number: 2012352  Size: SH
  133. Install the No. 2 one-way clutch and 2nd brake piston assembly to the rear planetary gear assembly.

  134. Object Number: 2012647  Size: SH
  135. Install the No. 2 thrust bearing race, the planetary gear thrust needle roller bearing and thrust bearing race to the rear planetary gear assembly.

  136. Object Number: 2012648  Size: SH
  137. Install the rear planetary gear assembly to the transaxle case.
  138. Using a screwdriver, install the snap ring.

  139. Object Number: 2012349  Size: SH
  140. Check that the rear planetary gear assembly (1) turns freely counterclockwise and locks when turned clockwise.

  141. Object Number: 2012347  Size: SH
  142. Install the 2nd brake piston sleeve to the transaxle case.

  143. Object Number: 2012649  Size: SH
  144. Install the discs (5), No. 1-2nd brake flanges (3) and 2nd brake flanges (1, 4) to the transaxle case.

  145. Object Number: 2012346  Size: SH
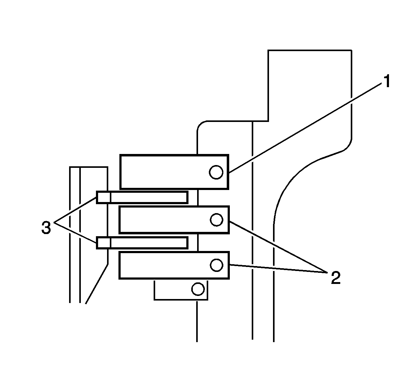
  146. Using a screwdriver, install the snap rings (1, 2) to the transaxle case.

  147. Object Number: 2012650  Size: SH
  148. Inspect the pack clearance of 2nd brake.
  149. Note: If the clearance is not within the specified range, select a new brake flange.

  150. Using a dial indicator, measure the 2nd brake pack clearance while applying and releasing compressed air.
  151. Specification
    Pack clearance - 0.85 to 1.24  mm (0.0334 to 0.0488 in)

  152. There are four different thicknesses of flanges available. Refer to Transmission General Specifications for 2nd Brake Flange Thickness Chart.

  153. Object Number: 2012345  Size: SH
  154. Install the No. 2 thrust washer to the rear planetary gear assembly.
  155. Install the one-way clutch assembly to the rear planetary sun gear assembly.

  156. Object Number: 2012344  Size: SH
  157. Inspect the one-way clutch assembly.
  158. Hold the rear planetary sun gear, turn the one-way clutch and check that the one-way clutch turns freely counterclockwise and locks when turned clockwise.

  159. Object Number: 2012652  Size: SH
  160. Install the thrust needle roller bearing and the washer to the rear planetary sun gear.

  161. Object Number: 2012339  Size: SH
  162. Install the rear planetary sun gear assembly.

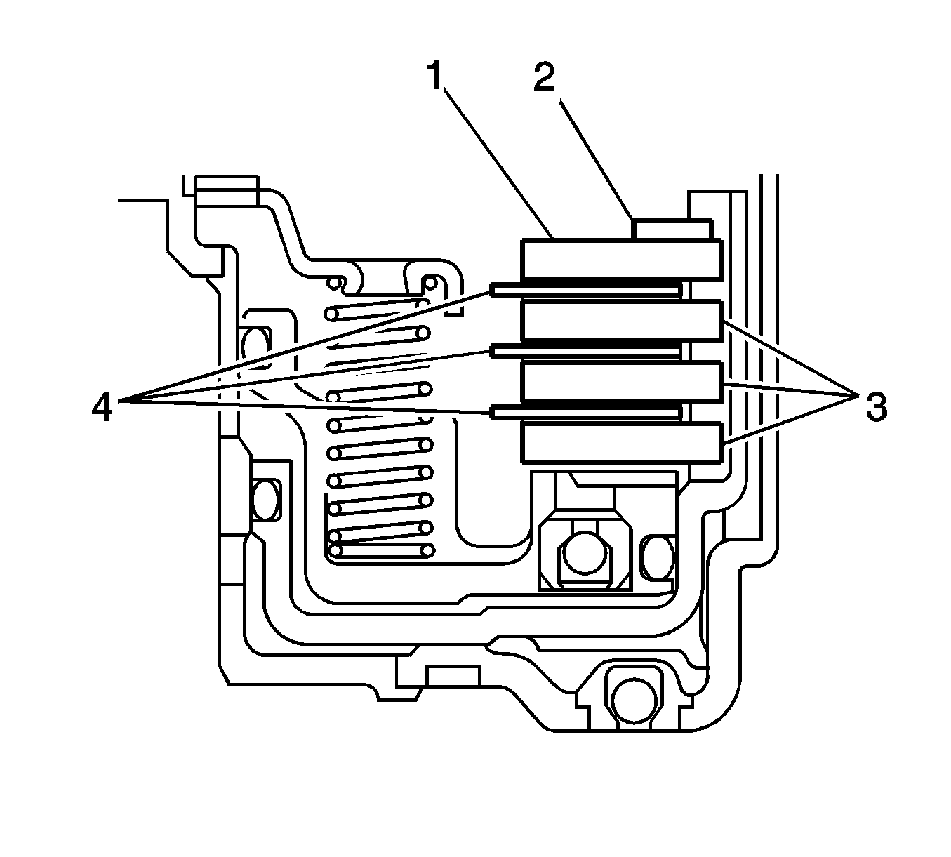
  163. Object Number: 2012653  Size: SH
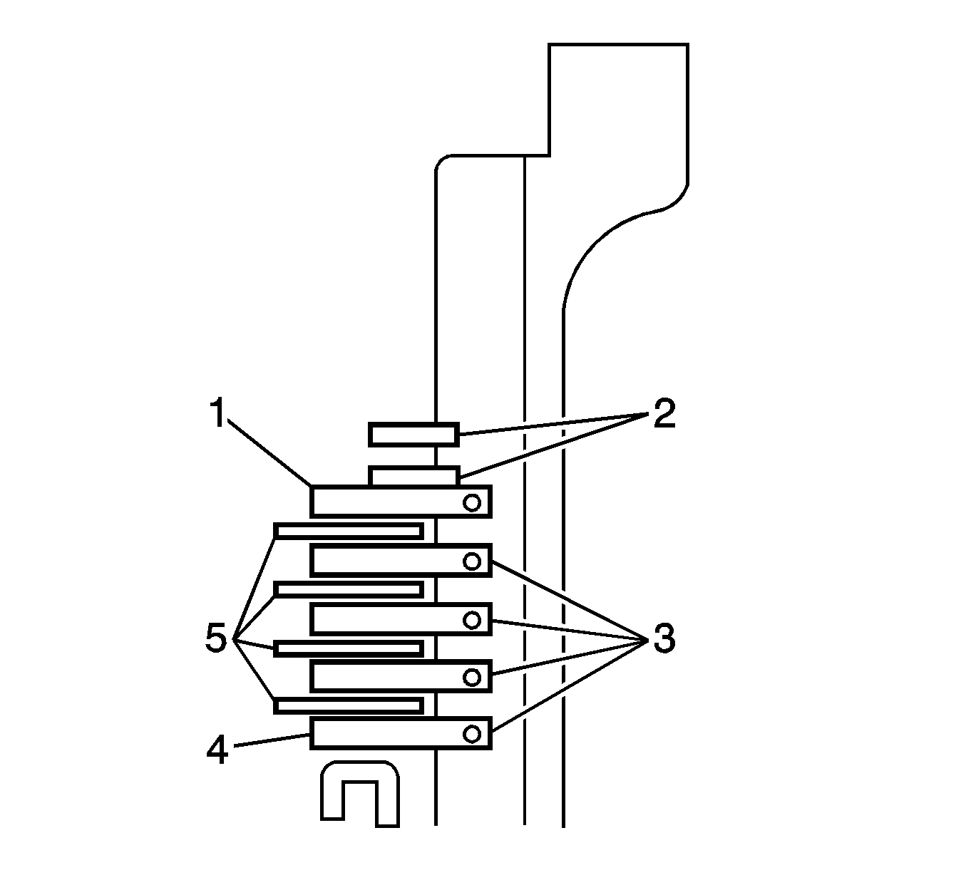
  164. Install the rear No. 2 planetary sun gear thrust needle roller bearing.

  165. Object Number: 2012337  Size: SH
  166. Install the direct clutch hub.

  167. Object Number: 2012655  Size: SH
  168. Install the No. 3 thrust bearing race, the thrust needle roller bearing and the C-2 hub thrust bearing race to the direct clutch hub.

  169. Object Number: 2012656  Size: SH
  170. Install the 2nd coast and overdrive brake disc.
  171. Measure the flange thickness. (Dimension A)

  172. Object Number: 2012658  Size: SH
  173. Install the discs (3), plates (2) and flange (1) to the transaxle case.

  174. Object Number: 2012330  Size: SH
  175. Coat a new O-ring (1) with ATF WS and install it to the direct clutch drum.

  176. Object Number: 2012328  Size: SH
  177. Coat the new O-rings (1) with ATF WS and install them to the direct clutch piston.
  178. Coat the direct clutch drum with ATF WS.

  179. Object Number: 2012661  Size: SH
  180. Align a cutout on the intermediate shaft assembly with the matchmark on the direct clutch drum and install the direct clutch drum to the intermediate shaft assembly.

  181. Object Number: 2012663  Size: SH
  182. Coat the direct clutch piston with ATF WS and install it to the intermediate shaft.

  183. Object Number: 2012664  Size: SH
  184. Install the direct clutch return spring onto the direct clutch piston.
  185. Compress the piston return springs with a press (1).
  186. Note: 

       • Stop pressing when the spring seat is 1 to 2 mm (0.039 to 0.078 in) from the snap ring groove to prevent the spring seat from being deformed.
       • Do not expand the snap ring excessively.

  187. Using snap ring pliers, install the snap ring to the direct clutch drum.

  188. Object Number: 2012667  Size: SH
  189. Coat the rear clutch flanges (3), discs (4) and direct clutch flange (1) with ATF WS and install them to the intermediate shaft.
  190. Install the snap ring (2) to the intermediate shaft.

  191. Object Number: 2012677  Size: SH
  192. Coat the plates (4), discs (3) and flange (2) with ATF WS, and install them to the intermediate shaft.
  193. Install the snap ring (1) to the intermediate shaft.

  194. Object Number: 2012678  Size: SH
  195. Inspect the pack clearance of the reverse clutch.
  196. Install the intermediate shaft and thrust needle roller bearing to the rear transaxle cover.
  197. Note: If the clearance is not within the specified range, select a new clutch flange.

  198. Using a dial indicator, measure the reverse clutch pack clearance while applying and releasing compressed air.
  199. Specification
    Pack clearance - 0.62 to 1.16 mm (0.0244 to 0.0456 in)

  200. There are four different thicknesses of flanges available. Refer to Transmission General Specifications

  201. Object Number: 2012679  Size: SH
  202. Inspect the pack clearance of the direct clutch.
  203. Install the intermediate shaft and thrust needle roller bearing to the transaxle rear cover.
  204. Note: If the clearance is not within the specified range, select a new clutch flange.

  205. Using a dial indicator, measure the forward clutch pack clearance while applying and releasing compressed air.
  206. The direct and reverse clutch will come out as compressed air is applied.

    Therefore, while performing the check, press on the input shaft of the direct and reverse clutch using a press or the equivalent so that the pressure is not applied to the direct and reverse clutch.

    Specification
    Pack clearance - 0.62 to 1.02 mm (0.0244 to 0.0402 in)

  207. There are four different flanges thicknesses. Refer to Transmission General Specifications

  208. Object Number: 2012315  Size: SH
  209. Install the intermediate shaft assembly to the transaxle case.

  210. Object Number: 2012680  Size: SH
  211. Inspect the 2nd coast and overdrive brake clearance.
  212. Place a straightedge on the transaxle case and measure the distance between the 2nd coast and overdrive brake flange and the straightedge using vernier calipers. (Dimension B)

  213. Object Number: 2012681  Size: SH

    Note: If the clearance is not within the specified range, select a new brake flange.

  214. Place a straightedge on the overdrive brake piston and measure the distance between the transaxle rear cover and straightedge using vernier calipers. (Dimension C)
  215. Calculate the piston stroke value using the following formula.

    Formula: (Dimension A + Dimension B) - Dimension C

    Specification
    Pack clearance - 2.10 to 2.49  mm (0.0826 to 0.0980 in)

  216. There are four different thicknesses of flanges available. Refer to Transmission General Specifications

  217. Object Number: 2012682  Size: SH
  218. Install the rear clutch drum thrust needle roller bearing.
  219. Install the bearing to the intermediate shaft.

  220. Object Number: 2012279  Size: SH
  221. Inspect the intermediate shaft assembly.
  222. Install the rear transaxle cover with the bolts and tighten to 25 N·m (18 lb ft).

  223. Object Number: 2012271  Size: SH
  224. Using a dial indicator, measure the intermediate shaft end play.
  225. Specification
    End play - 0.21 to 0.96 mm (0.0082 to 0.0377 in)

  226. If the end play is not as specified, select and replace the rear clutch drum thrust needle roller bearing.
  227. There are two different thicknesses of trust needle roller bearings available.

    • Color - Brown, Thickness - 0.785 mm (0.0309 in)
    • Color - Black, Thickness - 1.1 mm (0.0433 in)
  228. Remove the bolts and the rear transaxle cover.

  229. Object Number: 2012306  Size: SH
  230. Install the new gaskets to the transaxle case.

  231. Object Number: 2012683  Size: SH
  232. Coat a new needle roller bearing with ATF WS.
  233. Using a press (1), install the needle roller bearing into the rear transaxle cover.
  234. Specification
    Standard clearance - 25.1 mm (0.988 in)


    Object Number: 2012684  Size: SH
  235. Compress the oil seal rings from both sides to reduce dimension A.
  236. Specification
    Dimension A - 5.0 mm (0.197 in)

  237. Coat the oil seal rings with ATF WS and install them to the rear transaxle cover.

  238. Object Number: 2012290  Size: SH

    Note: Do not damage the O-rings.

  239. Coat the new O-rings (1, 2) with ATF WS and install them to the 2nd coast and overdrive brake piston.

  240. Object Number: 2012685  Size: SH
  241. Install the 2nd coast and overdrive brake piston.
  242. Coat the piston with ATF WS and install it to the rear transaxle cover.

  243. Object Number: 2012282  Size: SH

    Note: 

       • Stop pressing when the spring seat is 1 to 2 mm (0.039 to 0.078 in) from the snap ring groove to prevent the spring seat from being deformed.
       • Do not expand the snap ring excessively.

  244. Using a press, install the overdrive brake return spring and snap ring to the rear transaxle cover.

  245. Object Number: 2012686  Size: SH
  246. Coat the new O-rings with ATF WS, and install them to the rear transaxle cover plugs.
  247. Install the rear transaxle cover plugs (1-4) to the rear transaxle cover and tighten to 7 N·m (62 lb in).

  248. Object Number: 2012687  Size: SH
  249. Apply Three Bond 1281 sealant, or equivalent, to the transaxle case.

  250. Object Number: 2012279  Size: SH
  251. Install the rear transaxle cover with the bolts and tighten to 25 N·m (18 lb ft).

  252. Object Number: 2012272  Size: SH
  253. Install the forward clutch hub sub-assembly onto the transaxle case.

  254. Object Number: 2012690  Size: SH
  255. Install the bearing to the forward clutch hub.

  256. Object Number: 2012266  Size: SH
  257. Coat a new input shaft oil seal ring with ATF WS, and install it to the input shaft.

  258. Object Number: 2012264  Size: SH
  259. Coat a new clutch piston O-ring (1) with ATF WS, and install it to the forward clutch piston.

  260. Object Number: 2012693  Size: SH
  261. Install the forward clutch piston to the input shaft.

  262. Object Number: 2012695  Size: SH
  263. Install the return spring and clutch balancer to the input shaft.

  264. Object Number: 2012255  Size: SH
  265. Using a press (1) and snap ring pliers, install the snap ring to the input shaft.

  266. Object Number: 2012697  Size: SH
  267. Install the front clutch disc.
  268. Install the plates (3), discs (1) and flange (2).
  269. Using a screwdriver, install the snap ring to the input shaft.

  270. Object Number: 2012699  Size: SH
  271. Inspect the pack clearance of the forward clutch.
  272. Note: If the clearance is not within the specified range, install a new brake flange.

  273. Using a dial indicator, measure the pack clearance while applying and releasing compressed air.
  274. Specification
    Pack clearance - 1.41 to 1.80 mm (0.0555 to 0.0708 in)

  275. There are four different thicknesses of flanges available. Refer to Transmission General Specifications

  276. Object Number: 2012701  Size: SH
  277. Install the bearing to the input shaft assembly.

  278. Object Number: 2012242  Size: SH
  279. Install the input shaft assembly to the transaxle case.

  280. Object Number: 2012240  Size: SH
  281. Install the new gaskets (1, 2) to the transaxle case.

  282. Object Number: 2012238  Size: SH
  283. Install the differential gear assembly to the transaxle case.

  284. Object Number: 2012237  Size: SH
  285. Install the oil pump with the bolts and tighten to 22 N·m (16 lb ft).

  286. Object Number: 2012702  Size: SH
  287. Inspect the input shaft assembly.
  288. Make sure that the input shaft turns smoothly.

  289. Object Number: 2012235  Size: SH
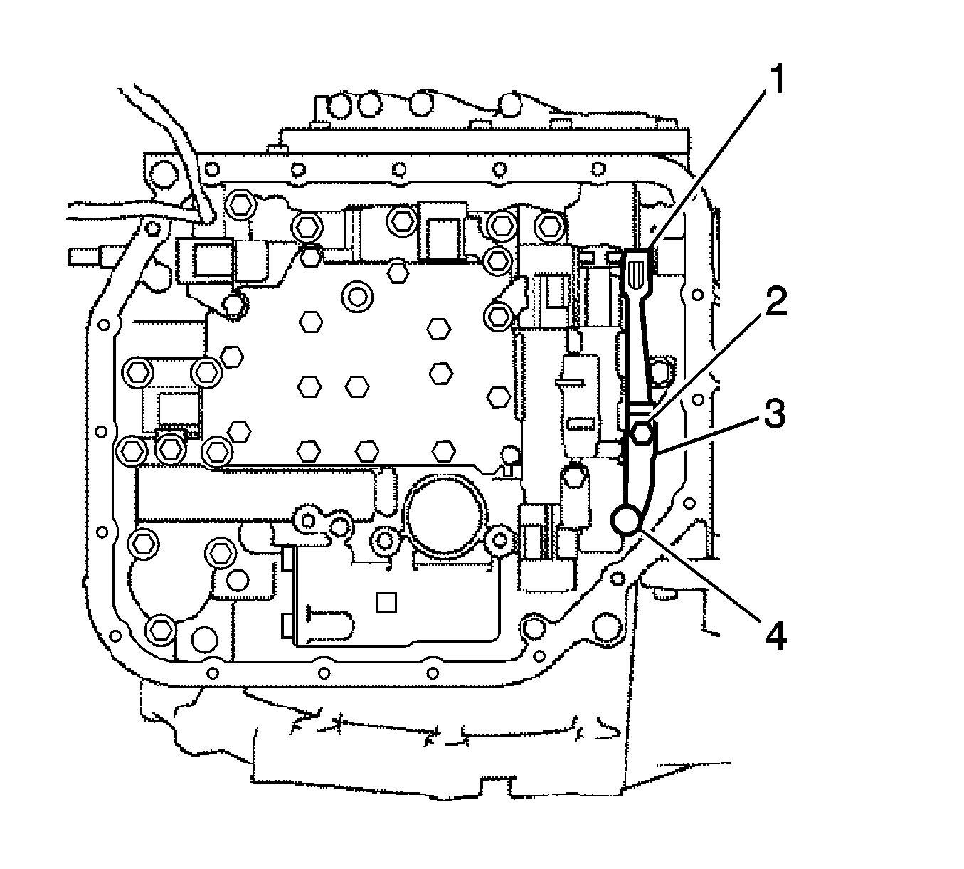
  290. Inspect the input shaft end play.
  291. Measure the end play in the axial direction.
  292. Specification
    End play - 0.38 to 1.29 mm (0.0149 to 0.0507 in)

  293. If the end play is not as specified, replace the forward clutch hub thrust needle roller bearing and the stator shaft thrust needle bearing.

  294. Object Number: 2012703  Size: SH
  295. Apply Three Bond 1281 sealant, or equivalent, to the transaxle case.

  296. Object Number: 2012598  Size: SH
  297. Install the transaxle housing with the bolts.
  298. • Tighten Bolts 1 to 29 N·m (21 lb ft).
    • Tighten Bolts 2 to 22 N·m (16 lb ft).

    Object Number: 2012226  Size: SH
  299. Coat the new O-rings (1, 2) with ATF WS and install them to the C-2 accumulator piston.

  300. Object Number: 2012706  Size: SH
  301. Install the spring and C-2 accumulator piston.
  302. Specification

        • Spring - C-2
        • Free length/Outer diameter - 17.20-66.90 mm (0.677-2.633 in)

    Object Number: 2012220  Size: SH
  303. Coat the new O-rings (1, 2) with ATF WS and install them to the C-3 accumulator piston.

  304. Object Number: 2012707  Size: SH
  305. Install the spring and C-3 accumulator piston.
  306. Specification

        • Spring - C-3
        • Free length/Outer diameter - 18.70-87.30 mm (0.736-3.437 in)
        • Color - Orange

    Object Number: 2012215  Size: SH
  307. Coat the new O-rings (1, 2) with ATF WS and install them to the B-2 accumulator piston.

  308. Object Number: 2012711  Size: SH
  309. Install the spring and B-2 accumulator piston.
  310. Specification

        • Spring - B-2
        • Free length/Outer diameter - 15.50-66.90 mm (0.610-2.633 in)
        • Color - White

    Object Number: 2012712  Size: SH
  311. Install the spring and the check ball body (1).

  312. Object Number: 2012209  Size: SH
  313. Install a new brake drum gasket.

  314. Object Number: 2012208  Size: SH
  315. Coat a new transaxle case gasket (1) with ATF WS, and install it to the transaxle case.

  316. Object Number: 2012205  Size: SH
  317. Coat a new transaxle case 2nd brake gasket (1) with ATF WS, and install it to the transaxle case.

  318. Object Number: 2011806  Size: SH
  319. Coat a new O-ring (1) with ATF WS, and install it into the transmission wire.

  320. Object Number: 2011810  Size: SH
  321. Insert the transmission wire to the transaxle.

  322. Object Number: 2011805  Size: SH
  323. Install the transmission wire (1) with the bolt and tighten to 5 N·m (44 lb in).
  324. Align the groove of the manual valve with the pin of the manual valve lever.

  325. Object Number: 2011844  Size: SH
  326. Temporarily install the valve body with the bolts (1, 2, 3, 4). Refer to Transmission General Specifications for Bolt Length - 1.

  327. Object Number: 2012716  Size: SH
  328. Temporarily install the detent spring (1) and detent spring cover with the bolts (2, 4). Refer to Transmission General Specifications for Bolt Length - 2.
  329. Check that the manual valve lever is in contact with the center of the roller at the tip of the detent spring.
  330. Tighten the bolts to 11 N·m (97 lb in).

  331. Object Number: 2012204  Size: SH
  332. Connect the solenoid connectors.
  333. Install the ATF temperature sensor (6) with the lock plate and bolt. Tighten the bolt to 11 N·m (97 lb in).

  334. Object Number: 2011824  Size: SH
  335. Coat a new gasket (1) with ATF WS, and install it to the oil strainer.

  336. Object Number: 2011822  Size: SH
  337. Install the valve body oil strainer assembly to the automatic transaxle with the bolts (1). Tighten the bolts to 11 N·m (97 lb in).

  338. Object Number: 2011820  Size: SH
  339. Install the magnets (1) to the oil pan.
  340. Install a new oil pan gasket to the oil pan.

  341. Object Number: 2012721  Size: SH
  342. Install the oil pan with the bolts and tighten to 8 N·m (71 lb in).
  343. Install the breather plug to the transaxle case.

  344. Object Number: 2012199  Size: SH
  345. Install the breather plug hose to the breather plug.
  346. Coat the new O-rings with ATF WS, and install them to the No. 1 transaxle case plugs.

  347. Object Number: 2012197  Size: SH
  348. Install the No. 1 transaxle case plugs (1) to the transaxle housing and transaxle case and tighten to 7 N·m (62 lb in).

  349. Object Number: 2012198  Size: SH
  350. Install the No. 1 transaxle case plug (1) to the transaxle case and tighten to 7 N·m (62 lb in).
  351. Coat the new O-rings with ATF WS, and install them into the oil cooler tube unions.

  352. Object Number: 2012196  Size: SH
  353. Install the oil cooler tube unions to the transaxle case. Tighten the plugs to 27 N·m (20 lb ft).
  354. Coat a new O-ring with ATF WS, and install it on the speed sensor.

  355. Object Number: 2012189  Size: SH
  356. Install the speed sensor to the transaxle case with the bolt. Tighten the bolt to 5 N·m (44 lb in).
  357. Install the park/neutral position switch assembly to the automatic transaxle.

  358. Object Number: 2011858  Size: SH
  359. Temporarily install the bolts (1, 2).
  360. Replace the lock plate with a new one and tighten the manual valve shaft nut to 7 N·m (62 lb in).
  361. Temporarily install the control shaft lever.

  362. Object Number: 2011914  Size: SH
  363. Turn the lever counterclockwise until it stops, then turn it clockwise two notches.
  364. Remove the control shaft lever.

  365. Object Number: 2011917  Size: SH
  366. Align the groove with the neutral base line (1).
  367. Hold the switch in this position and tighten the bolts to 5 N·m (44 lb in).

  368. Object Number: 2011919  Size: SH
  369. Using a screwdriver, stake the nut with the lock plate.

  370. Object Number: 2012165  Size: SH
  371. Install the control shaft lever (1) with the nut and washer. Tighten the nut to 13 N·m (115 lb in).
  372. Coat a new O-ring with ATF WS and install it to the speedometer driven hole cover sub-assembly.

  373. Object Number: 2012114  Size: SH
  374. Install the speedometer driven hole cover subassembly (1) to the transaxle housing. Tighten the bolt to 7 N·m (62 lb in).