GM Service Manual Online
For 1990-2009 cars only
Makes
🢒
Pontiac
🢒
2009
🢒
Vibe - FWD
🢒
Transmission
🢒
Automatic Transmission - MVD 5 Speed
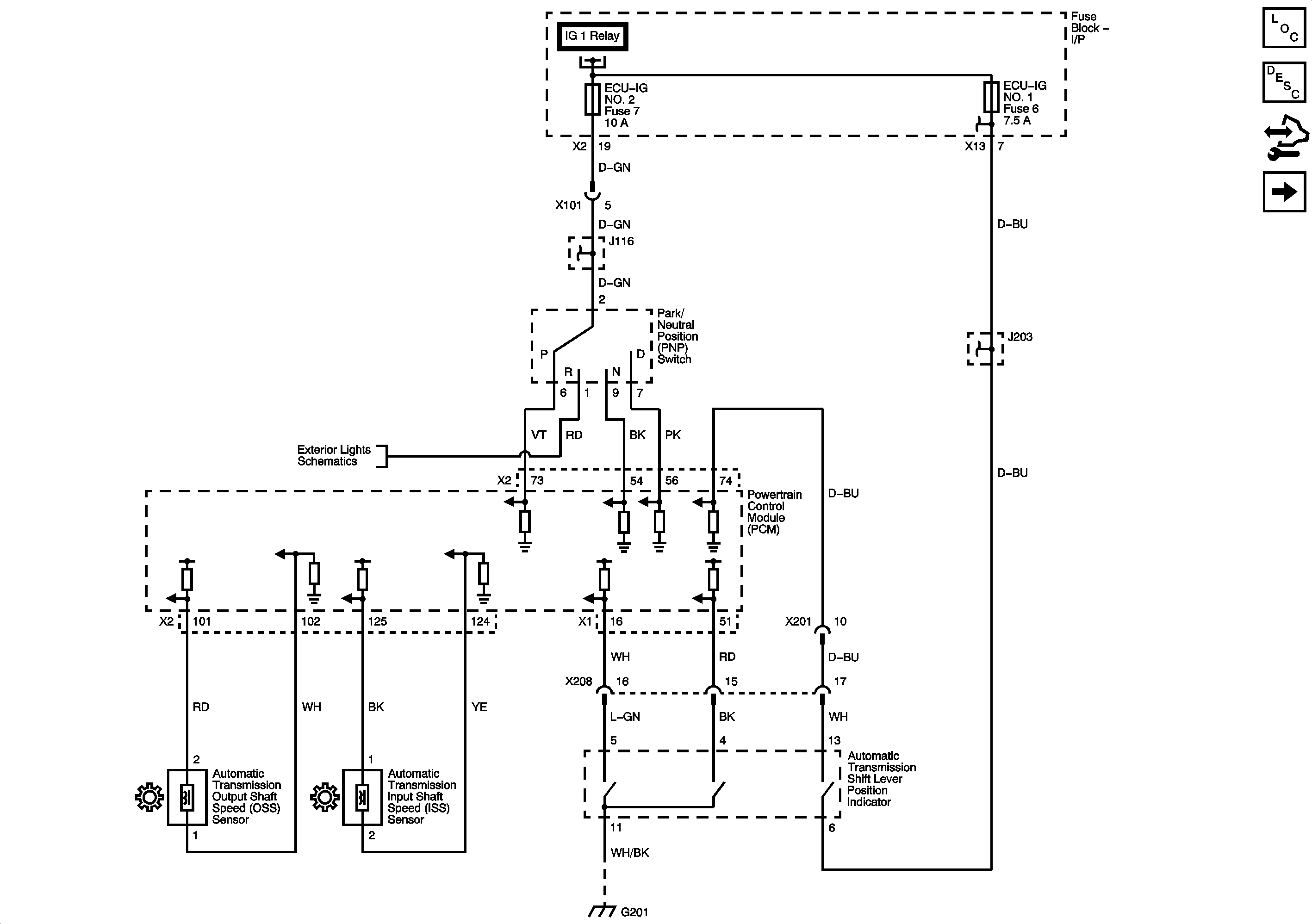
🢒 Automatic Transmission Controls Schematics
Figure
1:
Power, Ground, PNP Switch, Shift Lever
Figure
2:
Transaxle Controls