GM Service Manual Online
For 1990-2009 cars only
Figure 1:

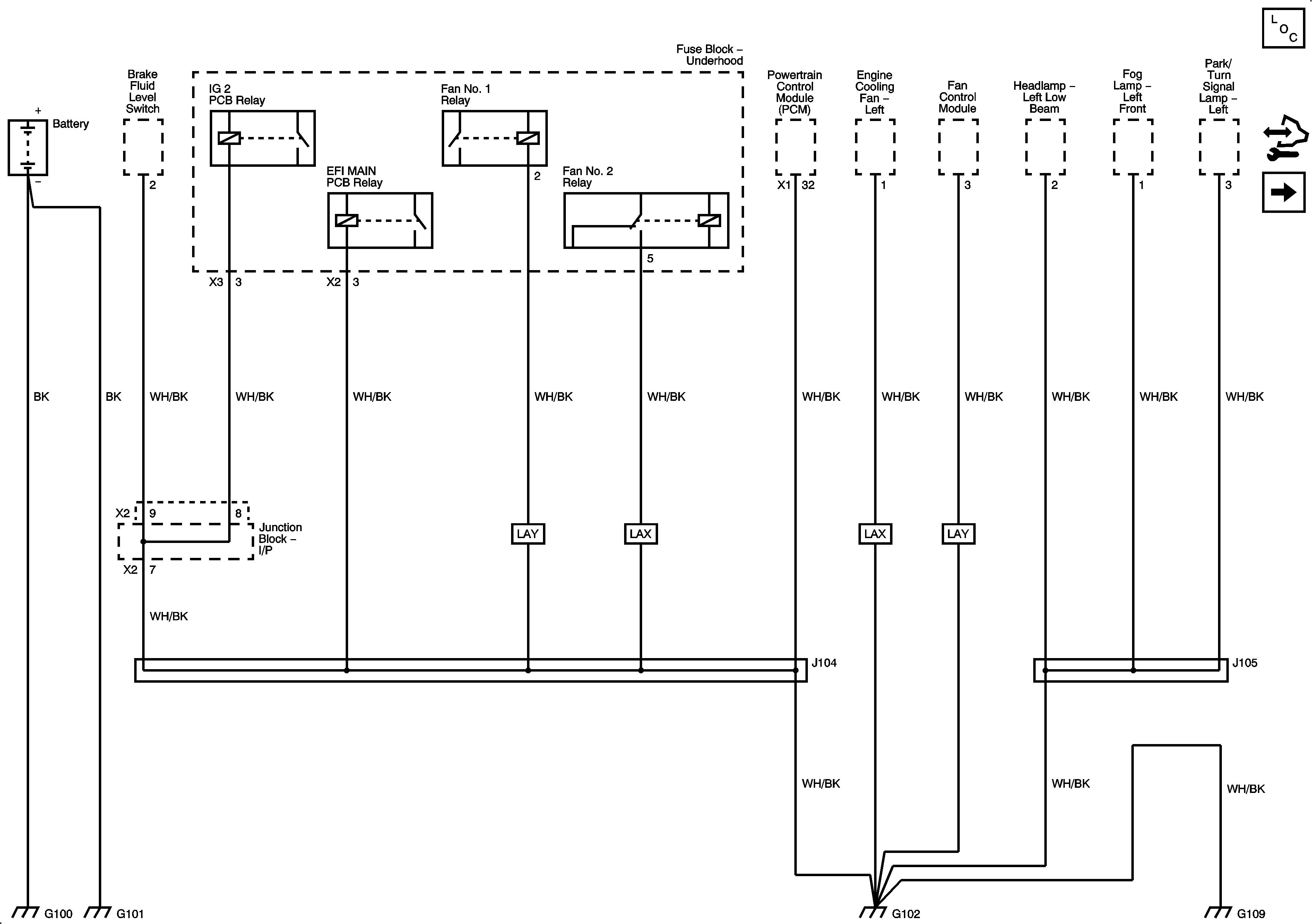
G100, G101, G102


Object Number: 2039808  Size: FS
Figure 2:

G103, G104


Object Number: 2039809  Size: FS
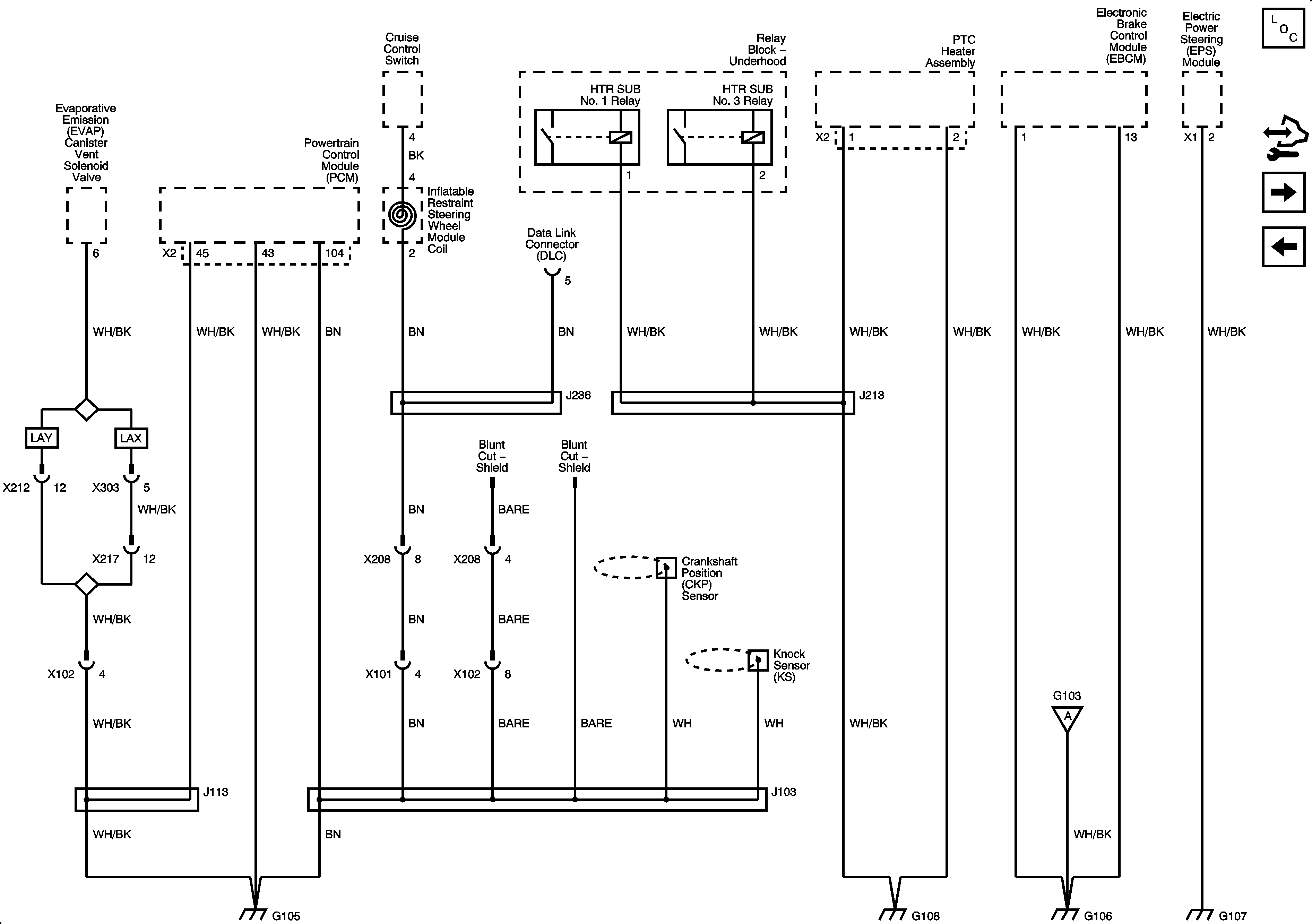
Figure 3:

G105, G106, G107, G108


Object Number: 2039810  Size: FS
Figure 4:

G200 1 of 2


Object Number: 2039811  Size: FS
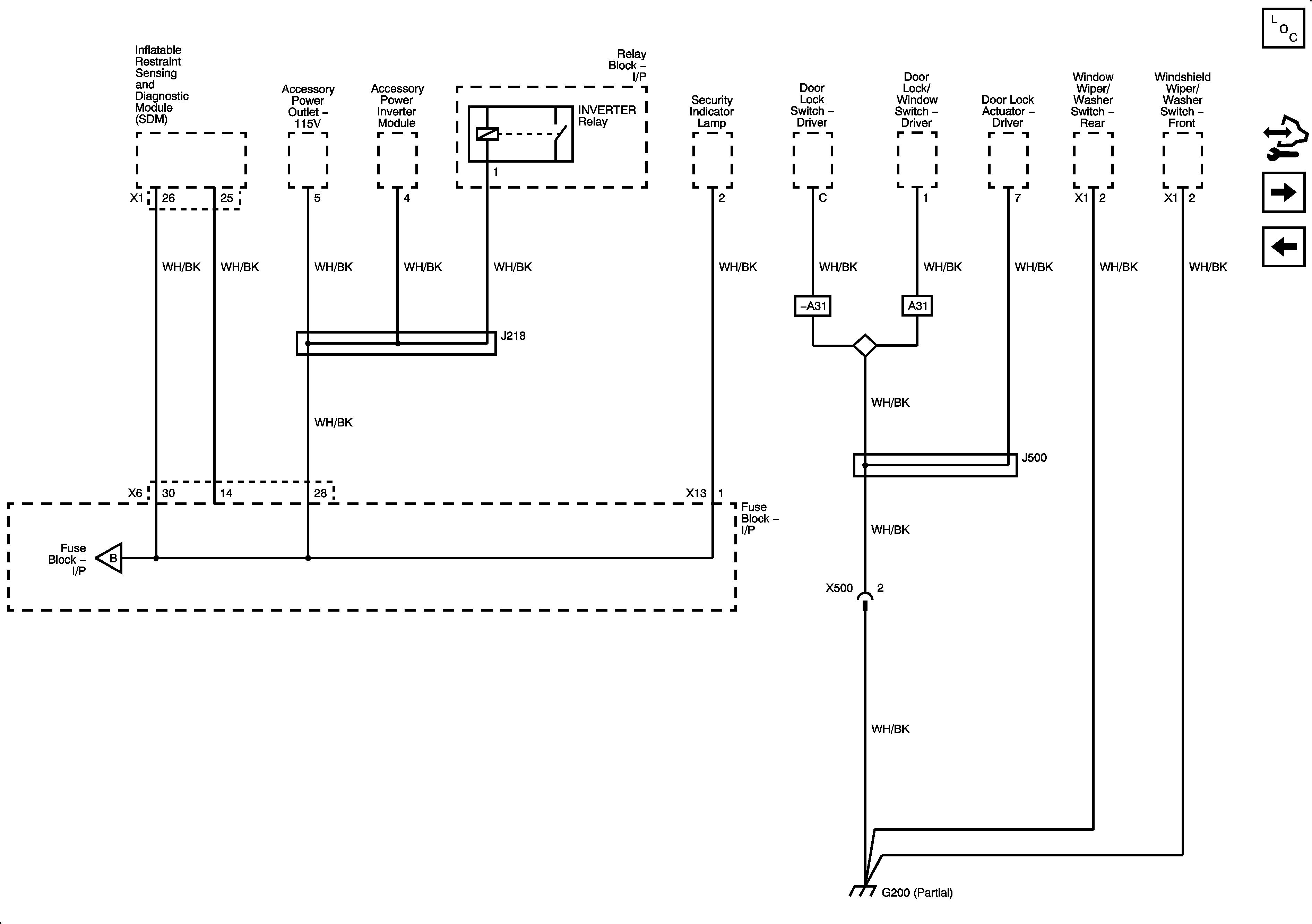
Figure 5:

G200 2 of 2


Object Number: 2039812  Size: FS
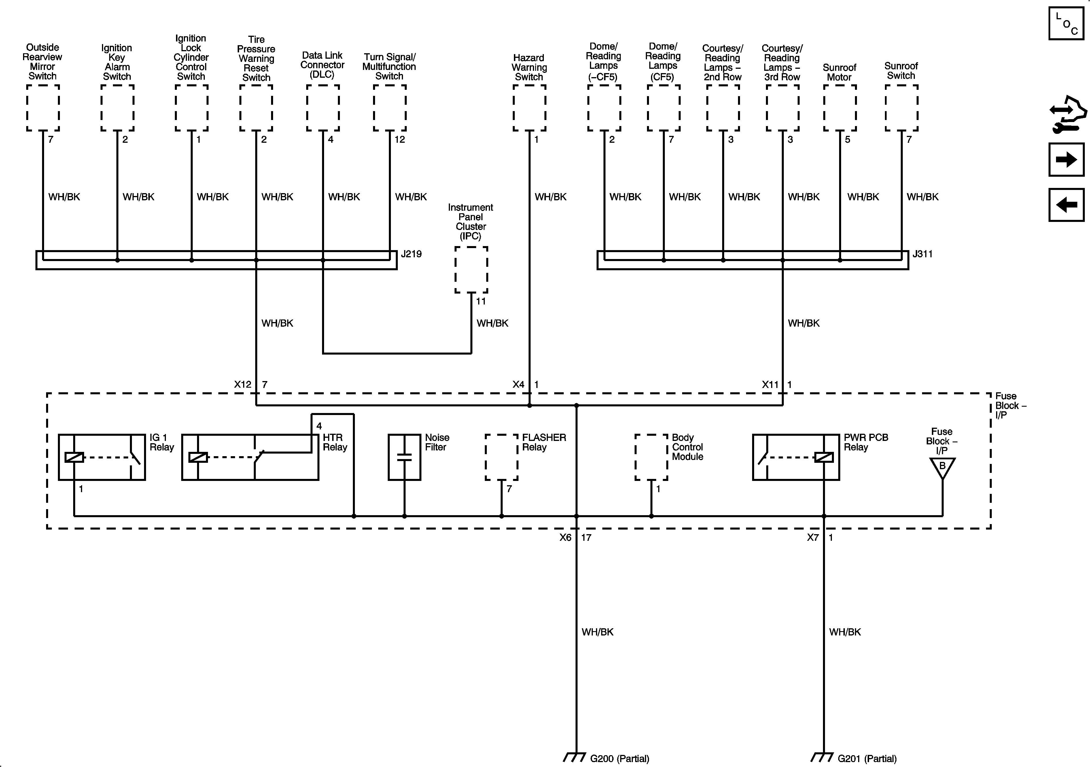
Figure 6:

G201 1 of 2


Object Number: 2039813  Size: FS
Figure 7:

G203, G203, G204, G206, G206, G207


Object Number: 2039815  Size: FS
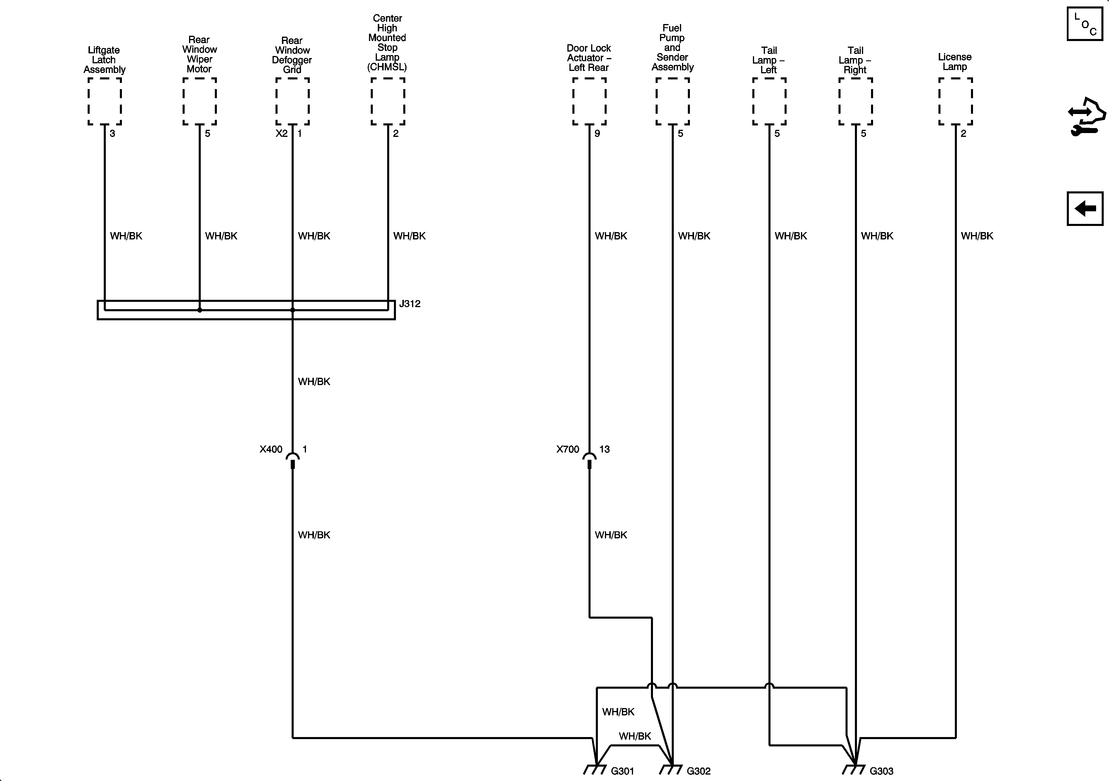
Figure 8:

G300, G301, G302, G303


Object Number: 2039816  Size: FS