GM Service Manual Online
For 1990-2009 cars only
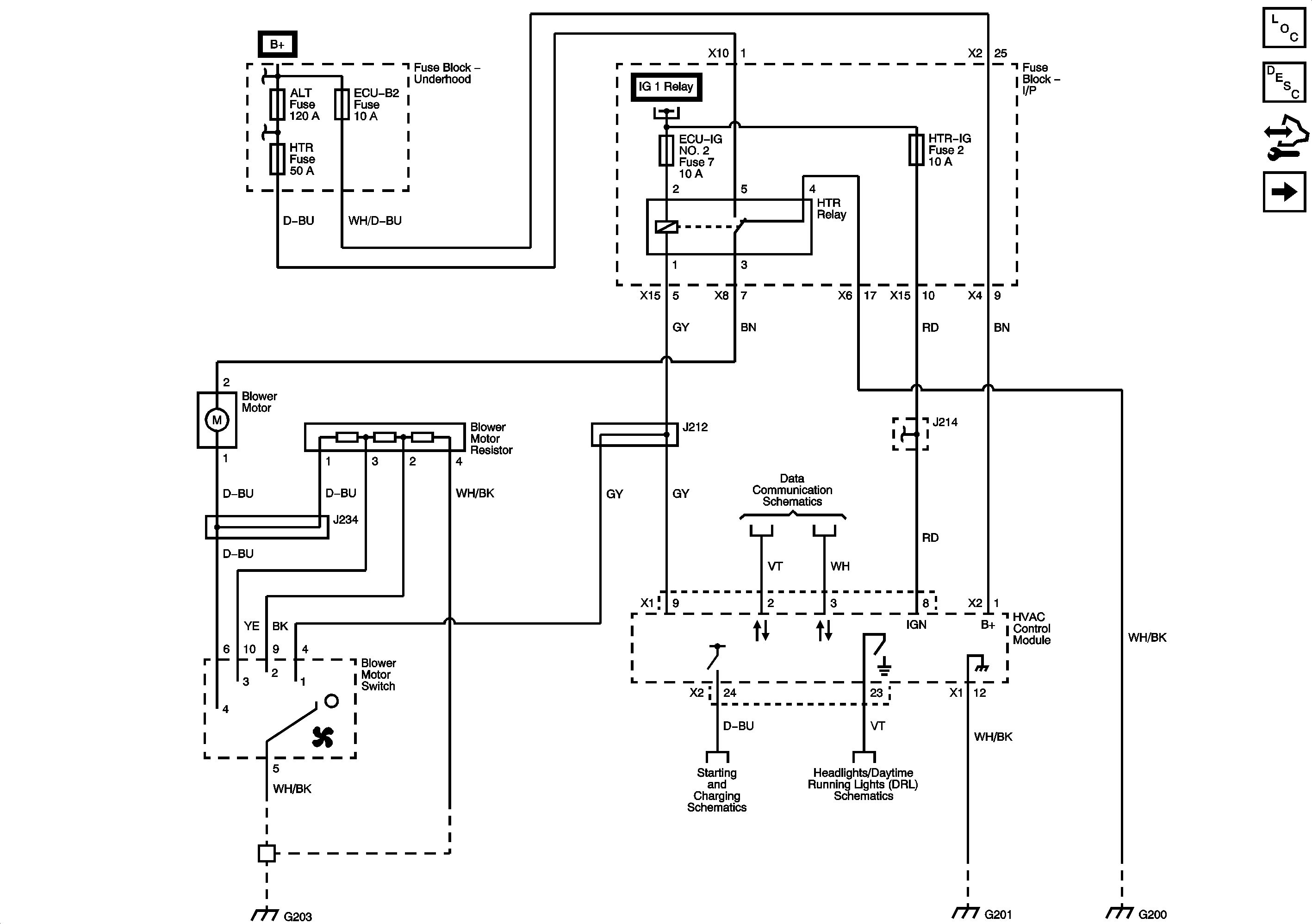
Figure 1:

HVAC Control Module Power, Ground, Serial Data, and Blower Controls


Object Number: 2041936  Size: FS
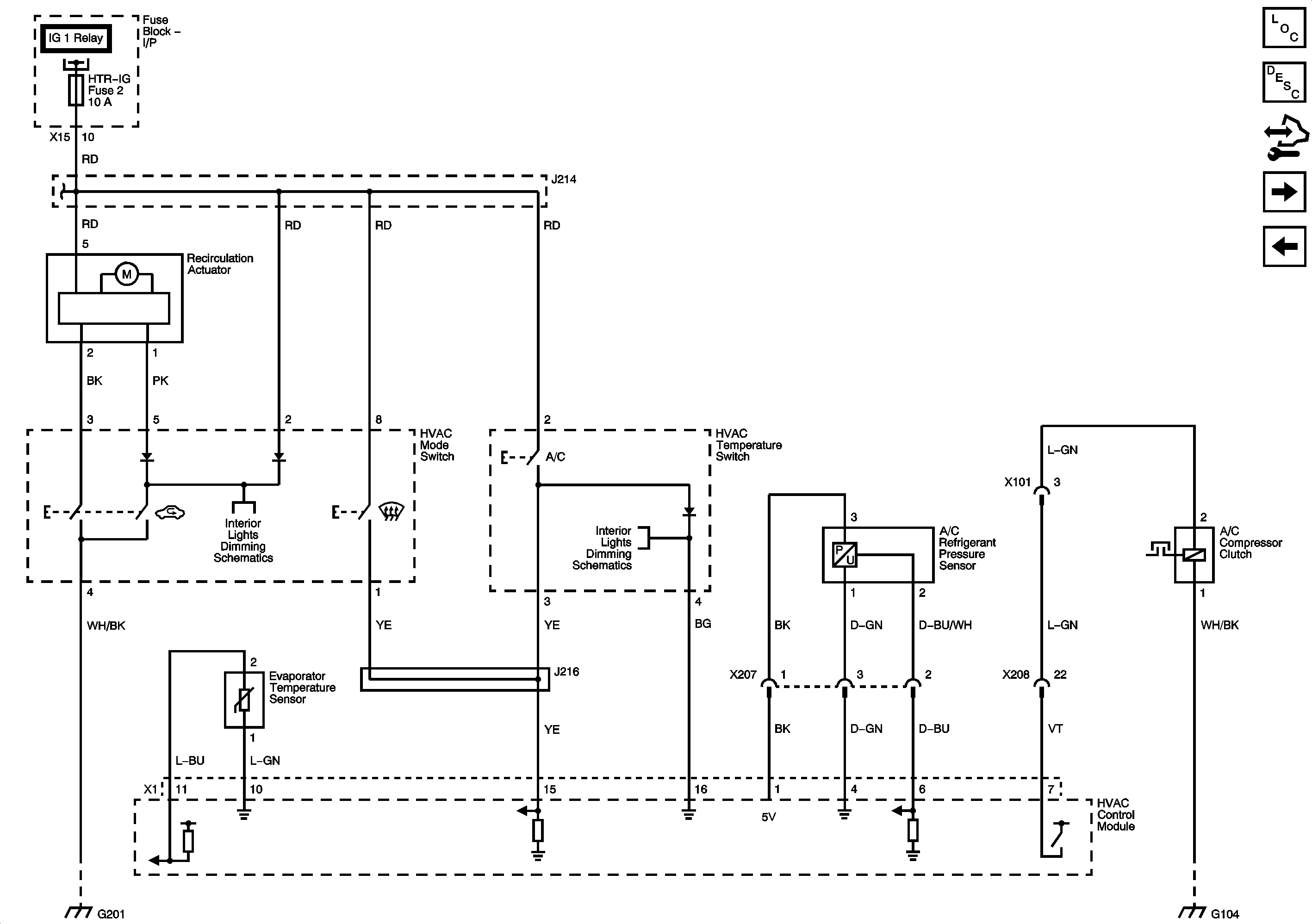
Figure 2:

Air Delivery snd A/C Controls


Object Number: 2041938  Size: FS
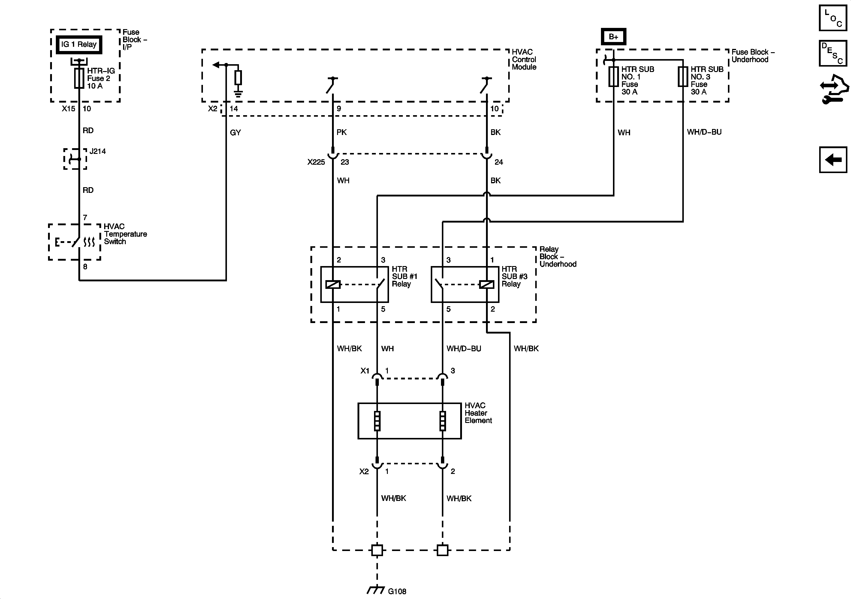
Figure 3:

Heat Controls


Object Number: 2041939  Size: FS