GM Service Manual Online
For 1990-2009 cars only
Makes
🢒
Pontiac
🢒
2009
🢒
Vibe - FWD
🢒
Safety and Security
🢒
Supplemental Inflatable Restraints
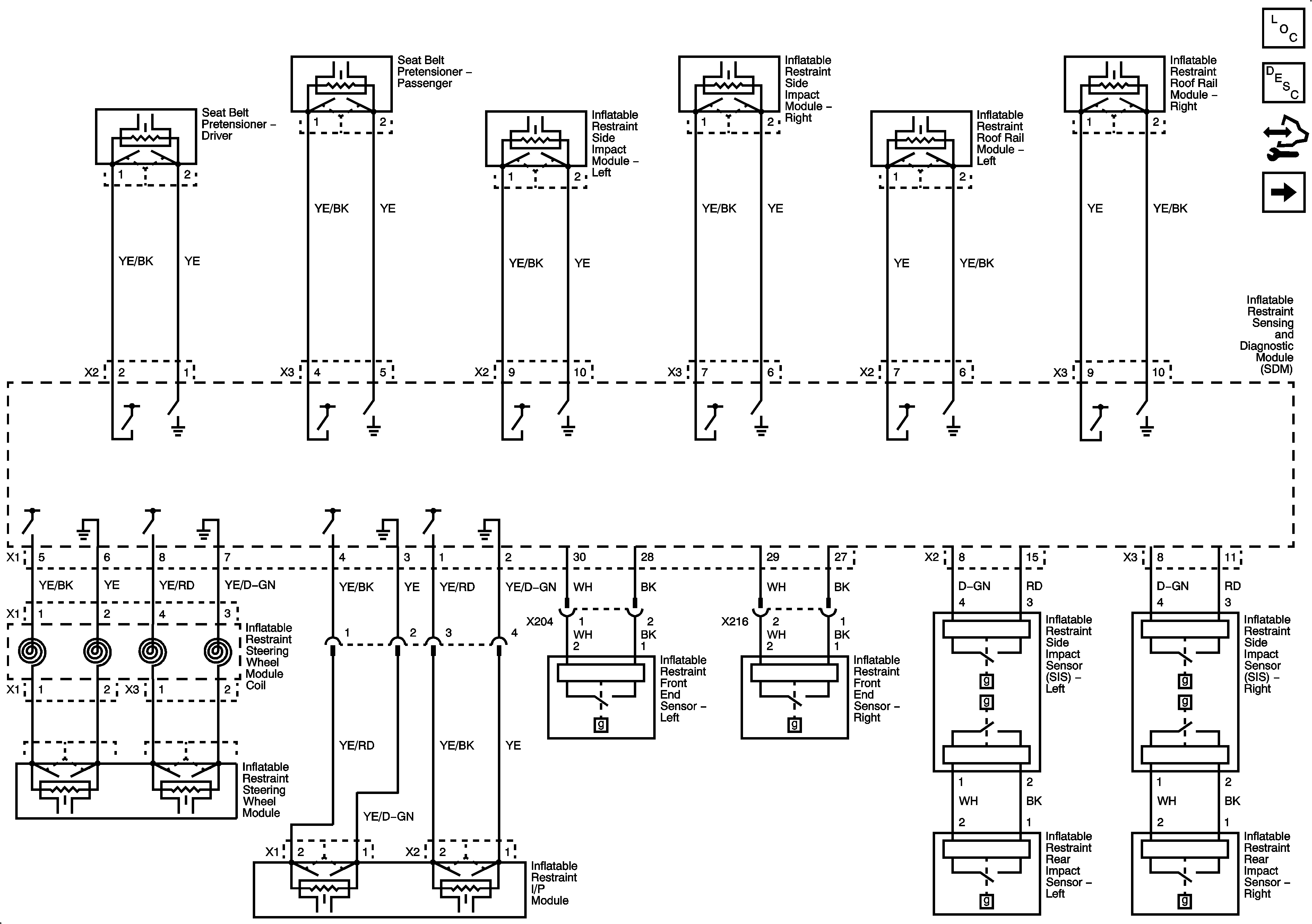
🢒 SIR Schematics
Figure
1:
SDM, Power, Ground and Indicators
Figure
2:
SDM, Indicators and Sensors
Figure
3:
Passenger Presence Module and Sensors