GM Service Manual Online
For 1990-2009 cars only

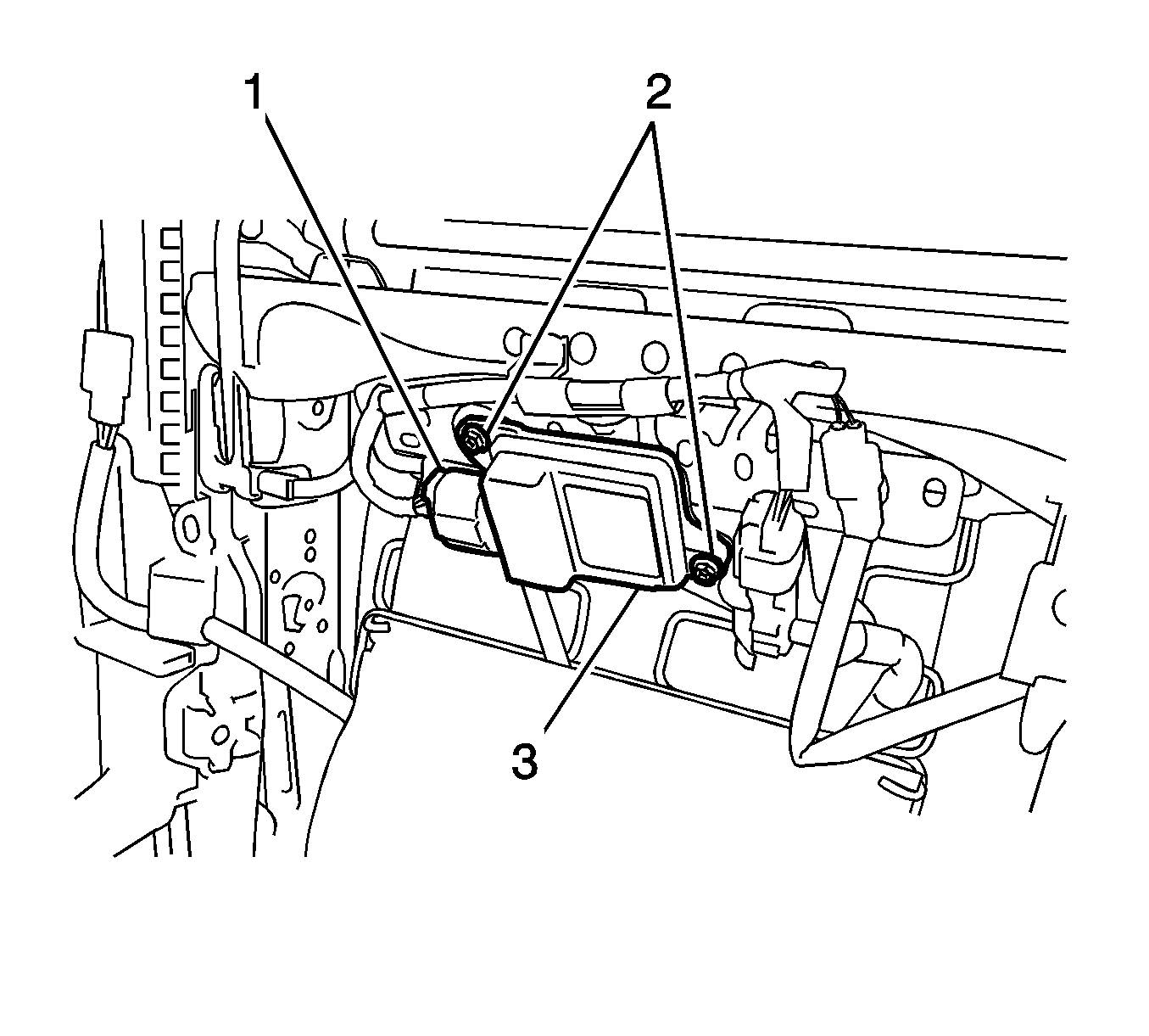
Inflatable Restraint Passenger Presence System Replacement - Front Module

Removal Procedure


    Object Number: 2022938  Size: SH
  1. Disable the SIR system. Refer to SIR Disabling and Enabling .
  2. Remove the right front seat. Refer to Front Seat Replacement - Bucket .
  3. Disconnect the electrical connector from the passenger presence system (PPS) module (1).
  4. Remove the 2 PPS module screws (2).
  5. Remove the PPS module (3).

Installation Procedure


    Object Number: 2022938  Size: SH
  1. Install the PPS module (3).
  2. Install the 2 PPS module screws (2).
  3. Tighten
    Tighten the PPS module screws to 3 N·m (27 lb in).

  4. Connect the electrical connector to the PPS module (1).
  5. Install the right front seat. Refer to Front Seat Replacement - Bucket .
  6. Enable the SIR system. Refer to SIR Disabling and Enabling .
  7. Perform PPS Rezeroing procedure. Refer to Passenger Presence System Rezeroing .

Inflatable Restraint Passenger Presence System Replacement - Front Sensor

Removal Procedure

  1. Disable the SIR system. Refer to SIR Disabling and Enabling .
  2. Remove the right front seat. Refer to Front Seat Replacement - Bucket .
  3. Remove the front front seat cushion cover and pad. Refer to Front Seat Cushion Replacement .

  4. Object Number: 2022934  Size: SH
  5. Disconnect the PPS sensor electrical connector (1).


    Object Number: 2022935  Size: SH
  6. Remove the 2 PPS sensor clips (1) and the PPS sensor (2).

Installation Procedure


    Object Number: 2022935  Size: SH
  1. Install the PPS sensor (2) and the PPS sensor clips (1).

  2. Object Number: 2022934  Size: SH
  3. Connect the PPS sensor electrical connector (1).

  4. Install the front front seat cushion cover and pad. Refer to Front Seat Cushion Replacement .
  5. Install the right front seat. Refer to Front Seat Replacement - Bucket .
  6. Enable the SIR system. Refer to SIR Disabling and Enabling .
  7. Perform PPS Rezeroing procedure. Refer to Passenger Presence System Rezeroing .