GM Service Manual Online
For 1990-2009 cars only
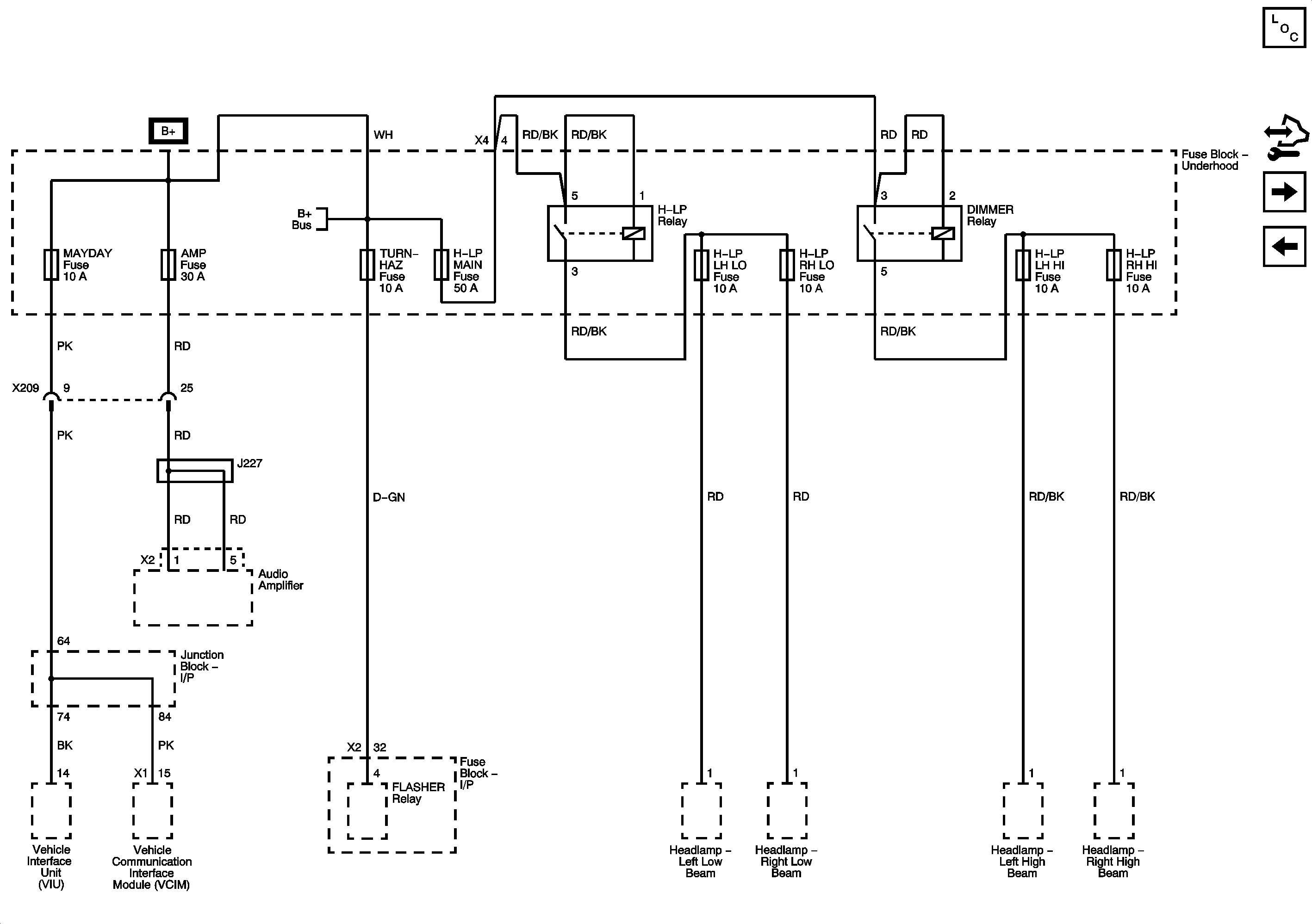
Figure 1:

Fuse Block - Underhood, AMP, TURN-HAZ, H-LP MAIN, H-LP LH LO, H-LP RH LO, H-LP LH HI, H-LP RH HI Fuses and H-LP, DIMMER Relays


Object Number: 2039795  Size: FS
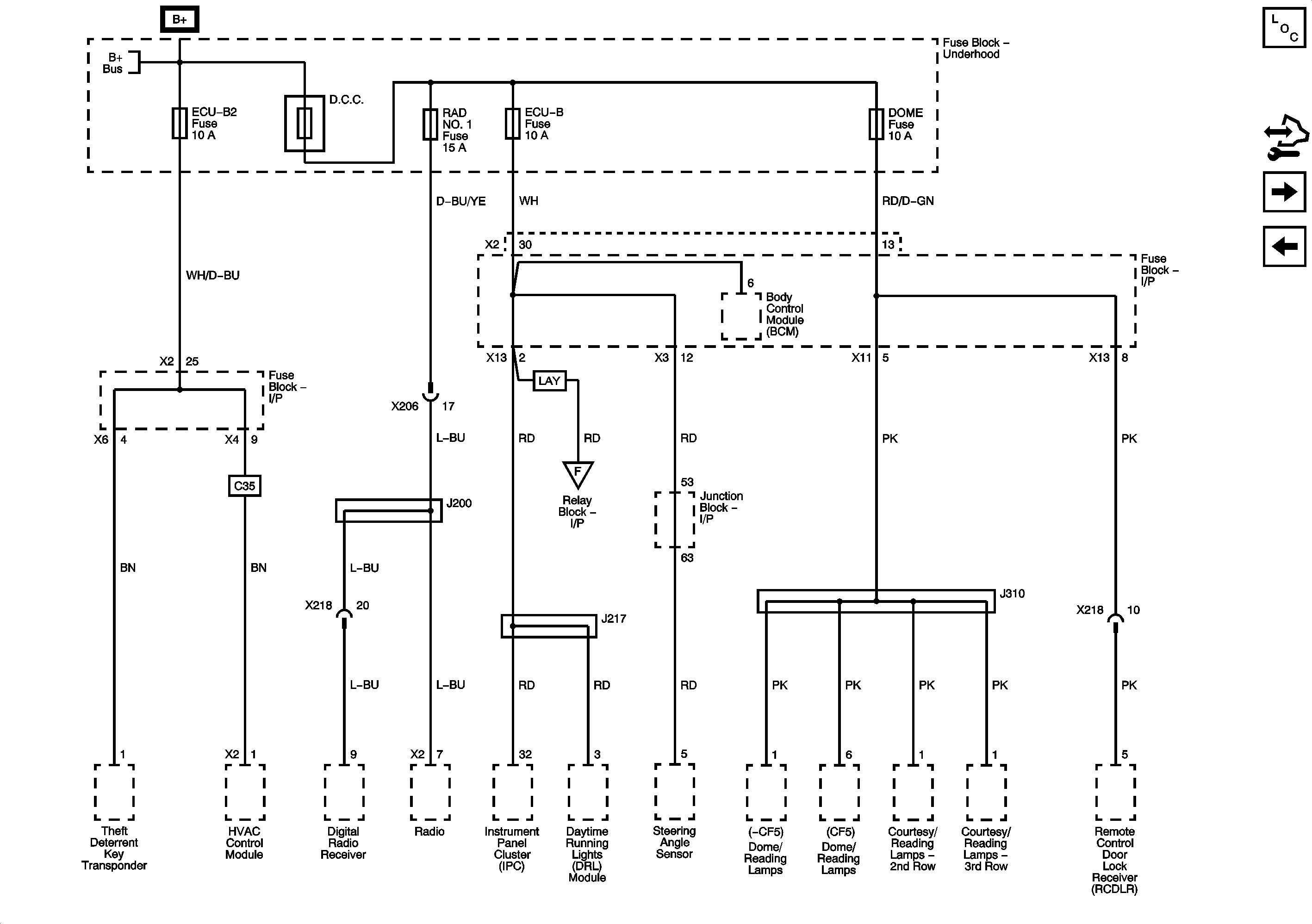
Figure 2:

Fuse Block - Underhood, ECU-B2, RAD NO. 1, ECU-B, DOME Fuses


Object Number: 2039797  Size: FS
Figure 3:

Fuse Block - Underhood, P/I, HORN, IG NO.2, IG2, EFI NO.1, EFI NO.2, EFI MAIN Fuses and HORN, IG2, EFI MAIN Relays


Object Number: 2039798  Size: FS
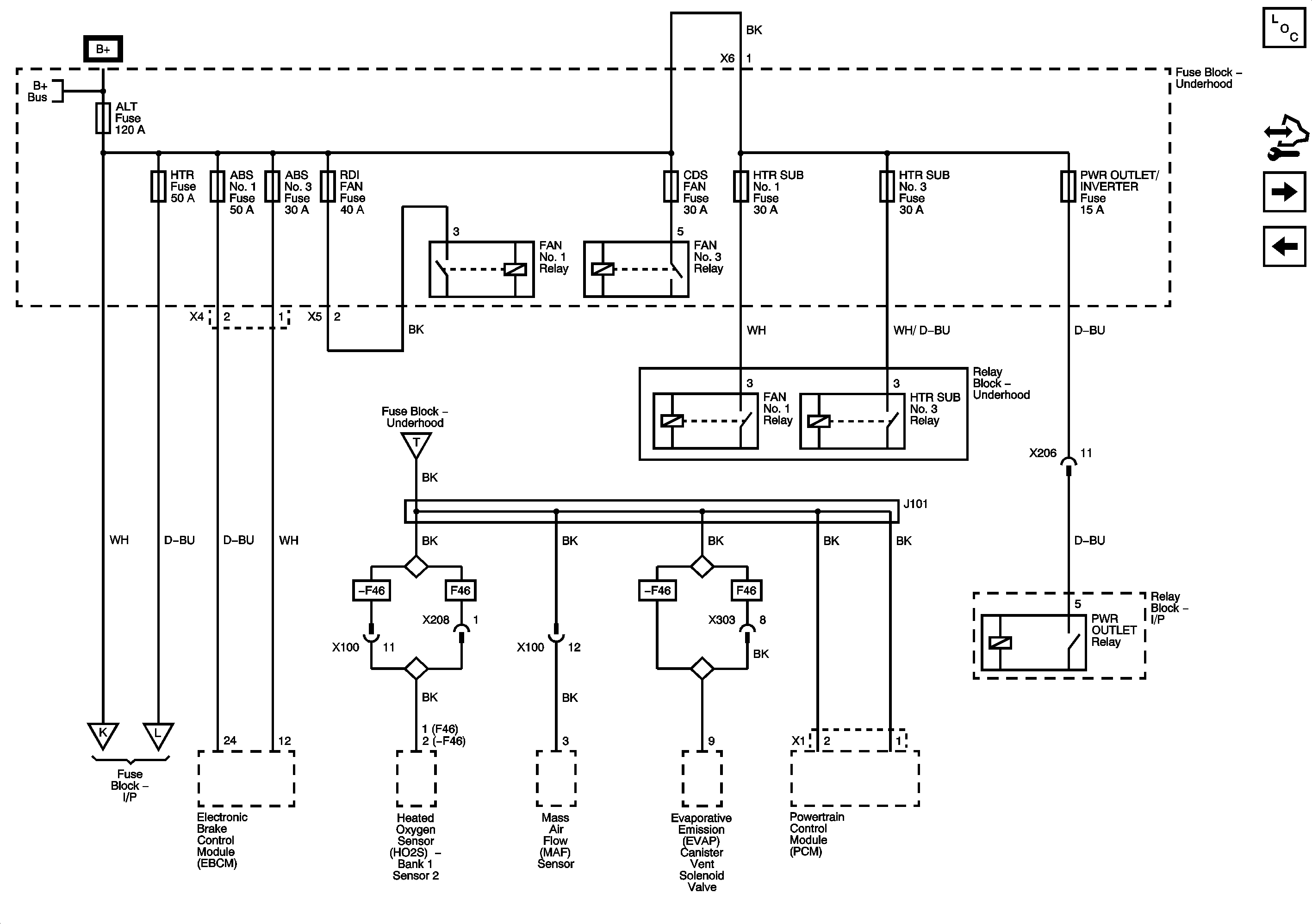
Figure 4:

Fuse Block - Underhood, ALT, HTR, ABS NO. 1, ABS NO. 3, RDI FAN, CDS FAN, HTR SUB NO. 1, HTR SUB NO. 3, INV Fuses and FAN 1, FAN 2, FAN 3, HTR SUB NO.1, HTR SUB NO. 3 Relays, Fuse Block - I/P, INVERTER Relay


Object Number: 2039799  Size: FS
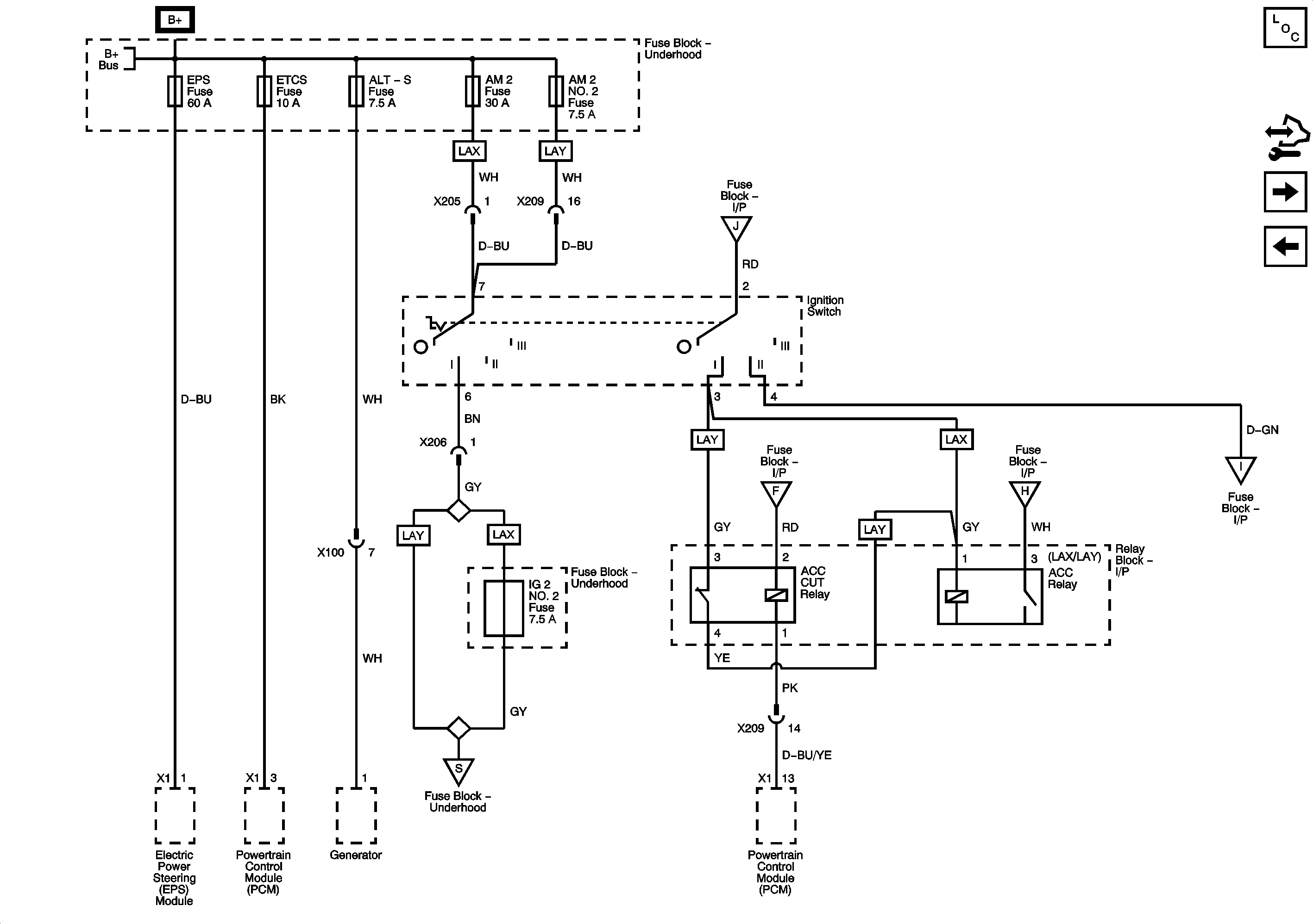
Figure 5:

Fuse Block - Underhood, EPS, ETCS, ALT-S, AM2, AM2 NO. 2 Fuses, Fuse Block - I/P, ACC CUT, ACC Relays and Ignition Switch


Object Number: 2039800  Size: FS
Figure 6:

Fuse Block - I/P, SUNROOF, FR FOG, DOOR, 4WD, STOP, OBD, DEF, MIR Fuses, DEF, MIR HTR Relays, Relay Block - I/P, FR FOG Relay


Object Number: 2039801  Size: FS
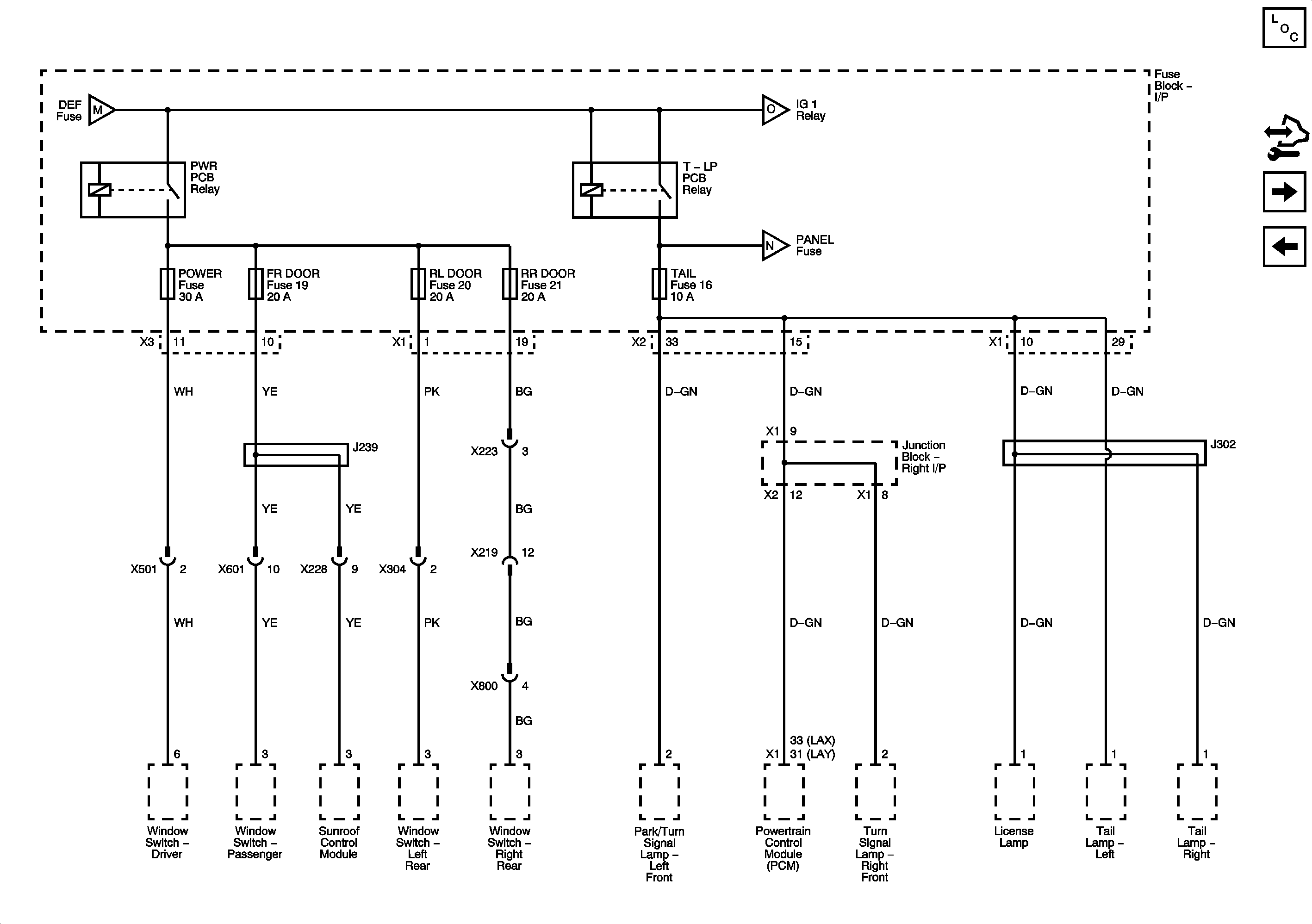
Figure 7:

Fuse Block - I/P, POWER, FR DOOR, RL DOOR, RR DOOR TAIL Fuses, PWR, T-LP Relays


Object Number: 2039802  Size: FS
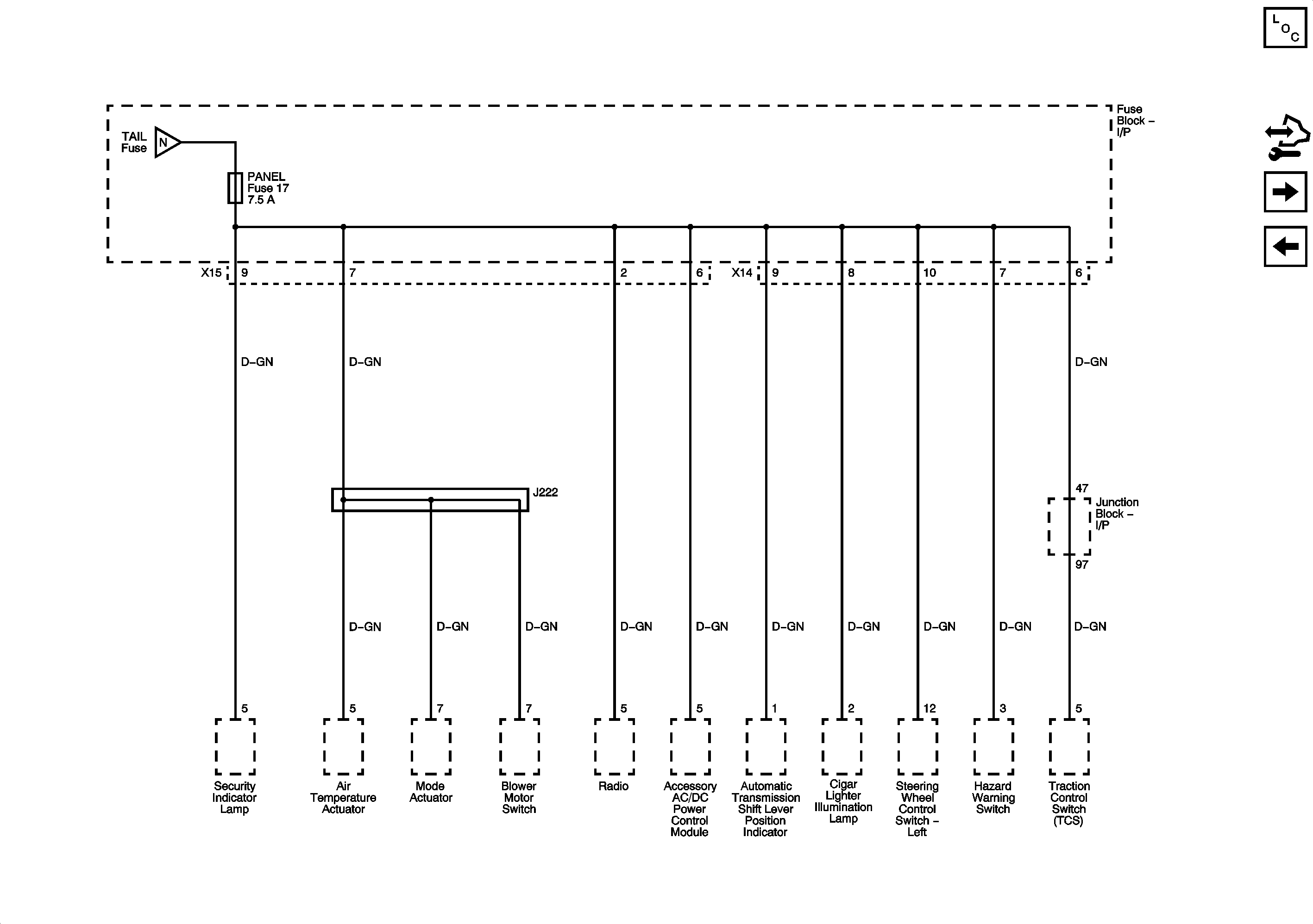
Figure 8:

Fuse Block - I/P, Panel Fuse


Object Number: 2039803  Size: FS
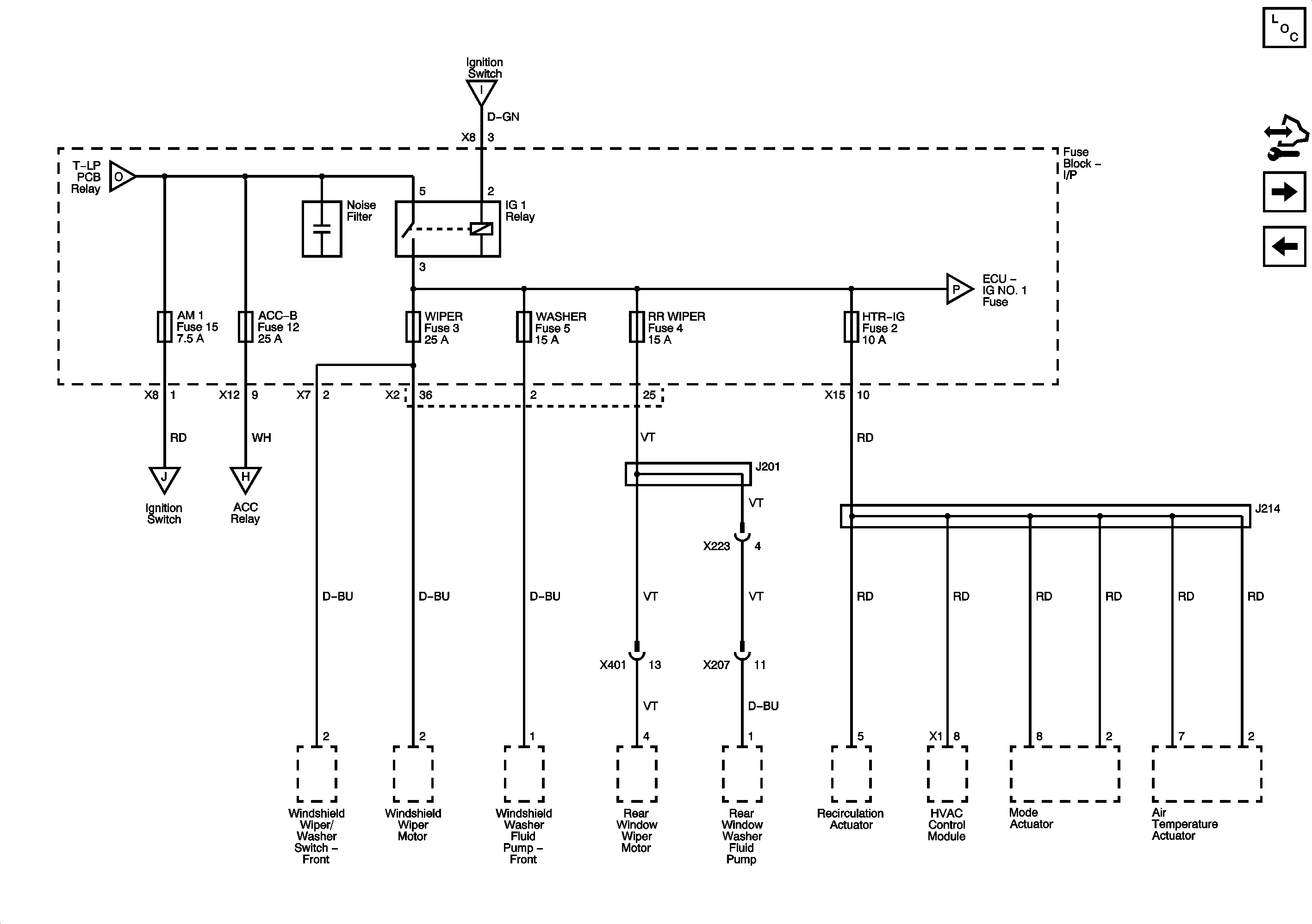
Figure 9:

Fuse Block - I/P, AM1, ACC-B, WIPER, WASHER, RR WIPER, HTR-IG Fuses, IG1 Relay


Object Number: 2039804  Size: FS
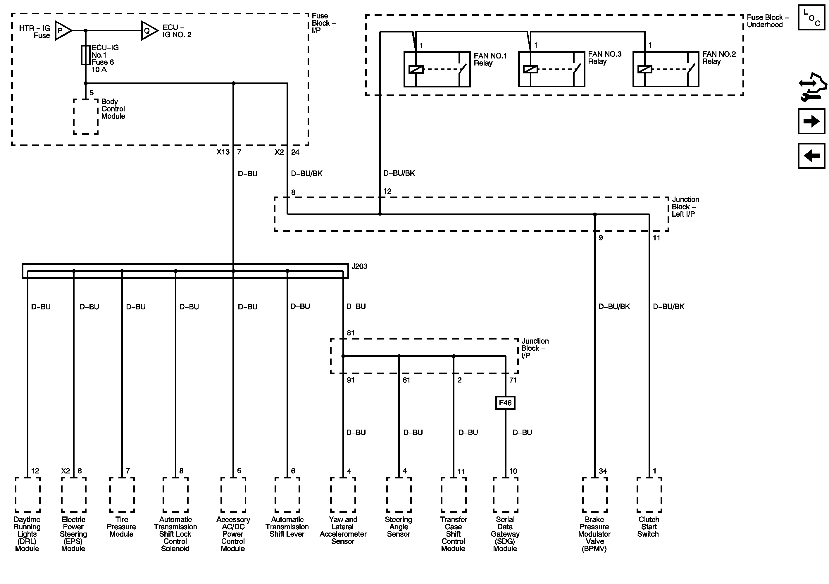
Figure 10:

Fuse Block - I/P, ECU-IG Fuse, Fuse Block - Underhood, FAN NO.1, FAN NO.3 Relays


Object Number: 2039805  Size: FS
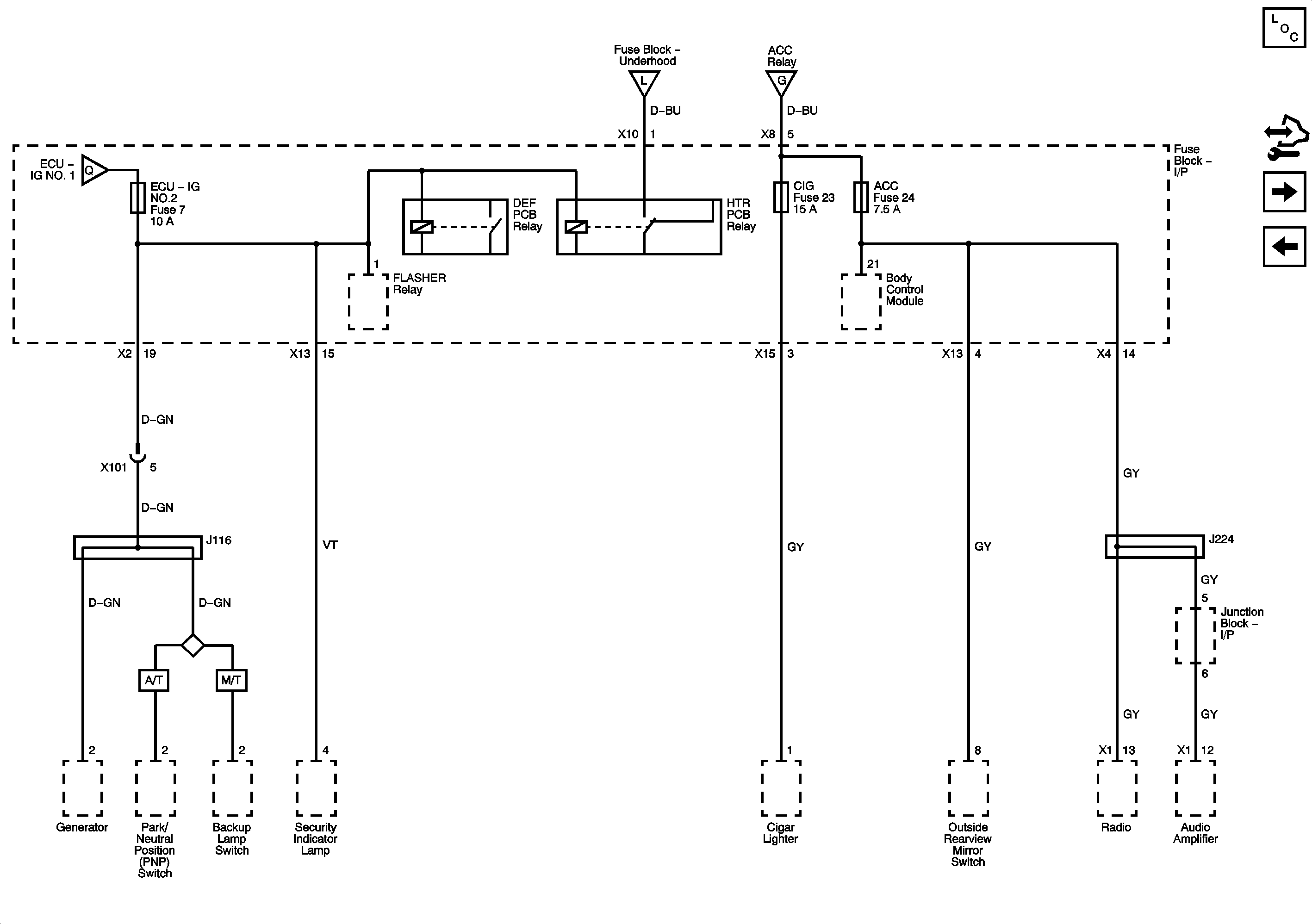
Figure 11:

Fuse Block - I/P, ECU-IG NO.2, CIG, ACC Fuses, DEF, HTR Relays


Object Number: 2039806  Size: FS
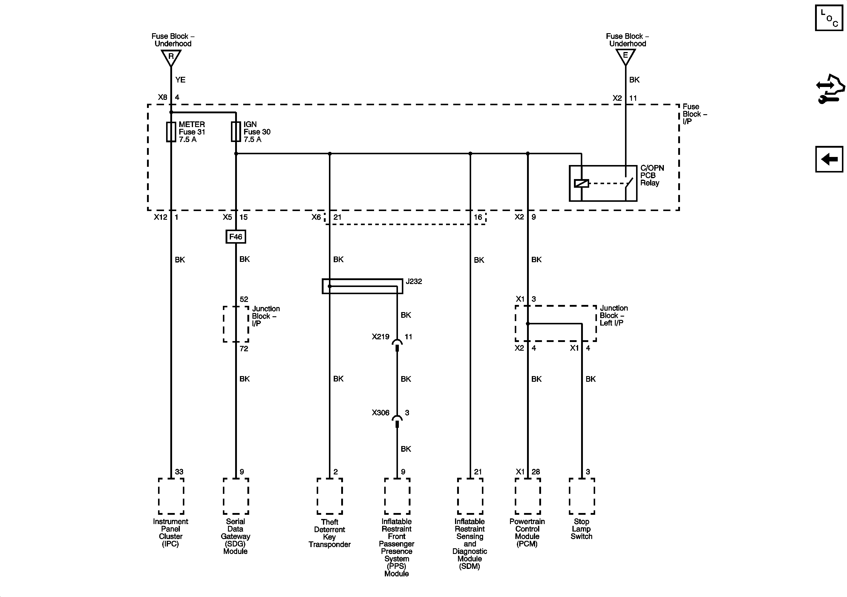
Figure 12:

Fuse Block - I/P, METER, IGN Fuses, C/OPN, HTR Relays


Object Number: 2039807  Size: FS