GM Service Manual Online
For 1990-2009 cars only
Makes
🢒
Pontiac
🢒
2005
🢒
Wave
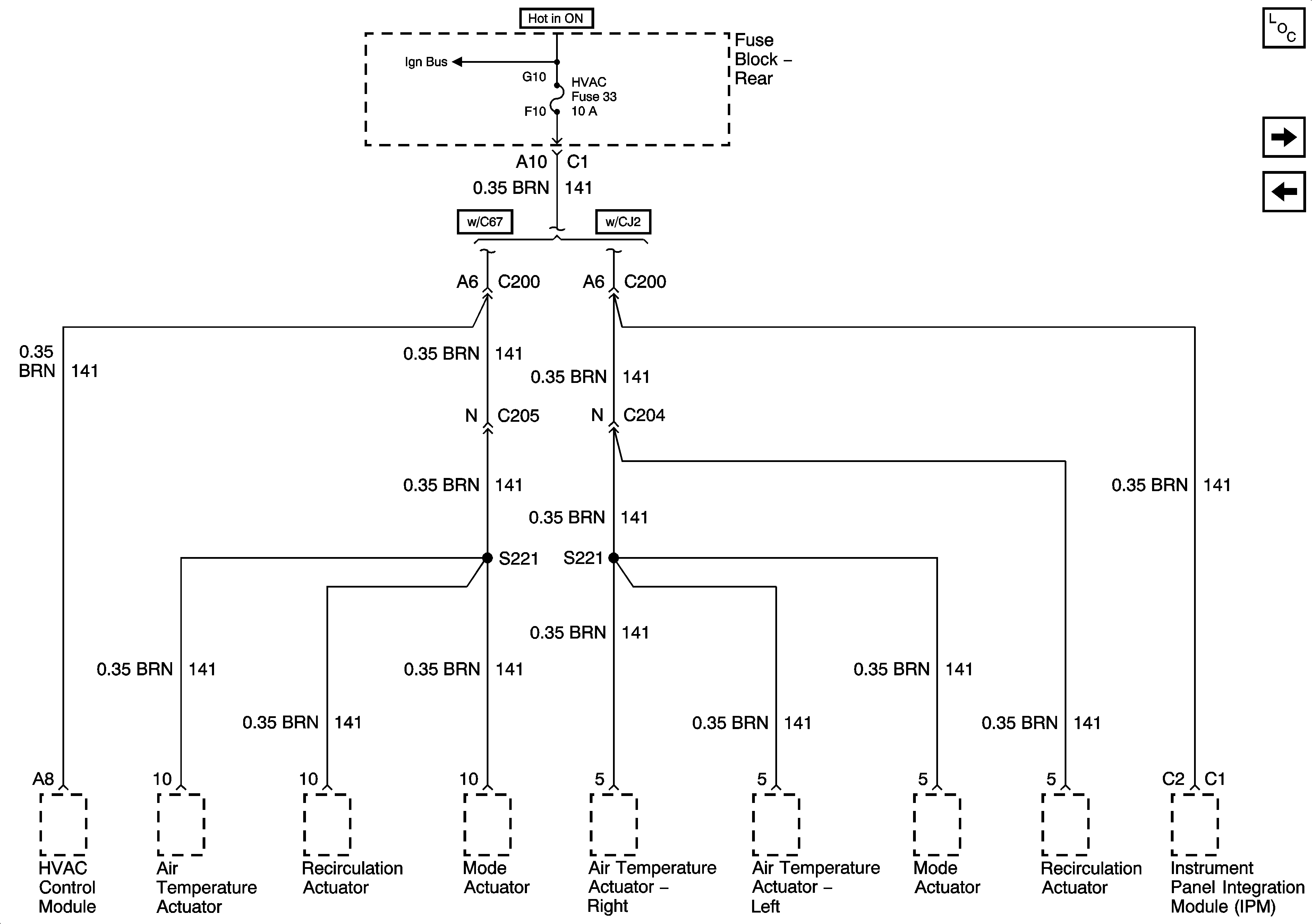
🢒 HVAC Fuse
HVAC Fuse
HVAC Fuse
Master Electrical Component List
HVAC BLO, AUDIO AMP, and SDAR Fuses
IGN3 RR and ABS Fuses