GM Service Manual Online
For 1990-2009 cars only
Makes
🢒
Pontiac
🢒
2005
🢒
Wave
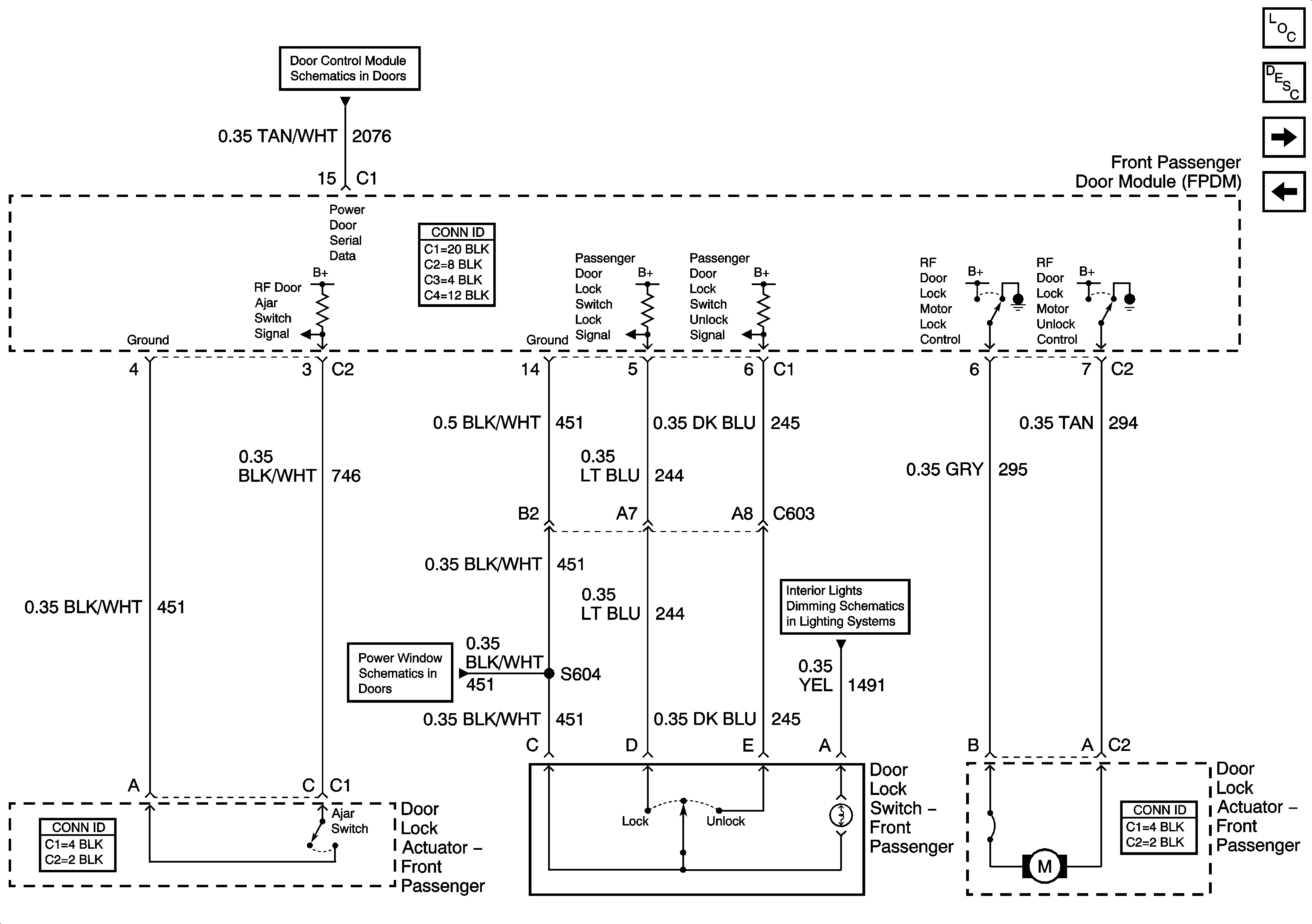
🢒 Right Front Door
Right Front Door
Right Front Door
Master Electrical Component List
Power Door Locks Description and Operation
Left Rear Door
Left Front Door
Simple Bus Interface (SBI)
Right Front Door
Front Floor Lamps, and Heated Seat Dimming