GM Service Manual Online
For 1990-2009 cars only
Makes
🢒
Pontiac
🢒
2005
🢒
Wave
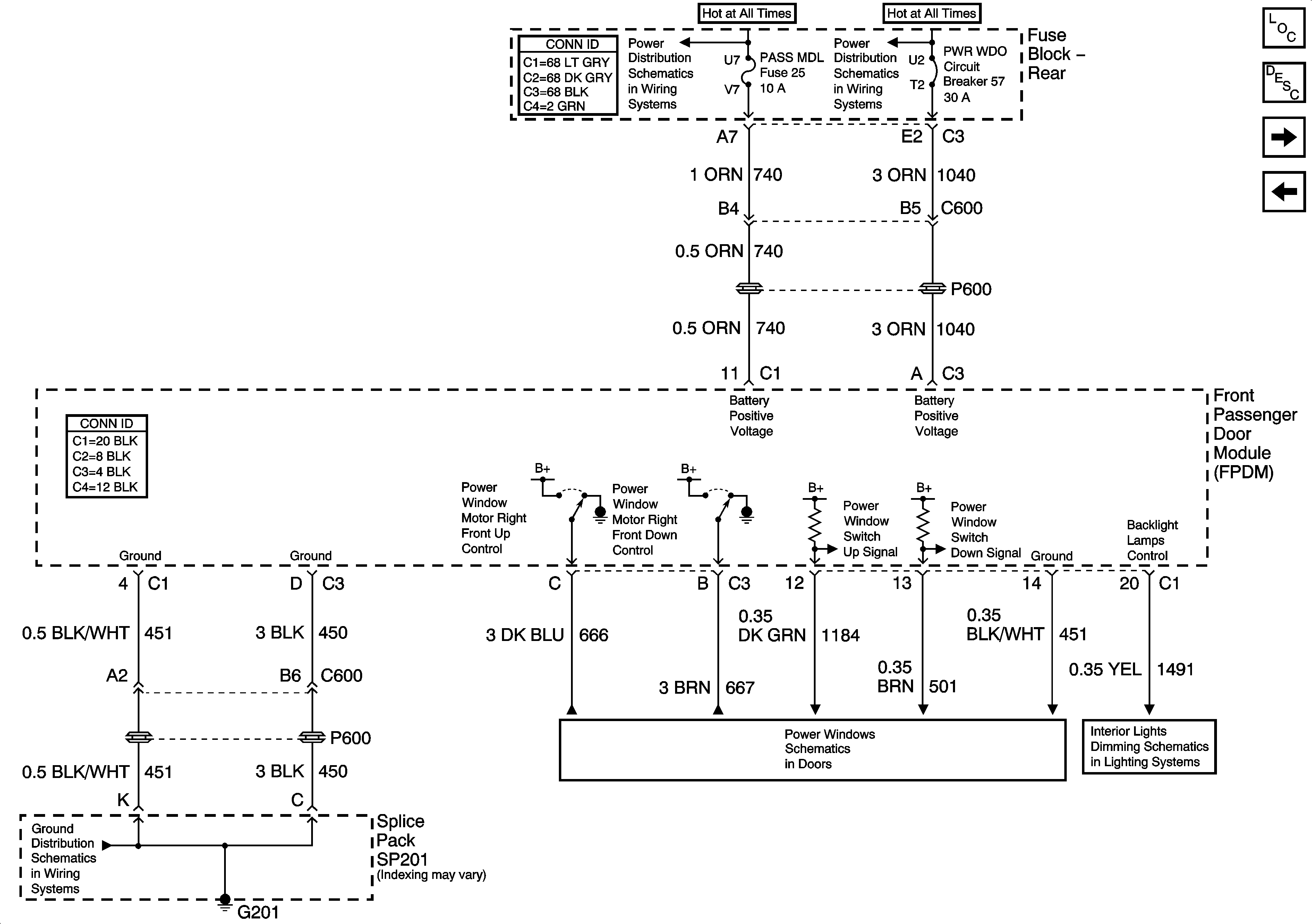
🢒 PDM Power and Ground
PDM Power and Ground
PDM Power and Ground
Master Electrical Component List
Power Door Locks Description and Operation
DDM Inputs/Outputs
DDM Power and Ground
HVAC BATT, DRV MDL, PASS MDL, and RRDRMDL Fuses
PWR WDO and PWR SEAT Circuit Breakers
G201 - 1 of 2
Right Front Door
Front Floor Lamps, and Heated Seat Dimming