GM Service Manual Online
For 1990-2009 cars only
Makes
🢒
Pontiac
🢒
2005
🢒
Wave
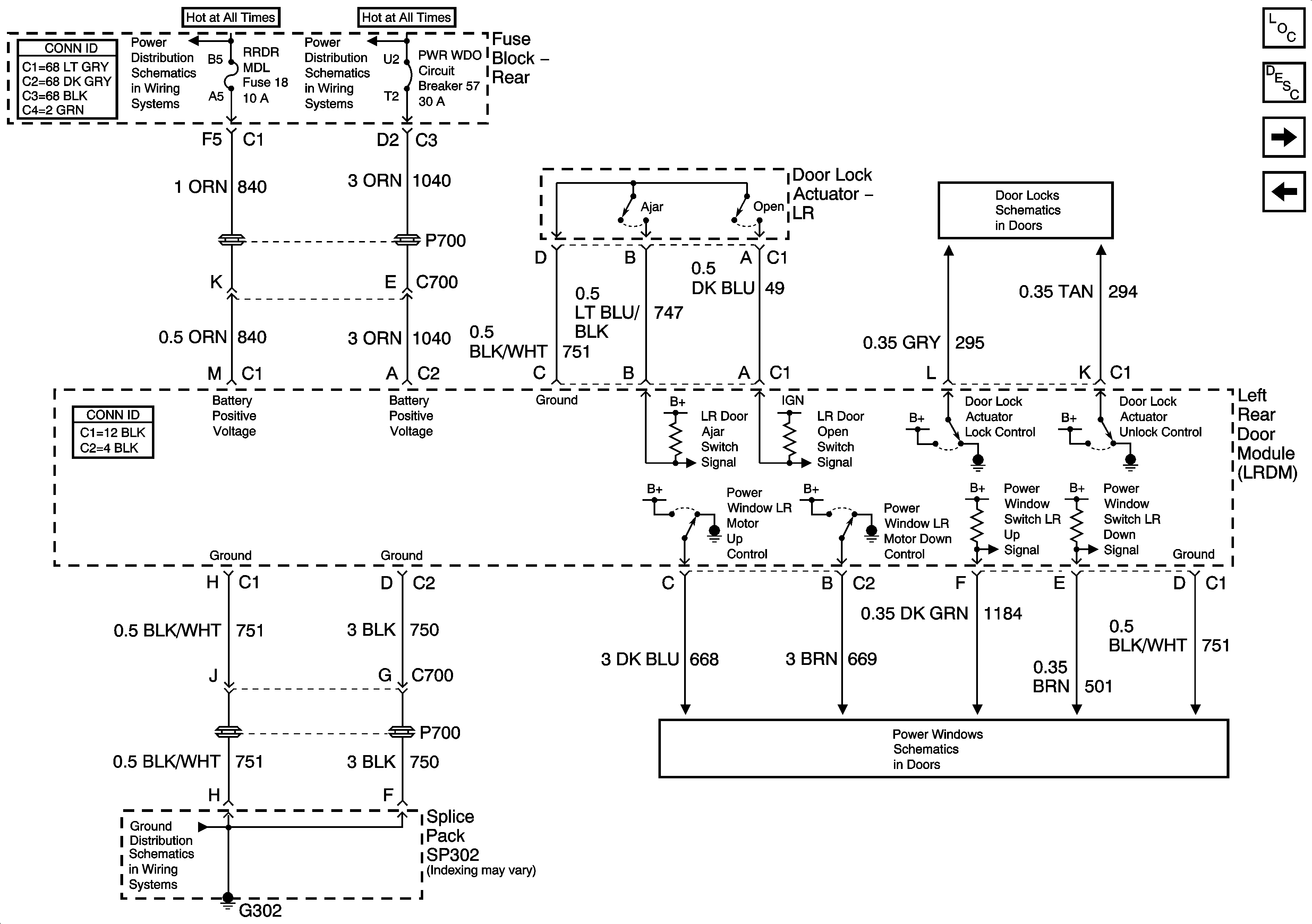
🢒 Left Rear Door Module
Left Rear Door Module
LRDM
Master Electrical Component List
Power Door Locks Description and Operation
Right Rear Door Module
PDM Inputs/Outputs
HVAC BATT, DRV MDL, PASS MDL, and RRDRMDL Fuses
PWR WDO and PWR SEAT Circuit Breakers
Left Rear Door
G302
Left Rear Door